norelem 使用 Cookies 以优化设计和持续改进网页。您通过继续使用网页,同意使用 Cookies。在我们的数据保护声明中可以找到有关 Cookies 主题的详细信息。同意

商品描述/产品说明

产品说明材料:不锈钢。规格:钝化。提示:加强型螺套用于修复并再次利用受损、烂牙以及咬死的螺孔。借此修复贵重的部件。
加强型螺套适用于多种材料,包括轻金属合金及铸件。M6以下为2个锁销,超过M6的螺套带4个锁销。
公差:
公差等级依照不同螺纹,例如螺母螺纹6H、螺柱螺纹6g,其它尺寸±0.25 mm。

详细技术参数参见螺套操作说明书。
优点:- 安装简易便捷。
- 通过锁销固定,避免由于由于受力或振动导致的扭矩。
- 使用专用安装工具安装,不需要其它工具。
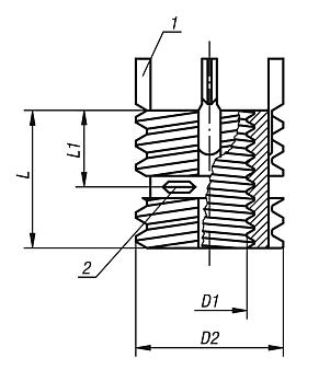
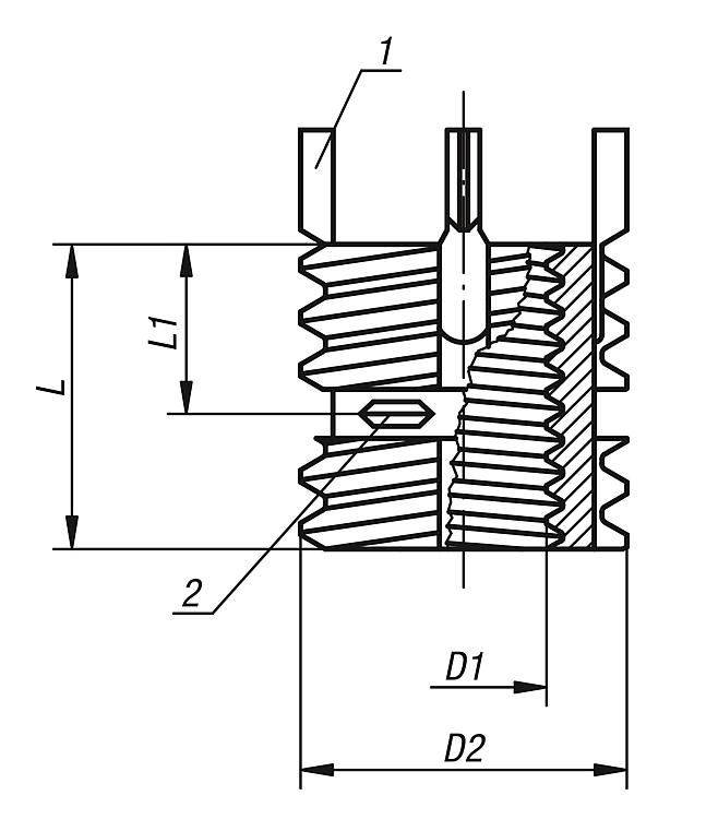
图纸提示:
1) 止动楔块
2) 内螺纹自锁件
特点:
不锈钢RoHS
下载此处为收集信息的 PDF:

查找 CAD 数据?请直接在产品列表中查找。
 Datasheet 07664 螺套 带内螺纹/加强型,自锁型 276 kB
 螺套操作说明书 212 kB

图纸

螺套 带内螺纹/加强型,自锁型

商品选择/筛选

订货号D1
内螺纹
D2
外螺纹
L1
长度
L
长度
安装
钻孔 Ø
安装
定位孔 Ø
+0.25
安装孔
丝攻规格
安装孔
最小
螺纹深度
取出
钻孔 Ø
取出
钻孔深度
安装工具订货号CAD配件价格订购
07664-104M4M8486,98,3M89,55,5407661-804  根据要求
07664-105M5M10x1,255108,810,3M10x1,2512,57,54,807661-805  根据要求
07664-106M6M12x1,2561210,812,3M12x1,2514,59,54,807661-806  根据要求
07664-108M8M14x1,571412,814,3M14x1,516,511,54,807661-808  根据要求
07664-110M10M16x1,581614,816,3M16x1,518,513,54,807661-810  根据要求
07664-112M12M18x1,591816,818,3M18x1,520,515,54,807661-812  根据要求
07664-114M14M20x1,5102018,820,3M20x1,522,517,54,807661-814  根据要求
07664-116M16M22x1,5112220,722,3M22x1,524,517,86,407661-816  根据要求
07664-116X15M16x1,5M22x1,5112220,722,3M22x1,524,517,86,407661-816  根据要求
07664-118X15M18x1,5M24x1,5122422,524,3M24x1,526,519,86,407661-818  根据要求
07664-120M20M30x215302830,3M30x234,525,86,407661-820  根据要求
我的 norelemE-Mail密码
购物车
商品数量: 0
总数: 0.00  
点击购物车
欢迎扫描二维码
咨询诺瑞朗官方客服微信
中国
苏ICP备20011289号-1  苏公网安备32058502011222 网页地图 打印 推荐 Top
Copyright © 2025 norelem. 保留所有权利。 电话 +49 71 45/206-44 至 45 · 传真 +49 71 45/206-83