norelem 使用 Cookies 以优化设计和持续改进网页。您通过继续使用网页,同意使用 Cookies。在我们的数据保护声明中可以找到有关 Cookies 主题的详细信息。同意
不锈钢制伸缩滑轨,用于侧方安装,两侧部分伸出,负载能力最大 18 kg
21333-95

不锈钢制伸缩滑轨,用于侧方安装,两侧部分伸出,负载能力最大 18 kg

返回

商品描述/产品说明

产品说明材料:规格:亮色轨道。
经硬化处理的滚珠。
订购须知:单个出售。提示:部分伸出的伸缩滑轨中,冲程小于安装长度。伸缩滑轨的动态承重能力在充分利用拉伸距离时,为垂直安装的伸缩滑轨对提供最大承重能力。
指定的负载能力为 50,000 周期时的最大值。

水平安装时,负载能力值减小约 75%。

固定螺栓的头部高度不可超过 0.9 mm,否则可能导致与其他轨道部分发生碰撞。

A 型:已涂脂。
B 型:使用食品级润滑剂。

使用适合食品工业的润滑剂·(NSF​·H1)​。

建议使用的螺栓:M 2.6。
最大螺钉长度 = 板厚 + 1.5 mm。
温度范围:5 °C 至 35 °C优点:易运行
额外增加的导轨确保高度的侧方稳定性
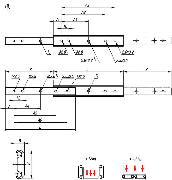
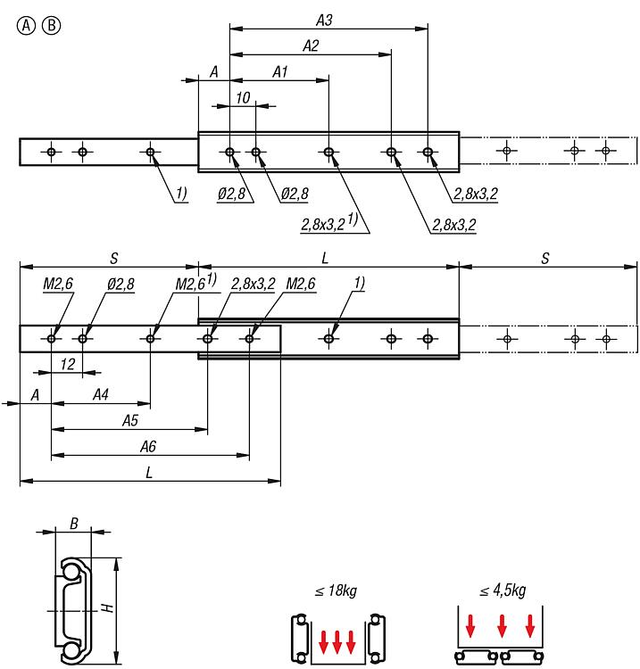
图纸提示:
1) 长度为 80 mm 的导轨上没有孔
特点:
RoHS

图片(总概述)

不锈钢制伸缩滑轨,用于侧方安装,两侧部分伸出,负载能力最大 18 kg
不锈钢制伸缩滑轨,用于侧方安装,两侧部分伸出,负载能力最大 18 kg

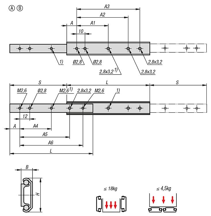
不锈钢制伸缩滑轨,用于侧方安装,两侧部分伸出,负载能力最大 18 kg,A 型

更多信息

图纸

不锈钢制伸缩滑轨,用于侧方安装,两侧部分伸出,负载能力最大 18 kg,A 型

商品选择/筛选

订货号类型A

A1A2A3A4A5A6BHL行程
S
负载能力
每对
kg
CAD配件价格订购
21333-95-10080A12-4256-40565,215,58048,514 根据要求
21333-95-10100A123862763860765,215,510068,516 根据要求
21333-95-10150A1263112126631101265,215,515094,518 根据要求

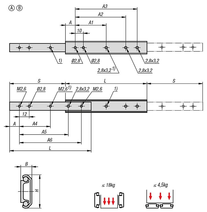
不锈钢制伸缩滑轨,用于侧方安装,两侧部分伸出,负载能力最大 18 kg,B 型

更多信息

图纸

不锈钢制伸缩滑轨,用于侧方安装,两侧部分伸出,负载能力最大 18 kg,B 型

商品选择/筛选

订货号类型A

A1A2A3A4A5A6BHL行程
S
负载能力
每对
kg
CAD配件价格订购
21333-95-20080B12-4256-40465,215,58048,514 根据要求
21333-95-20100B123862763860765,215,510068,516 根据要求
21333-95-20150B1263112126631101265,215,515094,518 根据要求
我的 norelemE-Mail密码
购物车
商品数量: 0
总数: 0.00  
点击购物车
欢迎扫描二维码
咨询诺瑞朗官方客服微信
中国
苏ICP备20011289号-1  苏公网安备32058502011222 网页地图 打印 推荐 Top
Copyright © 2025 norelem. 保留所有权利。 电话 +49 71 45/206-44 至 45 · 传真 +49 71 45/206-83