norelem 使用 Cookies 以优化设计和持续改进网页。您通过继续使用网页,同意使用 Cookies。在我们的数据保护声明中可以找到有关 Cookies 主题的详细信息。同意
钢制伸缩滑轨用于侧方安装,全部伸出,负载能力最大 50 kg
21334-15

钢制伸缩滑轨 用于侧方安装,全部伸出,负载能力最大 50 kg

返回

商品描述/产品说明

产品说明材料:钢制轨道。
钢制球轴承保持架。
钢制滚珠。
规格:镀锌轨道。
球轴承保持架镀锌。
经硬化处理的滚珠。
订购须知:成对出售。提示:伸缩滑轨全部伸出时,行程与安装长度大概一致,确保操作更加舒适、灵活。操作解锁杆可轻松取出抽屉并与导轨脱离。伸缩滑轨的动态承载能力在充分利用拉伸距离时,为垂直安装的伸缩滑轨对提供最大负载能力。

不适合水平安装。

固定螺栓的头部高度不可超过 2.5 毫米,否则可能导致与其他轨道部分发生碰撞。

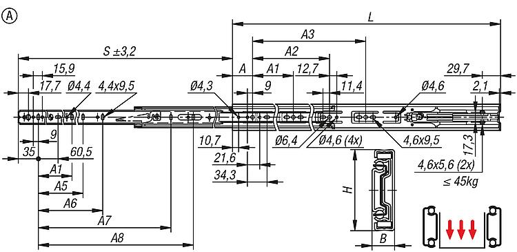
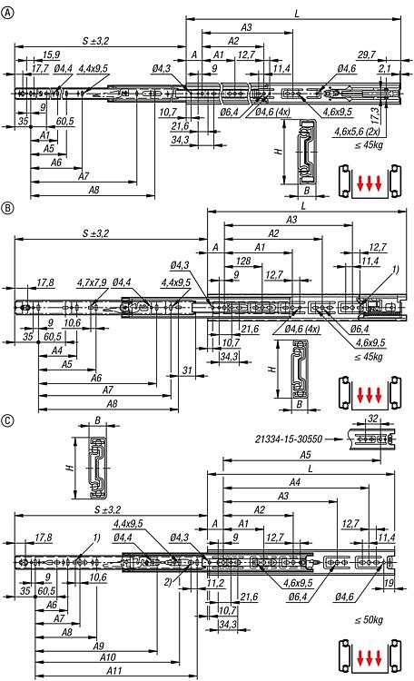
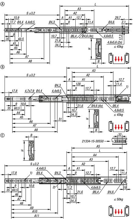
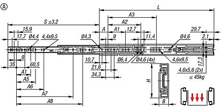
A 型:
通过回拉阻尼,伸缩滑轨在闭合时先缓冲运行,再自行进入末端位置。
指定的负载能力为 80,000 周期时的最大值。

B 型:
轻轻施加压力,伸缩滑轨可自行运行,几乎无噪音。指定的负载能力以 450 mm 轨道距离确定,为 80,000 周期时的最大值。

C 型:
闩锁位于打开和关闭位置。
指定的负载能力以 450 mm 轨道距离确定,为 10,000 或 80,000 周期时的最大值。

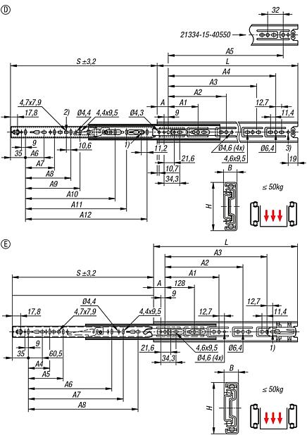
D 型:
闩锁位于关闭位置。
指定的负载能力以 450 mm 轨道距离确定,为 80,000 周期时的最大值。

E 型:
通过自动回拉,伸缩滑轨在闭合时先缓冲运行,再自行进入末端位置。
指定的负载能力以 450 mm 轨道距离确定,为 10,000 或 80,000 周期时的最大值。
温度范围:A 型:
+10°C 至 +40°C。

B 型:
-20°C 至+70°C。

C 型:
-20°C 至 +70°C。

D 型:
-20°C 至 +70°C。
优点:软关闭
推开
自动回拉
闩锁位于打开和关闭位置
前侧快速分离
附件:伸缩滑轨钢制安装支架 21335-80图纸提示:
B 型:
1) 21334-15-2040022、21334-15-2050022、
21334-15-2060022、21334-15-2040035、21334-15-2050035 和 21334-15-2060035 无安装孔

C 型:
1) 21334-15-30600、21334-15-30650 和 21334-15-30700 有安装孔
2) 21334-15-30250 无安装孔

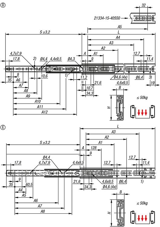
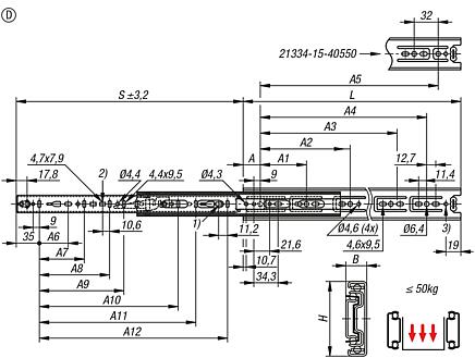
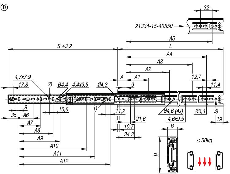
D 型:
1) 21334-15-40148、21334-15-40199
和 21334-15-40250 无安装孔
2) 21334-15-40600、21334-15-40650
和 21334-15-40700 有安装孔
3) 21334-15-30600 和 21334-15-30650 无安装孔

E 型:
1) 21334-15-5040027、21334-15-5050027、21334-15-5040041 和 21334-15-5050041 无安装孔

图片(总概述)

钢制伸缩滑轨用于侧方安装,全部伸出,负载能力最大 50 kg
钢制伸缩滑轨用于侧方安装,全部伸出,负载能力最大 50 kg

钢制伸缩滑轨
用于侧方安装,全部伸出,负载能力最大 50 kg,A 型

更多信息

图纸

钢制伸缩滑轨
用于侧方安装,全部伸出,负载能力最大 50 kg,A 型

商品选择/筛选

订货号制造商商品编号类型形状类型安装产品类型每对负载能力
(80,000 个循环)
kg
包装形式CAD配件价格订购
21334-15-10350DZ3832-0035EC-BA软关闭侧面装配标准型431 件 = 1 对 根据要求
21334-15-10400DZ3832-0040EC-BA软关闭侧面装配标准型441 件 = 1 对 根据要求
21334-15-10450DZ3832-0045EC-BA软关闭侧面装配标准型451 件 = 1 对 根据要求
21334-15-10500DZ3832-0050EC-BA软关闭侧面装配标准型451 件 = 1 对 根据要求
21334-15-10550DZ3832-0055EC-BA软关闭侧面装配标准型451 件 = 1 对 根据要求
21334-15-10600DZ3832-0060EC-BA软关闭侧面装配标准型451 件 = 1 对 根据要求
21334-15-10650DZ3832-0065EC-BA软关闭侧面装配标准型441 件 = 1 对 根据要求
21334-15-10700DZ3832-0070EC-BA软关闭侧面装配标准型431 件 = 1 对 根据要求
订货号A

A1A2A3A5A6A7A8BH行程
S
LCAD配件价格订购
21334-15-1035035,1128-----25912,745,7310350 根据要求
21334-15-1040035,1128224--288--12,745,7406400 根据要求
21334-15-1045035,1128224-----12,745,7457450 根据要求
21334-15-1050035,1128224320---40912,745,7508500 根据要求
21334-15-1055035,1128224352--416-12,745,7559550 根据要求
21334-15-1060035,1128224352224--50912,745,7610600 根据要求
21334-15-1065035,1128224352224-544-12,745,7660650 根据要求
21334-15-1070035,112822435222428854460912,745,7711700 根据要求

钢制伸缩滑轨
用于侧方安装,全部伸出,负载能力最大 50 kg,B 型

更多信息

图纸

钢制伸缩滑轨
用于侧方安装,全部伸出,负载能力最大 50 kg,B 型

商品选择/筛选

订货号制造商商品编号类型形状类型激活力
N
安装产品类型每对负载能力
(80,000 个循环)
kg
包装形式CAD配件价格订购
21334-15-2030022DZ3832-0030TRB推开22侧面装配标准型421 件 = 1 对 根据要求
21334-15-2035022DZ3832-0035TRB推开22侧面装配标准型431 件 = 1 对 根据要求
21334-15-2040022DZ3832-0040TRB推开22侧面装配标准型441 件 = 1 对 根据要求
21334-15-2045022DZ3832-0045TRB推开22侧面装配标准型451 件 = 1 对 根据要求
21334-15-2050022DZ3832-0050TRB推开22侧面装配标准型451 件 = 1 对 根据要求
21334-15-2055022DZ3832-0055TRB推开22侧面装配标准型451 件 = 1 对 根据要求
21334-15-2060022DZ3832-0060TRB推开22侧面装配标准型451 件 = 1 对 根据要求
21334-15-2065022DZ3832-0065TRB推开22侧面装配标准型441 件 = 1 对 根据要求
21334-15-2070022DZ3832-0070TRB推开22侧面装配标准型431 件 = 1 对 根据要求
21334-15-2030035DZ3832-0030HDTRB推开35侧面装配标准型421 件 = 1 对 根据要求
21334-15-2035035DZ3832-0035HDTRB推开35侧面装配标准型431 件 = 1 对 根据要求
21334-15-2040035DZ3832-0040HDTRB推开35侧面装配标准型441 件 = 1 对 根据要求
21334-15-2045035DZ3832-0045HDTRB推开35侧面装配标准型451 件 = 1 对 根据要求
21334-15-2050035DZ3832-0050HDTRB推开35侧面装配标准型451 件 = 1 对 根据要求
21334-15-2055035DZ3832-0055HDTRB推开35侧面装配标准型451 件 = 1 对 根据要求
21334-15-2060035DZ3832-0060HDTRB推开35侧面装配标准型451 件 = 1 对 根据要求
21334-15-2065035DZ3832-0065HDTRB推开35侧面装配标准型441 件 = 1 对 根据要求
21334-15-2070035DZ3832-0070HDTRB推开35侧面装配标准型431 件 = 1 对 根据要求
订货号A

A1A2A3A4A5A6A7A8BH行程
S
LCAD配件价格订购
21334-15-203002235-------19212,745,7305300 根据要求
21334-15-203502235224--128---24212,745,7356350 根据要求
21334-15-204002235224288-128---29212,745,7406400 根据要求
21334-15-204502235224320-128-320-34212,745,7457450 根据要求
21334-15-205002235224384-128-320-39212,745,7508500 根据要求
21334-15-205502235224416-128224416-44212,745,7559550 根据要求
21334-15-206002235224352480128224416-49212,745,7610600 根据要求
21334-15-20650223522435251212822441651254212,745,7660650 根据要求
21334-15-20700223522435254412822441651259212,745,7711700 根据要求
21334-15-203003535-------19212,745,7305300 根据要求
21334-15-203503535224--128---24212,745,7356350 根据要求
21334-15-204003535224288-128---29212,745,7406400 根据要求
21334-15-204503535224320-128-320-34212,745,7457450 根据要求
21334-15-205003535224384-128-320-39212,745,7508500 根据要求
21334-15-205503535224416-128224416-44212,745,7559550 根据要求
21334-15-206003535224352480128224416-49212,745,7610600 根据要求
21334-15-20650353522435251212822441651254212,745,7660650 根据要求
21334-15-20700353522435254412822441651259212,745,7711700 根据要求

钢制伸缩滑轨
用于侧方安装,全部伸出,负载能力最大 50 kg,C 型

更多信息

图纸

钢制伸缩滑轨
用于侧方安装,全部伸出,负载能力最大 50 kg,C 型

商品选择/筛选

订货号制造商商品编号类型形状类型安装产品类型每对负载能力
(80,000 个循环)
kg
每对负载能力
(10,000 周期) kg
包装形式CAD配件价格订购
21334-15-30250DZ3832-0025DOC闩锁位于关闭位置和打开位置侧面装配标准型41471 件 = 1 对 根据要求
21334-15-30300DZ3832-0030DOC闩锁位于关闭位置和打开位置侧面装配标准型42481 件 = 1 对 根据要求
21334-15-30350DZ3832-0035DOC闩锁位于关闭位置和打开位置侧面装配标准型43491 件 = 1 对 根据要求
21334-15-30400DZ3832-0040DOC闩锁位于关闭位置和打开位置侧面装配标准型44501 件 = 1 对 根据要求
21334-15-30450DZ3832-0045DOC闩锁位于关闭位置和打开位置侧面装配标准型45501 件 = 1 对 根据要求
21334-15-30500DZ3832-0050DOC闩锁位于关闭位置和打开位置侧面装配标准型45501 件 = 1 对 根据要求
21334-15-30550DZ3832-0055DOC闩锁位于关闭位置和打开位置侧面装配标准型45501 件 = 1 对 根据要求
21334-15-30600DZ3832-0060DOC闩锁位于关闭位置和打开位置侧面装配标准型45501 件 = 1 对 根据要求
21334-15-30650DZ3832-0065DOC闩锁位于关闭位置和打开位置侧面装配标准型44491 件 = 1 对 根据要求
21334-15-30700DZ3832-0070DOC闩锁位于关闭位置和打开位置侧面装配标准型43481 件 = 1 对 根据要求
订货号A

A1A2A3A4A5A6A7A8A9A10A11BH行程
S
LNLM 附件CAD配件价格订购
21334-15-3025035-160---96----19212,745,7243250- 根据要求
21334-15-3030035-224---96----24212,745,7305300- 根据要求
21334-15-3035035128224---128----29212,745,735635021335-80-0347 根据要求
21334-15-3040035128224320--128----34212,745,740640021335-80-0397 根据要求
21334-15-3045035128-352--128--320-39212,745,745745021335-80-0447 根据要求
21334-15-3050035128-416--128--320-44212,745,750850021335-80-0497 根据要求
21334-15-3055035128-352-480128--32041649212,745,7559550- 根据要求
21334-15-3060035128224352480-128224-416-54212,745,7610600- 根据要求
21334-15-3065035128224352544-128224-41654459212,745,7660650- 根据要求
21334-15-3070035128224352544-12822428841654464212,745,7711700- 根据要求

钢制伸缩滑轨 用于侧方安装,全部伸出,负载能力最大 50 kg,D 型

更多信息

图纸

钢制伸缩滑轨 用于侧方安装,全部伸出,负载能力最大 50 kg,D 型

商品选择/筛选

订货号类型形状类型安装产品类型每对负载能力
(80,000 个循环)
kg
包装形式CAD配件价格订购
21334-15-40148D闩锁位于关闭位置侧面装配标准型451 件 = 1 对 根据要求
21334-15-40199D闩锁位于关闭位置侧面装配标准型461 件 = 1 对 根据要求
21334-15-40250D闩锁位于关闭位置侧面装配标准型471 件 = 1 对 根据要求
21334-15-40300D闩锁位于关闭位置侧面装配标准型481 件 = 1 对 根据要求
21334-15-40350D闩锁位于关闭位置侧面装配标准型491 件 = 1 对 根据要求
21334-15-40400D闩锁位于关闭位置侧面装配标准型501 件 = 1 对 根据要求
21334-15-40450D闩锁位于关闭位置侧面装配标准型501 件 = 1 对 根据要求
21334-15-40500D闩锁位于关闭位置侧面装配标准型501 件 = 1 对 根据要求
21334-15-40550D闩锁位于关闭位置侧面装配标准型501 件 = 1 对 根据要求
21334-15-40600D闩锁位于关闭位置侧面装配标准型501 件 = 1 对 根据要求
21334-15-40650D闩锁位于关闭位置侧面装配标准型491 件 = 1 对 根据要求
21334-15-40700D闩锁位于关闭位置侧面装配标准型491 件 = 1 对 根据要求
订货号A

A1A2A3A4A5A6A7A8A9A10A11A12BH行程
S
LNLM 附件CAD配件价格订购
21334-15-401483577,2----------9612,745,7138148- 根据要求
21334-15-4019935128----60,5128----14112,745,7203199- 根据要求
21334-15-4025035128----60,596----19212,745,7354250- 根据要求
21334-15-4030035128224---60,596----24212,745,7305300- 根据要求
21334-15-4035035128224---60,5128----29212,745,735635021335-80-0347 根据要求
21334-15-4040035128224320--60,5128----34212,745,740640021335-80-0397 根据要求
21334-15-4045035128224352--60,5128--320-39212,745,745745021335-80-0447 根据要求
21334-15-4050035128224416--60,5128--320-44212,745,7508500- 根据要求
21334-15-405503512822435244848060,5128--32041649212,745,7559550- 根据要求
21334-15-4060035128224352480-60,5128224-416-54212,745,7610600- 根据要求
21334-15-4065035128224352544-60,5128224-41654459212,745,7660650- 根据要求
21334-15-4070035128224352544-60,512822428841654464212,745,7711700- 根据要求

钢制伸缩滑轨
用于侧方安装,全部伸出,负载能力最大 50 kg,E 型

更多信息

图纸

钢制伸缩滑轨
用于侧方安装,全部伸出,负载能力最大 50 kg,E 型

商品选择/筛选

订货号制造商商品编号类型形状类型安装产品类型关闭/打开-力
N 每片
每对负载能力
(80,000 个循环)
kg
每对负载能力
(10,000 周期) kg
包装形式CAD配件价格订购
21334-15-5030027DZ3832-0030SCE自行回拉侧面装配标准型14-2742481 件 = 1 对 根据要求
21334-15-5035027DZ3832-0035SCE自行回拉侧面装配标准型14-2743491 件 = 1 对 根据要求
21334-15-5040027DZ3832-0040SCE自行回拉侧面装配标准型14-2744501 件 = 1 对 根据要求
21334-15-5045027DZ3832-0045SCE自行回拉侧面装配标准型14-2745501 件 = 1 对 根据要求
21334-15-5050027DZ3832-0050SCE自行回拉侧面装配标准型14-2745501 件 = 1 对 根据要求
21334-15-5055027DZ3832-0055SCE自行回拉侧面装配标准型14-2745501 件 = 1 对 根据要求
21334-15-5060027DZ3832-0060SCE自行回拉侧面装配标准型14-2745501 件 = 1 对 根据要求
21334-15-5065027DZ3832-0065SCE自行回拉侧面装配标准型14-2744491 件 = 1 对 根据要求
21334-15-5030041DZ3832-0030HDSCE自行回拉侧面装配标准型27-4142481 件 = 1 对 根据要求
21334-15-5035041DZ3832-0035HDSCE自行回拉侧面装配标准型27-4143491 件 = 1 对 根据要求
21334-15-5040041DZ3832-0040HDSCE自行回拉侧面装配标准型27-4144501 件 = 1 对 根据要求
21334-15-5045041DZ3832-0045HDSCE自行回拉侧面装配标准型27-4145501 件 = 1 对 根据要求
21334-15-5050041DZ3832-0050HDSCE自行回拉侧面装配标准型27-4145501 件 = 1 对 根据要求
21334-15-5055041DZ3832-0055HDSCE自行回拉侧面装配标准型27-4145501 件 = 1 对 根据要求
21334-15-5060041DZ3832-0060HDSCE自行回拉侧面装配标准型27-4145501 件 = 1 对 根据要求
21334-15-5065041DZ3832-0065HDSCE自行回拉侧面装配标准型27-4144491 件 = 1 对 根据要求
订货号A

A1A2A3A4A5A6A7A8BH行程
S
LNLM 附件CAD配件价格订购
21334-15-503002735-------23112,745,7286300- 根据要求
21334-15-503502735224--128---28112,745,735635021335-80-0347 根据要求
21334-15-504002735224288-128---33112,745,740640021335-80-0397 根据要求
21334-15-504502735224320-128-320-38112,745,745745021335-80-0447 根据要求
21334-15-505002735224384-128---43112,745,750850021335-80-0447 根据要求
21334-15-505502735224416-128-416-48112,745,7559550- 根据要求
21334-15-506002735224352480128224416-53112,745,7610600- 根据要求
21334-15-50650273522435251212822441654458112,745,7660650- 根据要求
21334-15-503004135-------23112,745,7286300- 根据要求
21334-15-503504135224--128---28112,745,735635021335-80-0347 根据要求
21334-15-504004135224288-128---33112,745,740640021335-80-0397 根据要求
21334-15-504504135224320-128-320-38112,745,745745021335-80-0447 根据要求
21334-15-505004135224384-128---43112,745,750850021335-80-0447 根据要求
21334-15-505504135224416-128-416-48112,745,7559550- 根据要求
21334-15-506004135224352480128224416-53112,745,7610600- 根据要求
21334-15-50650413522435251212822441654458112,745,7660650- 根据要求
我的 norelemE-Mail密码
购物车
商品数量: 0
总数: 0.00  
点击购物车
欢迎扫描二维码
咨询诺瑞朗官方客服微信
中国
苏ICP备20011289号-1  苏公网安备32058502011222 网页地图 打印 推荐 Top
Copyright © 2025 norelem. 保留所有权利。 电话 +49 71 45/206-44 至 45 · 传真 +49 71 45/206-83