norelem 使用 Cookies 以优化设计和持续改进网页。您通过继续使用网页,同意使用 Cookies。在我们的数据保护声明中可以找到有关 Cookies 主题的详细信息。同意
钢制伸缩滑轨用于侧方安装,部分伸出,负载能力最大 50 kg
21334-20

钢制伸缩滑轨 用于侧方安装,部分伸出,负载能力最大 50 kg

返回

商品描述/产品说明

产品说明材料:钢制轨道。
钢制球轴承保持架。
钢制滚珠。
规格:镀锌轨道。
钢制球轴承保持架。
经硬化处理的滚珠。
订购须知:成对出售。提示:部分伸出的伸缩滑轨中,冲程小于安装长度。
伸缩滑轨的动态承载能力在充分利用拉伸距离时,为垂直安装的伸缩滑轨对提供最大负载能力。
指定的负载能力以 450 mm 轨道距离确定,为 10,000 周期时的最大值。

水平安装时,负载能力值减小约 75%。

固定螺栓的头部高度不可超过 2.5 毫米,否则可能导致与其他轨道部分发生碰撞。
温度范围:-20 °C 至 +110 °C。优点:适用于平装
易运行
额外增加的导轨确保高度的侧方稳定性
特点:

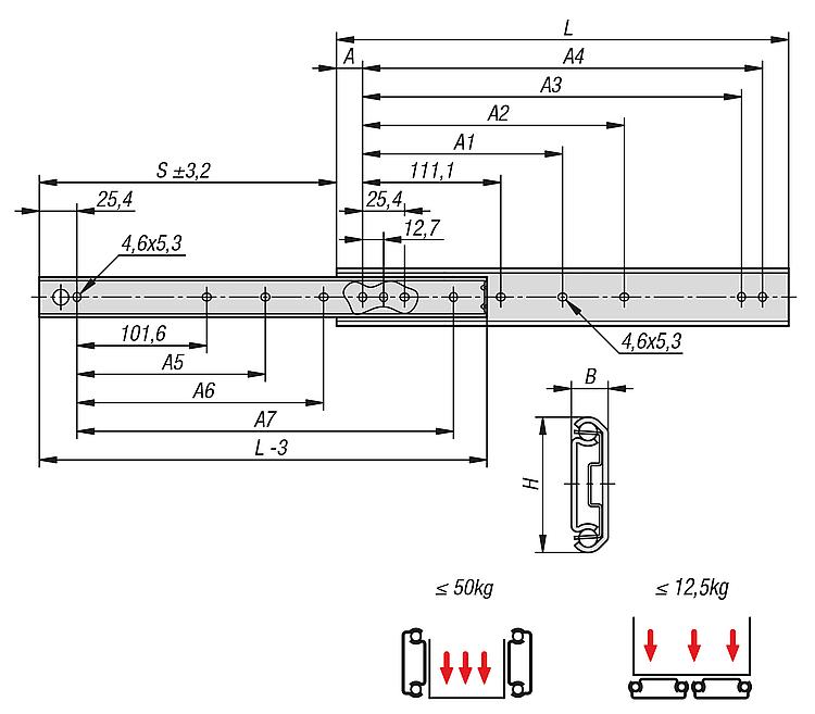
图纸

钢制伸缩滑轨用于侧方安装,部分伸出,负载能力最大 50 kg

商品选择/筛选

订货号制造商商品编号安装产品类型负载能力
每对
kg
包装形式CAD配件价格订购
21334-20-0305DZ0201-0012侧面装配标准型501 件 = 1 对 根据要求
21334-20-0356DZ0201-0014侧面装配标准型501 件 = 1 对 根据要求
21334-20-0406DZ0201-0016侧面装配标准型451 件 = 1 对 根据要求
21334-20-0457DZ0201-0018侧面装配标准型451 件 = 1 对 根据要求
21334-20-0508DZ0201-0020侧面装配标准型401 件 = 1 对 根据要求
21334-20-0559DZ0201-0022侧面装配标准型401 件 = 1 对 根据要求
21334-20-0610DZ0201-0024侧面装配标准型351 件 = 1 对 根据要求
21334-20-0660DZ0201-0026侧面装配标准型301 件 = 1 对 根据要求
21334-20-0711DZ0201-0028侧面装配标准型301 件 = 1 对 根据要求
订货号A

A1A2A3A4A5A6A7BH行程
S
LCAD配件价格订购
21334-20-030515,9-149,2260,3273-152,42549,535,3227305 根据要求
21334-20-035615,9-200311,1323,8-203,2304,89,535,3277356 根据要求
21334-20-040615,9-250,8361,9374,6-254355,69,535,3302406 根据要求
21334-20-045715,9212,7301,6412,7425,4203,2304,8406,49,535,3328457 根据要求
21334-20-050815,9238,1352,4463,5476,2228,6355,6457,29,535,3379508 根据要求
21334-20-055915,9263,5403,2514,3527254406,45089,535,3405559 根据要求
21334-20-061015,9288,9454565,1577,8279,4457,2558,89,535,3429610 根据要求
21334-20-066015,9314,3504,8615,9628,6304,8508609,69,535,3481660 根据要求
21334-20-071115,9339,7555,6666,8679,4330,2558,8660,49,535,3506711 根据要求
我的 norelemE-Mail密码
购物车
商品数量: 0
总数: 0.00  
点击购物车
欢迎扫描二维码
咨询诺瑞朗官方客服微信
中国
苏ICP备20011289号-1  苏公网安备32058502011222 网页地图 打印 推荐 Top
Copyright © 2025 norelem. 保留所有权利。 电话 +49 71 45/206-44 至 45 · 传真 +49 71 45/206-83