norelem 使用 Cookies 以优化设计和持续改进网页。您通过继续使用网页,同意使用 Cookies。在我们的数据保护声明中可以找到有关 Cookies 主题的详细信息。同意
钢制伸缩滑轨用于侧方安装,两侧部分伸出,负载能力最大 50 kg
21334-25

钢制伸缩滑轨 用于侧方安装,两侧部分伸出,负载能力最大 50 kg

返回

商品描述/产品说明

产品说明材料:钢制轨道。
钢制球轴承保持架。
钢制滚珠。
规格:镀锌轨道。
球轴承保持架镀锌。
经硬化处理的滚珠。
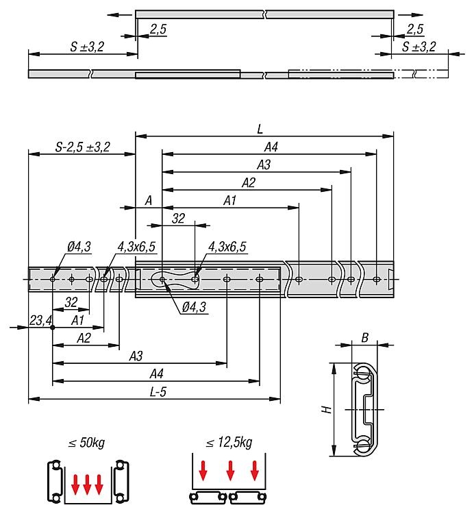
订购须知:成对出售。提示:两侧部分伸出的伸缩滑轨中,冲程小于安装长度。闩锁位于打开位置,双侧。伸缩滑轨的动态承载能力在充分利用拉伸距离时,为垂直安装的伸缩滑轨对提供最大负载能力。指定的负载能力以 450 mm 轨道距离确定,为 50,000 周期时的最大值。

水平安装时,负载能力值减小约 75%。

固定螺栓的头部高度不可超过 2.5 毫米,否则可能导致与其他轨道部分发生碰撞。
优点:双向伸出
闩锁位于打开位置,双侧
易运行
特点:
RoHS

图纸

钢制伸缩滑轨用于侧方安装,两侧部分伸出,负载能力最大 50 kg

商品选择/筛选

订货号

制造商商品编号安装产品类型负载能力
每对
kg
包装形式CAD配件价格订购
21334-25-0300DZ2026-0030侧面装配标准型501 件 = 1 对 根据要求
21334-25-0350DZ2026-0035侧面装配标准型501 件 = 1 对 根据要求
21334-25-0400DZ2026-0040侧面装配标准型451 件 = 1 对 根据要求
21334-25-0450DZ2026-0045侧面装配标准型401 件 = 1 对 根据要求
21334-25-0500DZ2026-0050侧面装配标准型401 件 = 1 对 根据要求
21334-25-0550DZ2026-0055侧面装配标准型351 件 = 1 对 根据要求
21334-25-0600DZ2026-0060侧面装配标准型351 件 = 1 对 根据要求
21334-25-0650DZ2026-0065侧面装配标准型301 件 = 1 对 根据要求
21334-25-0700DZ2026-0070侧面装配标准型301 件 = 1 对 根据要求
订货号A

A1A2A3A4BH行程
S
LCAD配件价格订购
21334-25-0300261281602242569,535,3208,8300 根据要求
21334-25-0350261601922562889,535,3246,1350 根据要求
21334-25-0400261922243203529,535,3283,4400 根据要求
21334-25-0450262242563523849,535,3320,7450 根据要求
21334-25-0500262562884164489,535,3358500 根据要求
21334-25-0550262562884805129,535,3395,3550 根据要求
21334-25-0600262883205125449,535,3432,6600 根据要求
21334-25-0650262883205766089,535,3469,9650 根据要求
21334-25-0700263203526086409,535,3507,2700 根据要求
我的 norelemE-Mail密码
购物车
商品数量: 0
总数: 0.00  
点击购物车
欢迎扫描二维码
咨询诺瑞朗官方客服微信
中国
苏ICP备20011289号-1  苏公网安备32058502011222 网页地图 打印 推荐 Top
Copyright © 2025 norelem. 保留所有权利。 电话 +49 71 45/206-44 至 45 · 传真 +49 71 45/206-83