norelem 使用 Cookies 以优化设计和持续改进网页。您通过继续使用网页,同意使用 Cookies。在我们的数据保护声明中可以找到有关 Cookies 主题的详细信息。同意
钢制伸缩滑轨用于侧方安装部分伸出,负载能力最大 50 kg
21334-30

钢制伸缩滑轨用于侧方安装 部分伸出,负载能力最大 50 kg

返回

商品描述/产品说明

查看/筛选所有商品
产品说明材料:钢制轨道。
钢制球轴承保持架。
钢制滚珠。
规格:镀锌轨道。
球轴承保持架镀锌。
经硬化处理的滚珠。
订购须知:成对出售。提示:部分伸出的伸缩滑轨中,冲程小于安装长度。闩锁位于关闭位置。操作解锁杆可轻松取出抽屉并与导轨脱离。伸缩滑轨的动态承载能力在充分利用拉伸距离时,为垂直安装的伸缩滑轨对提供最大负载能力。指定的负载能力为 10,000 或 80,000 周期时的最大值。

不适合水平安装。

固定螺栓的头部高度不可超过 2.5 毫米,否则可能导致与其他轨道部分发生碰撞。

B 型:
此外,闩锁位于打开位置。
优点:闩锁位于打开和关闭位置
前侧快速分离
易运行
附件:伸缩滑轨钢制安装支架 21335-80图纸提示:
1) 21334-30-10250 和 21334-30-20250 无安装孔

图片(总概述)

钢制伸缩滑轨用于侧方安装部分伸出,负载能力最大 50 kg

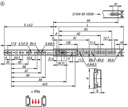
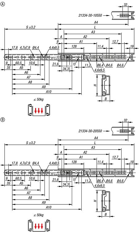
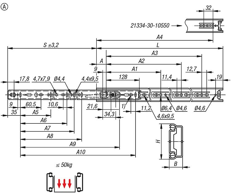
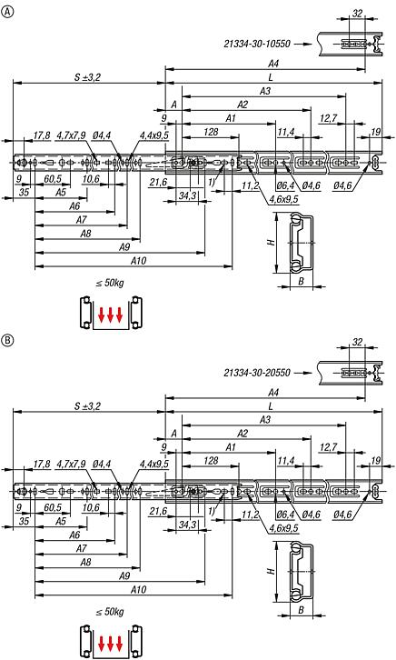
钢制伸缩滑轨 用于侧方安装,部分伸出,负载能力最大 50 kg,A 型

更多信息

图纸

钢制伸缩滑轨 用于侧方安装,部分伸出,负载能力最大 50 kg,A 型

商品选择/筛选

订货号制造商商品编号类型形状类型安装产品类型每对负载能力
(80,000 个循环)
kg
每对负载能力
(10,000 周期) kg
包装形式CAD配件价格订购
21334-30-10250DZ2132-0025A闩锁位于关闭位置侧面装配标准型35501 件 = 1 对 根据要求
21334-30-10300DZ2132-0030A闩锁位于关闭位置侧面装配标准型35501 件 = 1 对 根据要求
21334-30-10350DZ2132-0035A闩锁位于关闭位置侧面装配标准型35501 件 = 1 对 根据要求
21334-30-10400DZ2132-0040A闩锁位于关闭位置侧面装配标准型35501 件 = 1 对 根据要求
21334-30-10450DZ2132-0045A闩锁位于关闭位置侧面装配标准型35481 件 = 1 对 根据要求
21334-30-10500DZ2132-0050A闩锁位于关闭位置侧面装配标准型34451 件 = 1 对 根据要求
21334-30-10550DZ2132-0055A闩锁位于关闭位置侧面装配标准型33421 件 = 1 对 根据要求
21334-30-10600DZ2132-0060A闩锁位于关闭位置侧面装配标准型32401 件 = 1 对 根据要求
21334-30-10650DZ2132-0065A闩锁位于关闭位置侧面装配标准型31371 件 = 1 对 根据要求
21334-30-10700DZ2132-0070A闩锁位于关闭位置侧面装配标准型30351 件 = 1 对 根据要求
订货号A

A1A2A3A4A5A6A7A8A9A10BH行程
S
LNLM 附件CAD配件价格订购
21334-30-1025035----96----19212,735163250- 根据要求
21334-30-1030035224---96----24212,735205300- 根据要求
21334-30-1035035224---128----29212,735260350- 根据要求
21334-30-1040035224-320-128----34212,73528140021335-80-0397 根据要求
21334-30-1045035224-352-128224---39212,73533145021335-80-0447 根据要求
21334-30-1050035224-416-128224---44212,73537650021335-80-0497 根据要求
21334-30-1055035224352-480128224320--49212,735415550- 根据要求
21334-30-1060035224352480-128224320--54212,735451600- 根据要求
21334-30-1065035224352544-12822432041654459212,735488650- 根据要求
21334-30-1070035224352544-128224288416-64212,735526700- 根据要求

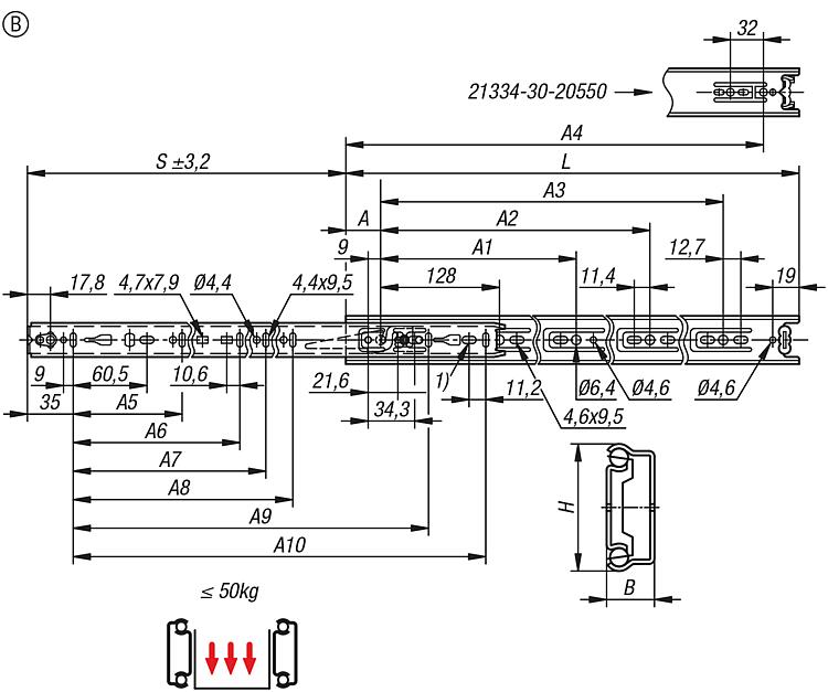
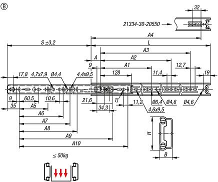
钢制伸缩滑轨 用于侧方安装,部分伸出,负载能力最大 50 kg,B 型

更多信息

图纸

钢制伸缩滑轨 用于侧方安装,部分伸出,负载能力最大 50 kg,B 型

商品选择/筛选

订货号类型形状类型安装产品类型每对负载能力
(80,000 个循环)
kg
每对负载能力
(10,000 周期) kg
包装形式CAD配件价格订购
21334-30-20250B闩锁位于关闭位置和打开位置侧面装配标准型35501 件 = 1 对 根据要求
21334-30-20300B闩锁位于关闭位置和打开位置侧面装配标准型35501 件 = 1 对 根据要求
21334-30-20350B闩锁位于关闭位置和打开位置侧面装配标准型35501 件 = 1 对 根据要求
21334-30-20400B闩锁位于关闭位置和打开位置侧面装配标准型35501 件 = 1 对 根据要求
21334-30-20450B闩锁位于关闭位置和打开位置侧面装配标准型35481 件 = 1 对 根据要求
21334-30-20500B闩锁位于关闭位置和打开位置侧面装配标准型34451 件 = 1 对 根据要求
21334-30-20550B闩锁位于关闭位置和打开位置侧面装配标准型33421 件 = 1 对 根据要求
21334-30-20600B闩锁位于关闭位置和打开位置侧面装配标准型32401 件 = 1 对 根据要求
21334-30-20650B闩锁位于关闭位置和打开位置侧面装配标准型31371 件 = 1 对 根据要求
21334-30-20700B闩锁位于关闭位置和打开位置侧面装配标准型30351 件 = 1 对 根据要求
订货号A

A1A2A3A4A5A6A7A8A9A10BH行程
S
LCAD配件价格订购
21334-30-2025035----96----19212,735163250 根据要求
21334-30-2030035224---96----24212,735205300 根据要求
21334-30-2035035224---128----29212,735260350 根据要求
21334-30-2040035224-320-128----34212,735281400 根据要求
21334-30-2045035224-352-128224---39212,735331450 根据要求
21334-30-2050035224-416-128224---44212,735376500 根据要求
21334-30-2055035224352-480128224320--49212,735415550 根据要求
21334-30-2060035224352480-128224320--54212,735451600 根据要求
21334-30-2065035224352544-12822432041654459212,735488650 根据要求
21334-30-2070035224352544-128224288416-64212,735526700 根据要求
我的 norelemE-Mail密码
购物车
商品数量: 0
总数: 0.00  
点击购物车
欢迎扫描二维码
咨询诺瑞朗官方客服微信
中国
苏ICP备20011289号-1  苏公网安备32058502011222 网页地图 打印 推荐 Top
Copyright © 2025 norelem. 保留所有权利。 电话 +49 71 45/206-44 至 45 · 传真 +49 71 45/206-83