norelem 使用 Cookies 以优化设计和持续改进网页。您通过继续使用网页,同意使用 Cookies。在我们的数据保护声明中可以找到有关 Cookies 主题的详细信息。同意
钢制伸缩滑轨,用于侧方安装,全部伸出,负载能力最大 68 kg
21334-53

钢制伸缩滑轨,用于侧方安装, 全部伸出,负载能力最大 68 kg

返回

商品描述/产品说明

产品说明材料:钢制轨道。
钢制球轴承保持架。
钢制滚珠。
规格:镀锌轨道。
球轴承保持架镀锌。
经硬化处理的滚珠。
订购须知:成对出售。提示:伸缩滑轨全部伸出时,行程与安装长度大概一致,确保操作更加舒适、灵活。
闩锁位于关闭位置。
指定的负载能力以 450 mm 轨道距离确定,为 50,000 周期时的最大值。

不适合水平安装。

固定螺栓的头部高度不可超过 2.5 mm,否则可能导致与其他轨道部分发生碰撞。
温度范围:20 °C - +70 °C。

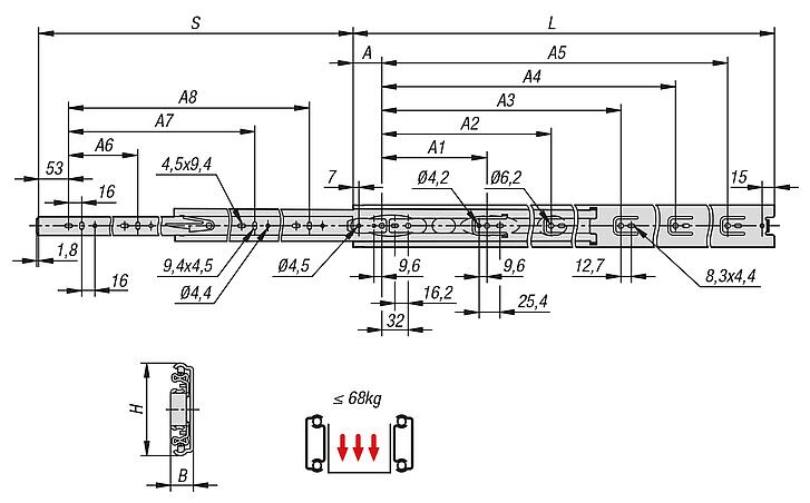
图纸

钢制伸缩滑轨,用于侧方安装,全部伸出,负载能力最大 68 kg

商品概述(精简)

商品选择/筛选
订货号制造商商品编号A

A1A2A3A4A5A6A7A8BH行程
S
LFp=
每对负载能力
50,000 zy。
安装产品类型包装形式CAD配件价格订购
21334-53-0250DZ3932-002535-96160--160--12,75125025068侧面装配标准型1 件 = 1 对 根据要求
21334-53-0300DZ3932-003035-96224--192--12,75130030068侧面装配标准型1 件 = 1 对 根据要求
21334-53-0350DZ3932-003535128256---96256-12,75135035068侧面装配标准型1 件 = 1 对 根据要求
21334-53-0400DZ3932-004035128192320--128288-12,75140040068侧面装配标准型1 件 = 1 对 根据要求
21334-53-0450DZ3932-004535128256352--160352-12,75145045068侧面装配标准型1 件 = 1 对 根据要求
21334-53-0500DZ3932-005035128224288416-192384-12,75150050068侧面装配标准型1 件 = 1 对 根据要求
21334-53-0550DZ3932-005535128224352448-192448-12,75155055068侧面装配标准型1 件 = 1 对 根据要求
21334-53-0600DZ3932-006035128224352512-224480-12,75160060068侧面装配标准型1 件 = 1 对 根据要求
21334-53-0650DZ3932-006535128224352448576256544-12,75165065068侧面装配标准型1 件 = 1 对 根据要求
21334-53-0700DZ3932-00703512822435248060825644857612,75170070068侧面装配标准型1 件 = 1 对 根据要求
我的 norelemE-Mail密码
购物车
商品数量: 0
总数: 0.00  
点击购物车
欢迎扫描二维码
咨询诺瑞朗官方客服微信
中国
苏ICP备20011289号-1  苏公网安备32058502011222 网页地图 打印 推荐 Top
Copyright © 2025 norelem. 保留所有权利。 电话 +49 71 45/206-44 至 45 · 传真 +49 71 45/206-83