norelem 使用 Cookies 以优化设计和持续改进网页。您通过继续使用网页,同意使用 Cookies。在我们的数据保护声明中可以找到有关 Cookies 主题的详细信息。同意
钢制伸缩滑轨用于侧方安装,过度伸出,负载能力最大 70 kg
21334-70

钢制伸缩滑轨 用于侧方安装,过度伸出,负载能力最大 70 kg

返回

商品描述/产品说明

产品说明材料:钢制轨道。
钢制球轴承保持架。
钢制滚珠。
规格:镀锌轨道。
球轴承保持架镀锌。
经硬化处理的滚珠。
订购须知:成对出售。提示:过度伸出的伸缩滑轨中,冲程大于安装长度。
伸缩滑轨的动态承载能力在充分利用拉伸距离时,为垂直安装的伸缩滑轨对提供最大负载能力。指定的负载能力以 450 mm 轨道距离确定,为 10,000 周期时的最大值。

水平安装时,负载能力值减小约 75%。

固定螺栓的头部高度不可超过 2.5 毫米,否则可能导致与其他轨道部分发生碰撞。
温度范围:-20 °C - +70 °C。优点:适用于平装
易运行
额外增加的导轨确保高度的侧方稳定性
特点:
RoHS

图纸

钢制伸缩滑轨用于侧方安装,过度伸出,负载能力最大 70 kg

商品选择/筛选

订货号

制造商商品编号安装产品类型负载能力
每对
kg
包装形式CAD配件价格订购
21334-70-0305DZ0301-0012侧面装配标准型701 件 = 1 对 根据要求
21334-70-0356DZ0301-0014侧面装配标准型671 件 = 1 对 根据要求
21334-70-0406DZ0301-0016侧面装配标准型651 件 = 1 对 根据要求
21334-70-0457DZ0301-0018侧面装配标准型631 件 = 1 对 根据要求
21334-70-0508DZ0301-0020侧面装配标准型601 件 = 1 对 根据要求
21334-70-0559DZ0301-0022侧面装配标准型551 件 = 1 对 根据要求
21334-70-0610DZ0301-0024侧面装配标准型501 件 = 1 对 根据要求
21334-70-0660DZ0301-0026侧面装配标准型451 件 = 1 对 根据要求
21334-70-0711DZ0301-0028侧面装配标准型401 件 = 1 对 根据要求
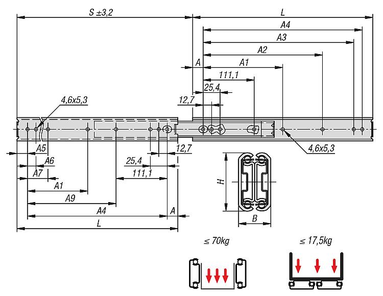
订货号A

A1A2A3A4A5A6A7A9BH行程
S
LCAD配件价格订购
21334-70-030515,9-149,2260,327316,112,7123,8161,919,135,3327305 根据要求
21334-70-035615,9-200311,1323,816,312,7123,8212,719,135,3378356 根据要求
21334-70-040615,9-250,8361,9374,615,512,7123,8263,519,135,3429406 根据要求
21334-70-045715,9212,7301,6412,7425,415,712,7123,8314,319,135,3480457 根据要求
21334-70-050815,9238,1352,4463,5476,215,912,7123,8365,119,135,3530508 根据要求
21334-70-055915,9263,5403,2514,352716,112,7123,8415,919,135,3581559 根据要求
21334-70-061015,9288,9454565,1577,816,312,7123,8466,719,135,3632610 根据要求
21334-70-066015,9314,3504,8615,9628,615,512,7123,8517,519,135,3683660 根据要求
21334-70-071115,9339,7555,6666,7679,415,712,7123,8568,319,135,3734711 根据要求
我的 norelemE-Mail密码
购物车
商品数量: 0
总数: 0.00  
点击购物车
欢迎扫描二维码
咨询诺瑞朗官方客服微信
中国
苏ICP备20011289号-1  苏公网安备32058502011222 网页地图 打印 推荐 Top
Copyright © 2025 norelem. 保留所有权利。 电话 +49 71 45/206-44 至 45 · 传真 +49 71 45/206-83