norelem 使用 Cookies 以优化设计和持续改进网页。您通过继续使用网页,同意使用 Cookies。在我们的数据保护声明中可以找到有关 Cookies 主题的详细信息。同意
不锈钢制伸缩滑轨,用于侧方安装,全部伸出,负载能力最大 80 kg
21334-86

不锈钢制伸缩滑轨,用于侧方安装,全部伸出,负载能力最大 80 kg

返回

商品描述/产品说明

产品说明产品描述:这款导轨非常适合厨房灶具,适用温度范围为 -20 °C 到 300 °C。它适合在工业、商业、住宅区以及户外区域等众多环境中使用。非常适合在要求苛刻的应用条件下使用,兼具功能性与高品质于一身。 材料:

不锈钢导轨 1.4301.
不锈钢滚珠轴承保持架 1.4301.
不锈钢滚珠 1.4034.

规格:亮色轨道。
亮色滚珠轴承保持架。
亮色滚珠。
订购须知:成对出售。提示:伸缩滑轨全部伸出时,行程近似于安装长度,确保操作更加舒适、灵活。伸缩滑轨的动态承重能力在充分利用拉伸距离时,为垂直安装的伸缩滑轨对提供最大承重能力。指定的负载能力以 450 mm 轨道距离确定,为 10,000 周期时的最大值。

水平安装时,承重能力减小约 75%。

固定螺栓的栓头高度不可超过 2.5 mm、栓头直径不可超过 9.6 mm,否则可能会与其他轨道部分发生碰撞。
温度范围:-20 °C 至 +300 °C附件:21335-85 伸缩滑轨不锈钢安装支架。特点:
不锈钢RoHS
下载此处为收集信息的 PDF:

查找 CAD 数据?请直接在产品列表中查找。
 Datasheet 21334-86 不锈钢制伸缩滑轨,用于侧方安装,全部伸出,负载能力最大 80 kg 214 kB

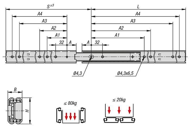
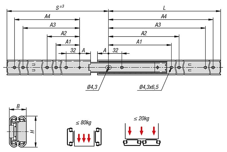
图纸

不锈钢制伸缩滑轨,用于侧方安装,全部伸出,负载能力最大 80 kg

商品选择/筛选

订货号

安装产品类型Fp1=
每对负载能力
10.000 zy。
包装形式CAD配件价格订购
21334-86-0300侧面装配标准型651 件 = 1 对 根据要求
21334-86-0350侧面装配标准型701 件 = 1 对 根据要求
21334-86-0400侧面装配标准型751 件 = 1 对 根据要求
21334-86-0450侧面装配标准型801 件 = 1 对 根据要求
21334-86-0500侧面装配标准型751 件 = 1 对 根据要求
21334-86-0550侧面装配标准型701 件 = 1 对 根据要求
21334-86-0600侧面装配标准型651 件 = 1 对 根据要求
21334-86-0650侧面装配标准型601 件 = 1 对 根据要求
21334-86-0700侧面装配标准型551 件 = 1 对 根据要求
订货号A

A1A2A3A4BH行程
S
LCAD配件价格订购
21334-86-030026--22425619,135,3317,4300 根据要求
21334-86-035026--25628819,135,3366,6350 根据要求
21334-86-040026-19232035219,135,3415,8400 根据要求
21334-86-045026-22435238419,135,3465450 根据要求
21334-86-05002625628841644819,135,3514,2500 根据要求
21334-86-05502628832048051219,135,3563,4550 根据要求
21334-86-06002632035251254419,135,3612,6600 根据要求
21334-86-06502632035257660819,135,3661,8650 根据要求
21334-86-07002635238460864019,135,3711700 根据要求
我的 norelemE-Mail密码
购物车
商品数量: 0
总数: 0.00  
点击购物车
欢迎扫描二维码
咨询诺瑞朗官方客服微信
中国
苏ICP备20011289号-1  苏公网安备32058502011222 网页地图 打印 推荐 Top
Copyright © 2025 norelem. 保留所有权利。 电话 +49 71 45/206-44 至 45 · 传真 +49 71 45/206-83