norelem 使用 Cookies 以优化设计和持续改进网页。您通过继续使用网页,同意使用 Cookies。在我们的数据保护声明中可以找到有关 Cookies 主题的详细信息。同意
钢制伸缩滑轨用于侧方安装,过度伸出,负载能力最大 160 kg
21335-20

钢制伸缩滑轨 用于侧方安装,过度伸出,负载能力最大 160 kg

返回

商品描述/产品说明

产品说明材料:钢制轨道。
钢制球轴承保持架。
钢制滚珠。
规格:镀锌轨道。
球轴承保持架镀锌。
经硬化处理的滚珠。
订购须知:成对出售。提示:过度伸出的伸缩滑轨中,冲程大于安装长度。闩锁位于关闭位置。伸缩滑轨的动态承载能力在充分利用拉伸距离时,为垂直安装的伸缩滑轨对提供最大负载能力。指定的负载能力以 450 mm 轨道距离来确定的,为 10,000 或 80,000 周期时的最大值。

不适合水平安装。
温度范围:-20 °C - +70 °C。优点:闩锁位于关闭位置
易运行
额外增加的导轨确保高度的侧方稳
特点:
RoHS

图纸

钢制伸缩滑轨用于侧方安装,过度伸出,负载能力最大 160 kg

商品选择/筛选

订货号制造商商品编号安装产品类型每对负载能力
(80,000 个循环)
kg
每对负载能力
(10,000 周期) kg
包装形式CAD配件价格订购
21335-20-0300DZ5321-0030侧面装配标准型1201301 件 = 1 对 根据要求
21335-20-0350DZ5321-0035侧面装配标准型1201401 件 = 1 对 根据要求
21335-20-0400DZ5321-0040侧面装配标准型1301501 件 = 1 对 根据要求
21335-20-0450DZ5321-0045侧面装配标准型1401601 件 = 1 对 根据要求
21335-20-0500DZ5321-0050侧面装配标准型1401601 件 = 1 对 根据要求
21335-20-0550DZ5321-0055侧面装配标准型1401601 件 = 1 对 根据要求
21335-20-0600DZ5321-0060侧面装配标准型1201501 件 = 1 对 根据要求
21335-20-0700DZ5321-0070-A侧面装配标准型1101301 件 = 1 对 根据要求
21335-20-0790DZ5321-0080-A侧面装配标准型1001001 件 = 1 对 根据要求
21335-20-0900DZ5321-0090-A侧面装配标准型80901 件 = 1 对 根据要求
21335-20-1000DZ5321-0100-A侧面装配标准型70801 件 = 1 对 根据要求
21335-20-1100DZ5321-0110-A侧面装配标准型60701 件 = 1 对 根据要求
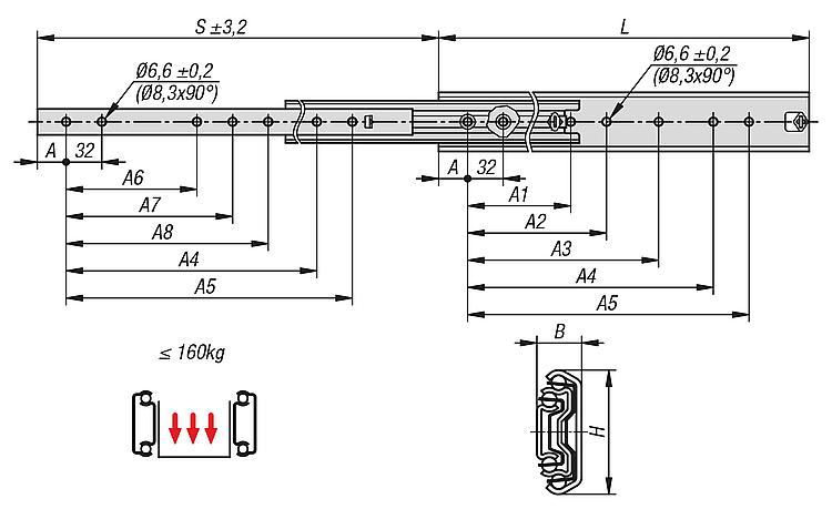
订货号A

A1A2A3A4A5A6A7A8BH行程
S
LCAD配件价格订购
21335-20-030026--192224224---19,153,1323300 根据要求
21335-20-035026--224256256---19,153,1373350 根据要求
21335-20-040026160192288320128160160-19,153,1423400 根据要求
21335-20-045026160192320352128160160-19,153,1473450 根据要求
21335-20-050026192224384416160192192-19,153,1523500 根据要求
21335-20-055026192224416448160192192-19,153,1573550 根据要求
21335-20-060026256288480512256288256-19,153,1623600 根据要求
21335-20-07002628832057660825628828854419,153,1723700 根据要求
21335-20-07902635238467270435238435238419,153,1803790 根据要求
21335-20-09002644848076880038441638441619,153,1923900 根据要求
21335-20-100026448480864896448480480-19,153,110231000 根据要求
21335-20-110026544573992102448051248051219,153,111231100 根据要求
我的 norelemE-Mail密码
购物车
商品数量: 0
总数: 0.00  
点击购物车
欢迎扫描二维码
咨询诺瑞朗官方客服微信
中国
苏ICP备20011289号-1  苏公网安备32058502011222 网页地图 打印 推荐 Top
Copyright © 2025 norelem. 保留所有权利。 电话 +49 71 45/206-44 至 45 · 传真 +49 71 45/206-83