norelem 使用 Cookies 以优化设计和持续改进网页。您通过继续使用网页,同意使用 Cookies。在我们的数据保护声明中可以找到有关 Cookies 主题的详细信息。同意
铝制伸缩滑轨用于侧方安装,全部伸出,负载能力最大 300 kg
21335-35

铝制伸缩滑轨 用于侧方安装,全部伸出,负载能力最大 300 kg

返回

商品描述/产品说明

产品说明材料:

铝制导轨 。
不锈钢滚珠轴承保持架 1.4301。
不锈钢滚珠 1.4021。

规格:亮色轨道。
亮色滚珠轴承保持架。
亮色滚珠。
订购须知:成对出售。提示:伸缩滑轨全部伸出时,行程与安装长度大概一致,确保操作更加舒适、灵活。伸缩滑轨的动态承载能力在充分利用拉伸距离时,为垂直安装的伸缩滑轨对提供最大负载能力。指定的负载能力以 600 mm 轨道距离确定,为 10,000 周期时的最大值。

不适合水平安装。

2,000 周期后,建议使用高压油脂重新润滑。

终端挡块已在指定负载能力下进行了 10 周期测试,
止动速度为0.8 m/s。此外,推荐使用外部终端挡块。
温度范围:-20 °C 至 +110 °C。

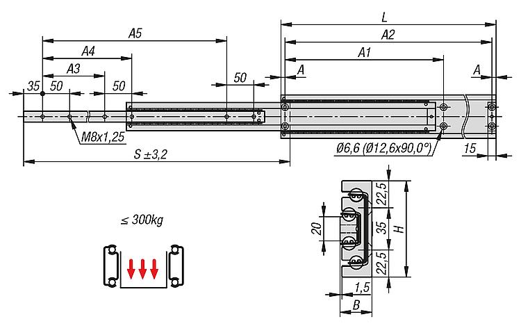
图纸

铝制伸缩滑轨用于侧方安装,全部伸出,负载能力最大 300 kg

商品选择/筛选

订货号

制造商商品编号安装产品类型负载能力
每对
kg
包装形式CAD配件价格订购
21335-35-0300DA4160-0030侧面装配标准型2401 件 = 1 对 根据要求
21335-35-0350DA4160-0035侧面装配标准型2551 件 = 1 对 根据要求
21335-35-0400DA4160-0040侧面装配标准型2701 件 = 1 对 根据要求
21335-35-0450DA4160-0045侧面装配标准型2851 件 = 1 对 根据要求
21335-35-0500DA4160-0050侧面装配标准型3001 件 = 1 对 根据要求
21335-35-0550DA4160-0055侧面装配标准型3001 件 = 1 对 根据要求
21335-35-0600DA4160-0060侧面装配标准型3001 件 = 1 对 根据要求
21335-35-0650DA4160-0065侧面装配标准型2951 件 = 1 对 根据要求
21335-35-0700DA4160-0070侧面装配标准型2901 件 = 1 对 根据要求
21335-35-0800DA4160-0080侧面装配标准型2701 件 = 1 对 根据要求
21335-35-0900DA4160-0090侧面装配标准型2501 件 = 1 对 根据要求
21335-35-1000DA4160-0100侧面装配标准型2301 件 = 1 对 根据要求
订货号A

A1A2A3A4A5BH行程
S
LCAD配件价格订购
21335-35-03007,5142,52857512515026,580300300 根据要求
21335-35-03507,5167,533510015020026,580350350 根据要求
21335-35-04007,5192,538512517525026,580400400 根据要求
21335-35-04507,5217,543515020030026,580450450 根据要求
21335-35-05007,5242,548517522535026,580500500 根据要求
21335-35-05507,5267,553520025040026,580550550 根据要求
21335-35-06007,5292,558522527545026,580600600 根据要求
21335-35-06507,5317,563525030050026,580650650 根据要求
21335-35-07007,5342,568527532555026,580700700 根据要求
21335-35-08007,5392,578532537565026,580800800 根据要求
21335-35-09007,5442,588537542575026,580900900 根据要求
21335-35-10007,5492,598542547585026,58010001000 根据要求
我的 norelemE-Mail密码
购物车
商品数量: 0
总数: 0.00  
点击购物车
欢迎扫描二维码
咨询诺瑞朗官方客服微信
中国
苏ICP备20011289号-1  苏公网安备32058502011222 网页地图 打印 推荐 Top
Copyright © 2025 norelem. 保留所有权利。 电话 +49 71 45/206-44 至 45 · 传真 +49 71 45/206-83