|
|
产品说明材料:钢制安装支架。规格:镀锌安装支架。订购须知:成对出售。 提示:作为地板安装或侧面安装的选择。附件:21334-20 钢制伸缩滑轨,用于侧面安装,部分伸出,负载能力高达 50 kg。
21334-45 钢制伸缩滑轨,用于侧面安装,部分伸出,负载能力高达 65 kg。
21334-70 钢制伸缩滑轨,用于侧面安装,过度伸出,负载能力高达 70 kg。
21334-75 钢制伸缩滑轨,用于侧面安装,过度伸出,负载能力高达 70 kg。
21334-65 钢制伸缩滑轨,用于侧面安装,过度伸出,负载能力高达 68 kg。
21334-55 钢制伸缩滑轨,用于侧面安装,过度伸出,负载能力高达 68 kg。
21334-60 钢制伸缩滑轨,用于侧面安装,过度伸出,负载能力高达 68 kg。
21335-10 钢制伸缩滑轨,用于侧面安装,全部伸出,负载能力高达 124 kg。
21335-20 钢制伸缩滑轨,用于侧面安装,过度伸出,负载能力高达 160 kg。
21334-90 钢制伸缩滑轨,用于侧面安装,过度伸出,负载能力高达 82 kg。特点: 下载此处为收集信息的 PDF:
查找 CAD 数据?请直接在产品列表中查找。
|
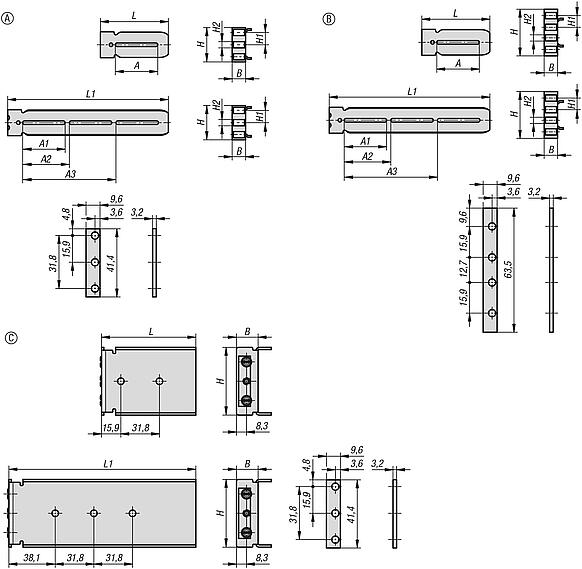
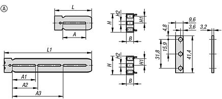
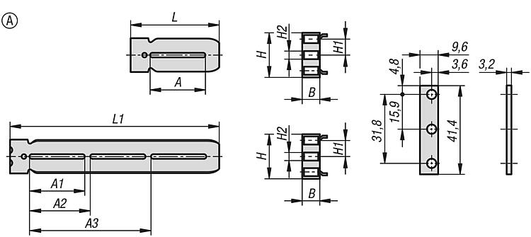
| 订货号 | 类型 | 形状类型 | A | A1 | A2 | A3 | B | H | H1 | H2 | L | L1 | CAD | 配件 | 价格 | 订购 |
|---|
| 21335-83-069043 | A | - | - | 76,2 | 82,6 | 165,1 | 15 | 43,7 | 15,9 | 6,5 | 69,9 | 266,7 |  | | 根据要求 | | | 21335-83-114044 | A | - | 66 | - | - | - | 18,3 | 44,5 | 15,2 | 7,4 | 114,6 | 114,6 |  | | 根据要求 | |
|
| 订货号 | 类型 | 形状类型 | A | A1 | A2 | A3 | B | H | H1 | H2 | L | L1 | CAD | 配件 | 价格 | 订购 |
|---|
| 21335-83-069057 | B | - | - | 76,2 | 82,6 | 165,1 | 15 | 57,2 | 12,7 | 6,35 | 69,9 | 266,7 |  | | 根据要求 | | | 21335-83-140060 | B | - | 96 | - | - | - | 14 | 60 | 15,9 | 5,5 | 140 | 140 |  | | 根据要求 | |
|
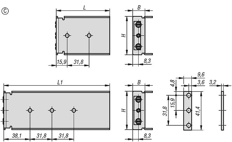
| 订货号 | 类型 | 形状类型 | B | H | L | L1 | CAD | 配件 | 价格 | 订购 |
|---|
| 21335-83-077055 | C | - | 17,8 | 55,7 | 77,6 | 153,8 |  | | 根据要求 | |
|
|
|