norelem 使用 Cookies 以优化设计和持续改进网页。您通过继续使用网页,同意使用 Cookies。在我们的
数据保护声明
中可以找到有关 Cookies 主题的详细信息。
同意
全球分布
创意
AGB
版权说明
数据保护
产品
企业信息
服务
下载
新闻
联系方式
产品概览
固定
灵活的标准件系统
装配
装配系统
运动
用于机床和设备制造的系统/组件
检查
量具检具组件
夹紧
夹紧技术
控制和调节
电动机构
输送
输送和移动技术
technoshop
norelem inch
英制产品目录
21972
位置指示器的手轮
返回
产品
产品概览
用于机床和设备制造的系统和组件
滑台、 导轨、 定位台、 小型滑动导轨、 位置指示器
位置指示器码尺
位置指示器的手轮
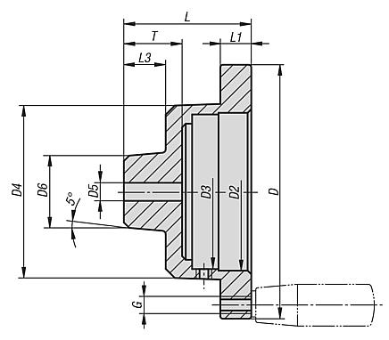
商品描述/产品说明
产品说明
材料:
铸铝。
规格:
亮色。
提示:
手轮具有用于收纳位置指示器的凹槽。
附件:
– 位置指示器 21962
– 球形手柄 06290 - 06320
特点:
下载
此处为收集信息的 PDF:
查找 CAD 数据?请直接在产品列表中查找。
Datasheet 21972 位置指示器的手轮
158 kB
图纸
商品选择/筛选
订货号
尺寸
D
D2
D3
D4
D5
预钻孔
D6
G
L
L1
L3
T
适用
CAD
配件
价格
订购
21972-801201
80
120
87
85,2
95
6,8
40
M6
64
15
23
30
尺寸 80 位置指示器
根据要求
21972-801401
80
140
87
85,2
95
6,8
40
M8
70
17
23
30
尺寸 80 位置指示器
根据要求
本类目的其他商品
<<
|
<
|
1-10
|
11-20
|
21-26
|
>
|
>>
21700
位置指示器,准绝对,不依赖电源,显示精度 10 µm,小型结构
21702
位置指示器,准绝对式,不依赖电源,显示精度 10 µm
21720
磁性传感器,被动传感器,微型结构
21725
磁带,增量编码刻度,5 mm 极距
21730
空心轴传感器带磁性探针
21740
变径轴套 不锈钢
21880
自贴型不锈钢制码尺
21882
铝制码尺,自粘或带孔,厚度 2 mm
21884
铝制码尺,自粘或带孔,厚度 6 mm
21886
自贴型
钢制标尺
<<
|
<
|
1-10
|
11-20
|
21-26
|
>
|
>>
我的 norelem
E-Mail
密码
忘记密码
首次登陆
购物车
商品数量:
0
总数:
0.00
€
点击购物车
欢迎扫描二维码
咨询诺瑞朗官方客服微信
Algérie
Andorra
Argentina
Australia
België
Bolivia
Bosna i Hercegovina
Brasil
Canada
Česká republika
Chile
中国
Colombia
Costa Rica
Cuba
Danmark
Dem. Peop. Rep. of Korea
Deutschland
Ecuador
Eesti
España
Georgia
香港
Hrvatska
India
Ireland
Ísland
Italia
Jamaica
日本
Latvija
Liechtenstein
Lietuvos
Luxemburg
Magyarország
Malaysia
Malta
México
Nederland
New Zealand
Norge
Österreich
Pakistan
Paraguay
Perú
Polska
Portugal
Principauté de Monaco
台灣
Rep. di San Marino
대한민국
România
Schweiz
Singapore
Slovenija
Slovensko
South Africa
Suomi
Sverige
Türkiye
United Kingdom
United States of America
Uruguay
Venezuela
Việt Nam
Ελλάδα
Κύπρος
Беларусь
България
Република Србија
Россия
Србија и Црна Гора
Україна
ישראל
الامارات العربية المتحدة
السعودية
ايران
مصر
ประเทศไทย
Chinese
English
苏ICP备20011289号-1
苏公网安备32058502011222
网页地图
打印
推荐
Top
Copyright © 2025 norelem. 保留所有权利。
电话 +49 71 45/206-44 至 45 · 传真 +49 71 45/206-83