|
|
|
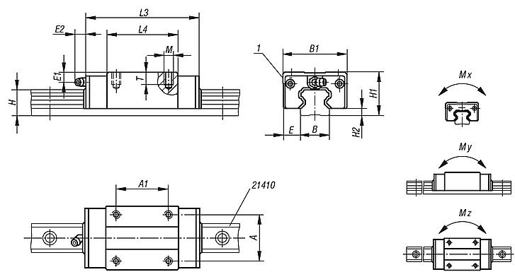
21400钢制标准导向滑座,带适配异型导轨的循环滚珠轴承导轨 |
返回 |
|
|
产品说明材料:调质钢主体。 滚动轴承钢制滚珠。 塑料制转向器。规格:亮色。提示:具有符合精度 N、无预应力(Z0)的循环滚珠轴承导轨的标准导向滑块。带两侧端部密封件。半圆拱轮廓的 4 列结构。滚道为 45°,因此可接收所有方向的负载。
高动态值:v = 5 m/s。
持续运行模式下的使用温度最高 80 °C。根据要求:可提供不同精度和预应力等级。注意:停产产品——仅限于有限时间内供应。图纸提示:特点: 下载此处为收集信息的 PDF:
查找 CAD 数据?请直接在产品列表中查找。
|
| 订货号 | 类型 2 | 尺寸 | Mx Nm | My Nm | Mz Nm | 额定负载 动态 N | 额定负载 静态 N | 润滑孔 | A | A1 | B | B1 | E | E1 | E2 | H | H1 | H2 | L3 | L4 | M | T | CAD | 配件 | 价格 | 订购 |
|---|
| 21400-15106601 | - | 15 | 70 | 50 | 50 | 6850 | 12700 | Ø3 | 26 | 26 | 15 | 34 | 9,5 | 8,3 | 5 | 14 | 28 | 4,6 | 66 | 40 | M4 | 6,4 |  | | 根据要求 | | | 21400-20107801 | - | 20 | 220 | 180 | 180 | 14500 | 25600 | M6x1 | 32 | 36 | 20 | 44 | 12 | 7 | 13,5 | 18 | 30 | 5 | 77,8 | 48,8 | M5 | 8 |  | | 根据要求 | | | 21400-25108801 | - | 25 | 360 | 320 | 310 | 21400 | 40000 | M6x1 | 35 | 35 | 23 | 48 | 12,5 | 11 | 13,5 | 22 | 40 | 7 | 88 | 57 | M6 | 9,6 |  | | 根据要求 | | | 21400-30110901 | - | 30 | 600 | 500 | 490 | 29800 | 54900 | M6x1 | 40 | 40 | 28 | 60 | 16 | 10 | 13 | 26 | 45 | 9 | 109 | 72 | M8 | 12,8 |  | | 根据要求 | | | 21400-25211001 | 加长型 | 25 | 504 | 448 | 434 | 29960 | 56000 | M6x1 | 35 | 50 | 23 | 48 | 12,5 | 11 | 13,5 | 22 | 40 | 7 | 110,1 | 79,1 | M6 | 9,6 |  | | 根据要求 | | | 21400-30213101 | 加长型 | 30 | 785 | 650 | 650 | 39000 | 71900 | M6x1 | 40 | 60 | 28 | 60 | 16 | 10 | 13 | 26 | 45 | 9 | 131,3 | 94,3 | M8 | 12,8 |  | | 根据要求 | |
|
|