|
|
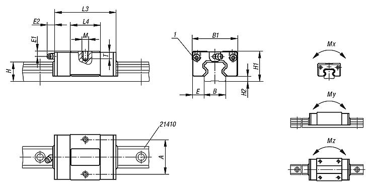
产品说明材料:调质钢主体。 滚动轴承钢制滚珠。 塑料制转向器。规格:亮色。提示:具有符合精度 N、无预应力(Z0)的循环滚珠轴承导轨的紧凑型、短型导向滑块。带两侧端部密封件。半圆拱轮廓的 4 列结构。滚道为 45°,因此可接收所有方向的负载。
高动态值:v = 5 m/s。
持续运行模式下的使用温度最高 80 °C。根据要求:可提供不同精度和预应力等级。注意:停产产品——仅限于有限时间内供应。图纸提示:特点: 下载此处为收集信息的 PDF:
查找 CAD 数据?请直接在产品列表中查找。
|
| 订货号 | 尺寸 | Mx Nm | My Nm | Mz Nm | 额定负载 动态 N | 额定负载 静态 N | 润滑孔 | A | B | B1 | E | E1 | E2 | H | H1 | H2 | L3 | L4 | M | T | CAD | 配件 | 价格 | 订购 |
|---|
| 21406-15004801 | 15 | 40 | 28 | 28 | 3900 | 7250 | Ø3 | 26 | 15 | 34 | 9,5 | 4,3 | 5 | 14 | 24 | 4,6 | 47,6 | 21,6 | M4 | 5,6 |  | | 根据要求 | | | 21406-20005801 | 20 | 126 | 103 | 103 | 8300 | 14700 | M6x1 | 32 | 20 | 42 | 11 | 5 | 13,5 | 18 | 28 | 5 | 58 | 28 | M5 | 7 |  | | 根据要求 | | | 21406-25006301 | 25 | 200 | 175 | 172 | 11900 | 22300 | M6x1 | 35 | 23 | 48 | 12,5 | 4,8 | 13,5 | 22 | 33 | 7 | 62,5 | 31,5 | M6 | 8,4 |  | | 根据要求 | | | 21406-30007601 | 30 | 320 | 270 | 270 | 15950 | 29400 | M6x1 | 40 | 28 | 60 | 16 | 7 | 13 | 26 | 42 | 9 | 75,6 | 38,6 | M8 | 11,2 |  | | 根据要求 | |
|
|