norelem 使用 Cookies 以优化设计和持续改进网页。您通过继续使用网页,同意使用 Cookies。在我们的
数据保护声明
中可以找到有关 Cookies 主题的详细信息。
同意
全球分布
创意
AGB
版权说明
数据保护
产品
企业信息
服务
下载
新闻
联系方式
产品概览
固定
灵活的标准件系统
装配
装配系统
运动
用于机床和设备制造的系统/组件
检查
量具检具组件
夹紧
夹紧技术
控制和调节
电动机构
输送
输送和移动技术
technoshop
norelem inch
英制产品目录
21150
转盘
返回
产品
产品概览
用于机床和设备制造的系统和组件
滑台、 导轨、 定位台、 小型滑动导轨、 位置指示器
定位系统
转盘
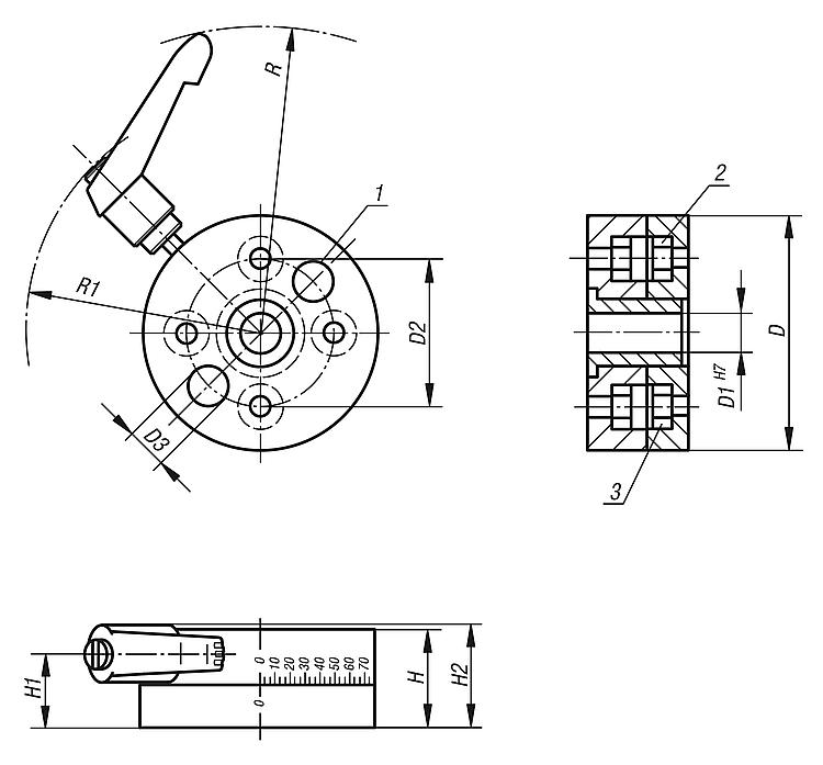
商品描述/产品说明
产品说明
材料:
铝合金制基体和转盘。
不锈钢制轴。
规格:
经阳极氧化处理的基体和转盘。
提示:
通过松开夹紧杆可以将转盘旋转至基体上。可 360° 旋转。转盘每 90° 啮合一次(21150-25 每 45°)。栅栏由一个可轻松移除的推力球件组成。
2° 精确刻度用于角度调整。
转盘可在模块设计原理下以其各自的结构尺寸轻松组合。
图纸提示:
1) 用于压出螺母的安装孔
2) 六角螺母 DIN 934 (8X) 可以压出 M (D4)
3) 沉孔符合 DIN 974-1 (D4)
特点:
下载
此处为收集信息的 PDF:
查找 CAD 数据?请直接在产品列表中查找。
Datasheet 21150 转盘
323 kB
图纸
商品选择/筛选
订货号
D
D1
D2
D3
D4
H
H1
H2
R
R1
F1
N
F2
N
F3
N
M1
Nm
CAD
配件
价格
订购
21150-04
35
6
22
6
3
15
9,5
16,5
64
44
50
30
50
2
根据要求
21150-08
54
16
36
8
4
20
13,5
20,5
73
56
100
70
100
10
根据要求
21150-12
80
25
60
13
6
25
17,5
24,5
85
69
150
100
150
15
根据要求
21150-25
150
55
130
18,5
10
40
26
35,5
139
110
300
200
300
50
根据要求
本类目的其他商品
<<
|
<
|
1-10
|
11-20
|
21-26
|
>
|
>>
21100
短型定位台
21102
带位置指示器的短型定位台
21104
带电子位置指示器的短型定位台
21120
长型定位台
21122
带位置指示器的长型定位台
21124
带电子位置指示器的长型定位台
21130
短滑台
21132
十字台,短款,带位置指示器
21133
带电子位置指示器的短型十字台
21134
十字台,长款
<<
|
<
|
1-10
|
11-20
|
21-26
|
>
|
>>
我的 norelem
E-Mail
密码
忘记密码
首次登陆
购物车
商品数量:
0
总数:
0.00
€
点击购物车
欢迎扫描二维码
咨询诺瑞朗官方客服微信
摆动角
Algérie
Andorra
Argentina
Australia
België
Bolivia
Bosna i Hercegovina
Brasil
Canada
Česká republika
Chile
中国
Colombia
Costa Rica
Cuba
Danmark
Dem. Peop. Rep. of Korea
Deutschland
Ecuador
Eesti
España
Georgia
香港
Hrvatska
India
Ireland
Ísland
Italia
Jamaica
日本
Latvija
Liechtenstein
Lietuvos
Luxemburg
Magyarország
Malaysia
Malta
México
Nederland
New Zealand
Norge
Österreich
Pakistan
Paraguay
Perú
Polska
Portugal
Principauté de Monaco
台灣
Rep. di San Marino
대한민국
România
Schweiz
Singapore
Slovenija
Slovensko
South Africa
Suomi
Sverige
Türkiye
United Kingdom
United States of America
Uruguay
Venezuela
Việt Nam
Ελλάδα
Κύπρος
Беларусь
България
Република Србија
Россия
Србија и Црна Гора
Україна
ישראל
الامارات العربية المتحدة
السعودية
ايران
مصر
ประเทศไทย
Chinese
English
苏ICP备20011289号-1
苏公网安备32058502011222
网页地图
打印
推荐
Top
Copyright © 2025 norelem. 保留所有权利。
电话 +49 71 45/206-44 至 45 · 传真 +49 71 45/206-83