norelem 使用 Cookies 以优化设计和持续改进网页。您通过继续使用网页,同意使用 Cookies。在我们的数据保护声明中可以找到有关 Cookies 主题的详细信息。同意

商品描述/产品说明

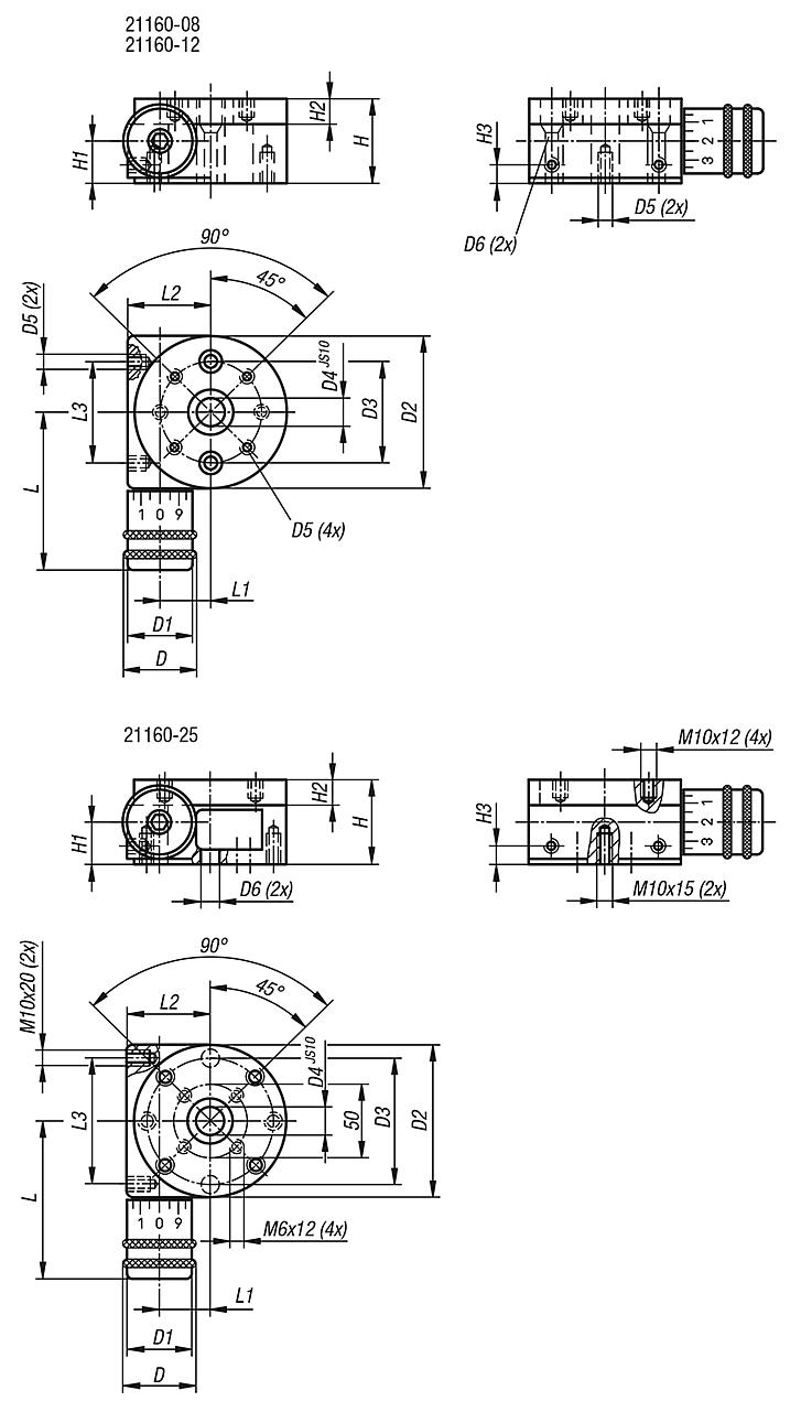
产品说明材料:铝合金制基体和圆台,经阳极氧化处理。
钢制丝杠,经渗碳硬化处理。
滑动轴承丝杠支承,免维护。
规格:旋转轴的径向间隙 < 0.015mm。
旋转轴的轴向间隙 < 0.02mm。
重复精度 < 0.05°。
自锁型丝杠。
提示:调节行程为 360°,无末端挡块。
刻度为 10 条刻度线。
传动比:
21160-08 = 50:1
21160-12 = 55:1
21160-25 = 50:1

定位圆台可在模块设计原理下以其各自的结构尺寸轻松组合。
图纸提示:
依照 DIN 74-Bm (D6) 的所有沉孔
特点:
RoHS
下载此处为收集信息的 PDF:

查找 CAD 数据?请直接在产品列表中查找。
 Datasheet 21160 定位圆台 428 kB

图纸

定位圆台
定位圆台

商品选择/筛选

订货号D

D1D2D3D4D5D6HH1H2H3LL1L2L3F1
N
F2
N
F3
N
M1
Nm
状态CAD配件价格订购
21160-082623543610M4x64301496561729365005002003 根据要求
21160-122623806015M6x964017,5126693143605005002005 根据要求
21160-25514615013040-10,27535181213453801301000100050010余货 根据要求
我的 norelemE-Mail密码
购物车
商品数量: 0
总数: 0.00  
点击购物车
欢迎扫描二维码
咨询诺瑞朗官方客服微信
摆动角
中国
苏ICP备20011289号-1  苏公网安备32058502011222 网页地图 打印 推荐 Top
Copyright © 2025 norelem. 保留所有权利。 电话 +49 71 45/206-44 至 45 · 传真 +49 71 45/206-83