norelem 使用 Cookies 以优化设计和持续改进网页。您通过继续使用网页,同意使用 Cookies。在我们的
数据保护声明
中可以找到有关 Cookies 主题的详细信息。
同意
全球分布
创意
AGB
版权说明
数据保护
产品
企业信息
服务
下载
新闻
联系方式
产品概览
固定
灵活的标准件系统
装配
装配系统
运动
用于机床和设备制造的系统/组件
检查
量具检具组件
夹紧
夹紧技术
控制和调节
电动机构
输送
输送和移动技术
technoshop
norelem inch
英制产品目录
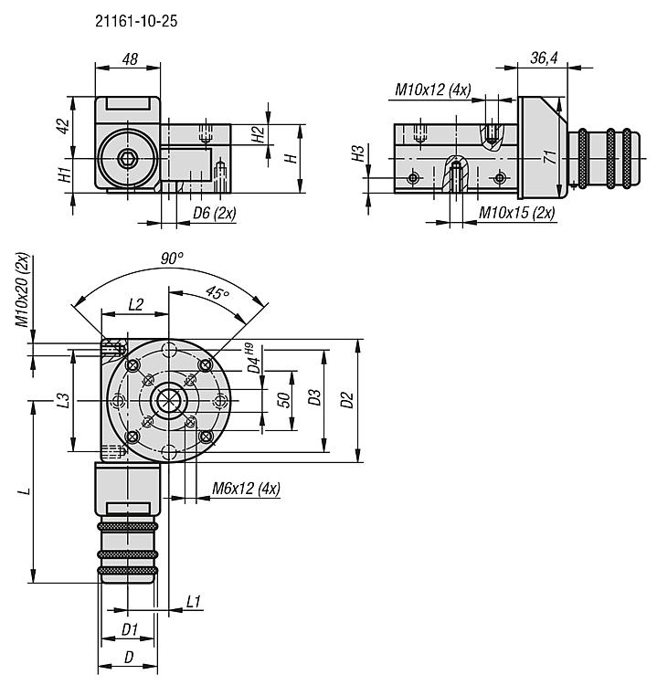
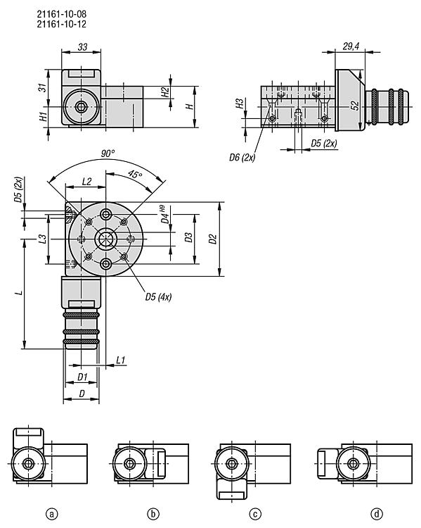
21161-10
带电子位置指示器的定位圆台
返回
产品
产品概览
用于机床和设备制造的系统和组件
滑台、 导轨、 定位台、 小型滑动导轨、 位置指示器
定位系统
带电子位置指示器的定位圆台
商品描述/产品说明
产品说明
材料:
铝合金制基体和圆台,经阳极氧化处理。
钢制丝杠,经渗碳硬化处理。
滑动轴承丝杠支承,免维护。
塑料制位置指示器。
规格:
旋转轴的径向间隙 < 0.015mm。
旋转轴的轴向间隙 < 0.02mm。
重复精度 < 0.05°。
自锁型丝杠。
提示:
调节行程为 360°,无限位挡块。
位置指示器以 0.1° 步幅顺时针计数。旋转角度直接显示在大型 LCD 显示屏上。圆台按逆时针方向转动。通过键盘操作装置可进行复位、增量尺寸及偏移设置。
该电池使用寿命为 2 年。电池更换快速方便。
位置指示器的安装位置可借助螺栓固定在 4 个位置。
传动比:
21161-10-08 = 50:1
21161-10-12 = 55:1
21161-10-25 = 50:1
定位圆台可在模块设计原理下以其各自的结构尺寸轻松组合。
图纸提示:
位置指示器的安装位置:
a) 上(默认)
b) 右
c) 下
d) 左
依照 DIN 74-Bm (D6) 的所有沉孔
特点:
下载
此处为收集信息的 PDF:
查找 CAD 数据?请直接在产品列表中查找。
Datasheet 21161-10 带电子位置指示器的定位圆台
526 kB
图纸
商品选择/筛选
订货号
D
D1
D2
D3
D4
D5
D6
H
H1
H2
H3
L
L1
L2
L3
F1
N
F2
N
F3
N
M1
Nm
CAD
配件
价格
订购
21161-10-08
26
23
54
36
10
M4x6
4
30
14
9
6
86
17
29
36
500
500
200
3
根据要求
21161-10-12
26
23
80
60
15
M6x9
6
40
17,5
12
6
99
31
60
60
500
500
200
5
根据要求
21161-10-25
51
46
150
130
40
-
10,4
75
35
18
12
161
53
80
130
1000
1000
500
10
根据要求
本类目的其他商品
<<
|
<
|
1-10
|
11-20
|
21-26
|
>
|
>>
21100
短型定位台
21102
带位置指示器的短型定位台
21104
带电子位置指示器的短型定位台
21120
长型定位台
21122
带位置指示器的长型定位台
21124
带电子位置指示器的长型定位台
21130
短滑台
21132
十字台,短款,带位置指示器
21133
带电子位置指示器的短型十字台
21134
十字台,长款
<<
|
<
|
1-10
|
11-20
|
21-26
|
>
|
>>
我的 norelem
E-Mail
密码
忘记密码
首次登陆
购物车
商品数量:
0
总数:
0.00
€
点击购物车
欢迎扫描二维码
咨询诺瑞朗官方客服微信
摆动角
Algérie
Andorra
Argentina
Australia
België
Bolivia
Bosna i Hercegovina
Brasil
Canada
Česká republika
Chile
中国
Colombia
Costa Rica
Cuba
Danmark
Dem. Peop. Rep. of Korea
Deutschland
Ecuador
Eesti
España
Georgia
香港
Hrvatska
India
Ireland
Ísland
Italia
Jamaica
日本
Latvija
Liechtenstein
Lietuvos
Luxemburg
Magyarország
Malaysia
Malta
México
Nederland
New Zealand
Norge
Österreich
Pakistan
Paraguay
Perú
Polska
Portugal
Principauté de Monaco
台灣
Rep. di San Marino
대한민국
România
Schweiz
Singapore
Slovenija
Slovensko
South Africa
Suomi
Sverige
Türkiye
United Kingdom
United States of America
Uruguay
Venezuela
Việt Nam
Ελλάδα
Κύπρος
Беларусь
България
Република Србија
Россия
Србија и Црна Гора
Україна
ישראל
الامارات العربية المتحدة
السعودية
ايران
مصر
ประเทศไทย
Chinese
English
苏ICP备20011289号-1
苏公网安备32058502011222
网页地图
打印
推荐
Top
Copyright © 2025 norelem. 保留所有权利。
电话 +49 71 45/206-44 至 45 · 传真 +49 71 45/206-83