norelem 使用 Cookies 以优化设计和持续改进网页。您通过继续使用网页,同意使用 Cookies。在我们的数据保护声明中可以找到有关 Cookies 主题的详细信息。同意

商品描述/产品说明

产品说明材料:铝制基体。
不锈钢制空心轴。
钢制滚珠。
规格:铝制,经阳极氧化处理。
轴瓦涂有 PTFE 涂层。
提示:反向轴承可与定位圆台(21160、21161 和 21161-10)组合使用,以支撑需要旋转定位的长型上部构造。
反向轴承的转盘具有浮动轴承的特性,可以补偿轴向和角度误差。
由于采用了 PTFE 涂层,滑动轴承无需维护。
此外,塑料密封元件还能保护反向轴承免受污染。
尺寸和孔型与定位圆台(21160、21161 和 21161-10)基本相同。
特点:
RoHS
下载此处为收集信息的 PDF:

查找 CAD 数据?请直接在产品列表中查找。
 Datasheet 21161-20 适用于定位圆台的反向轴承 223 kB

图片(总概述)

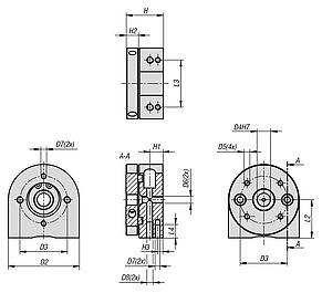
适用于定位圆台的反向轴承

适用于定位圆台的反向轴承, A 型

更多信息

图纸

适用于定位圆台的反向轴承, A 型

商品选择/筛选

订货号尺寸类型形状类型HH1H3L2L3L4D2D3D4D5D6D7D8CAD配件价格订购
21161-20-0088A无刻度28104293610543610M4M5M4M5 根据要求
21161-20-01212A无刻度3812,54436012806015M66,5M6M06 根据要求

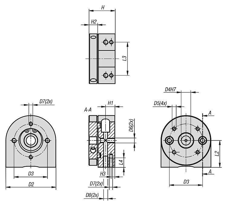
适用于定位圆台的反向轴承, B 型

更多信息

图纸

适用于定位圆台的反向轴承, B 型

商品选择/筛选

订货号尺寸类型形状类型HH1H3L2L3L4D2D3D4D5D6D7D8CAD配件价格订购
21161-20-11212B带刻度3812,54436012806015M66,5M6M06 根据要求
21161-20-1088B带刻度28104293610543610M4M5M4M5 根据要求
我的 norelemE-Mail密码
购物车
商品数量: 0
总数: 0.00  
点击购物车
欢迎扫描二维码
咨询诺瑞朗官方客服微信
摆动角
中国
苏ICP备20011289号-1  苏公网安备32058502011222 网页地图 打印 推荐 Top
Copyright © 2025 norelem. 保留所有权利。 电话 +49 71 45/206-44 至 45 · 传真 +49 71 45/206-83