|
|
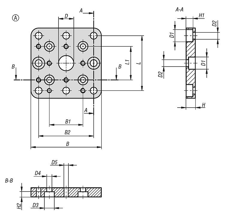
产品说明材料:铝制基体。规格:铝制,经阳极氧化处理。提示:定位系统的转接板可用于连接不同尺寸的定位系统。
示例: 短型定位台 21100-04 可与短型定位台 21100-08 组合使用。 定位圆台 21160-12,可与带同轴电气动驱动的定位圆台 21085-120 结合使用。 长型定位台 21120-25 可与长型定位台 21120-08 组合使用。特点: 下载此处为收集信息的 PDF:
查找 CAD 数据?请直接在产品列表中查找。
|
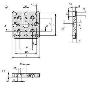
| 订货号 | 类型 | 尺寸 | B | L | H | D
| B1 | B2 | L1 | H1 | H2 | D1 | D2 | D3 | D4 | D5 | CAD | 配件 | 价格 | 订购 |
|---|
| 21161-30-08046 | A | 8 | 46 | 36 | 6 | 10 | 22 | 36 | 22 | 4,4 | 3,4 | 8 | 4,5 | 6,5 | 3,4 | M3 |  | | 根据要求 | |
|
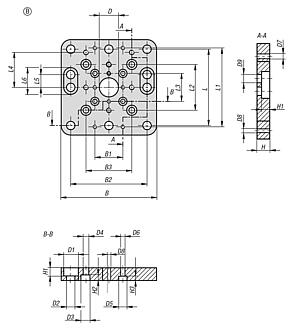
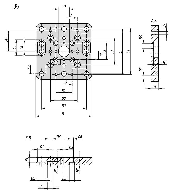
| 订货号 | 类型 | 尺寸 | B | L | H | D
| B1 | B2 | B3 | L2 | L1 | L3 | L4 | L5 | L6 | H1 | H2 | H3 | D1 | D2 | D3 | D4 | D5 | D6 | D7 | D8 | D9 | CAD | 配件 | 价格 | 订购 |
|---|
| 21161-30-12075 | B | 12 | 75 | 60 | 10 | 15 | 22 | 60 | 36 | 36 | 62 | 22 | 27,5 | 10 | 21 | 6,4 | 4,4 | 3,4 | 11 | 6,6 | 8 | 4,5 | 6,5 | 3,4 | M4 | M03 | 6,6 |  | | 根据要求 | |
|
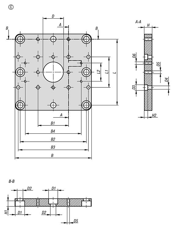
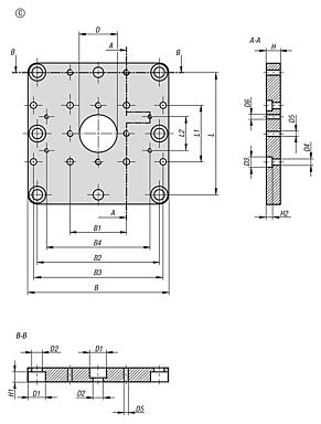
| 订货号 | 类型 | 尺寸 | B | L | H | D
| B1 | B2 | B3 | B4 | L2 | L1 | H1 | H2 | D1 | D2 | D3 | D4 | D5 | D6 | CAD | 配件 | 价格 | 订购 |
|---|
| 21161-30-25150 | C | 25 | 150 | 130 | 15 | 40 | 60 | 130 | 138 | 110 | 36 | 60 | 10,6 | 6,4 | 18 | 11 | 11 | 6,6 | M6 | M4 |  | | 根据要求 | |
|
|
|