norelem 使用 Cookies 以优化设计和持续改进网页。您通过继续使用网页,同意使用 Cookies。在我们的
数据保护声明
中可以找到有关 Cookies 主题的详细信息。
同意
全球分布
创意
AGB
版权说明
数据保护
产品
企业信息
服务
下载
新闻
联系方式
产品概览
固定
灵活的标准件系统
装配
装配系统
运动
用于机床和设备制造的系统/组件
检查
量具检具组件
夹紧
夹紧技术
控制和调节
电动机构
输送
输送和移动技术
technoshop
norelem inch
英制产品目录
21516-10
钢制滚子导轨
返回
产品
产品概览
用于机床和设备制造的系统和组件
滑台、 导轨、 定位台、 小型滑动导轨、 位置指示器
线性滚珠轴承
钢制滚子导轨
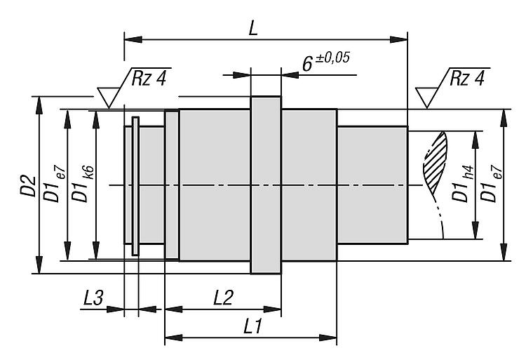
商品描述/产品说明
产品说明
材料:
渗碳钢制导向衬套 1.7139。
黄铜球笼。
规格:
钢表面硬化。
提示:
滚子导轨可用于工具和模具制造。
滚子导轨提供精确的线性引导、高负载能力、良好的精度、坚固性和低摩擦移动。其特性有助于提高生产质量,克服复杂生产工艺的挑战。
特点:
下载
此处为收集信息的 PDF:
查找 CAD 数据?请直接在产品列表中查找。
Datasheet 21516-10 钢制滚子导轨
357 kB
导杆和导向螺栓
1,5 MB
图纸
商品选择/筛选
订货号
D
D1
D2
L
L1
L2
L3
CAD
配件
价格
订购
21516-10-1240
12
22
26
40
24
18
2,5
根据要求
21516-10-1256
12
22
26
56
24
18
2,5
根据要求
21516-10-1845
18
30
35
45
34
23
2,8
根据要求
21516-10-1856
18
30
35
56
34
23
2,8
根据要求
21516-10-1871
18
30
35
71
34
23
2,8
根据要求
21516-10-3056
30
46
52
56
54
33
4,8
根据要求
21516-10-3075
30
46
52
75
54
33
4,8
根据要求
21516-10-3095
30
46
52
95
54
33
4,8
根据要求
本类目的其他商品
<<
|
<
|
1-10
|
11-12
|
>
|
>>
21495-01
线性滑动轴承
21500
带塑料保持架的线性滚珠轴承
21500-10
钢制串联线性滚珠轴承,带塑料保持架
21505
带钢保持架的线性滚珠轴承
21505-01
不锈钢制线性滚珠轴承
21510
带角度误差补偿的线性滚珠轴承
21511
微型线性滚珠轴承
21511-01
紧凑型塑料制线性滚珠轴承
带角度误差补偿
21511-02
紧凑型钢制线性滚珠轴承
21515
带角度误差补偿的线性滚珠轴承,高承载量
<<
|
<
|
1-10
|
11-12
|
>
|
>>
我的 norelem
E-Mail
密码
忘记密码
首次登陆
购物车
商品数量:
0
总数:
0.00
€
点击购物车
欢迎扫描二维码
咨询诺瑞朗官方客服微信
Algérie
Andorra
Argentina
Australia
België
Bolivia
Bosna i Hercegovina
Brasil
Canada
Česká republika
Chile
中国
Colombia
Costa Rica
Cuba
Danmark
Dem. Peop. Rep. of Korea
Deutschland
Ecuador
Eesti
España
Georgia
香港
Hrvatska
India
Ireland
Ísland
Italia
Jamaica
日本
Latvija
Liechtenstein
Lietuvos
Luxemburg
Magyarország
Malaysia
Malta
México
Nederland
New Zealand
Norge
Österreich
Pakistan
Paraguay
Perú
Polska
Portugal
Principauté de Monaco
台灣
Rep. di San Marino
대한민국
România
Schweiz
Singapore
Slovenija
Slovensko
South Africa
Suomi
Sverige
Türkiye
United Kingdom
United States of America
Uruguay
Venezuela
Việt Nam
Ελλάδα
Κύπρος
Беларусь
България
Република Србија
Россия
Србија и Црна Гора
Україна
ישראל
الامارات العربية المتحدة
السعودية
ايران
مصر
ประเทศไทย
Chinese
English
苏ICP备20011289号-1
苏公网安备32058502011222
网页地图
打印
推荐
Top
Copyright © 2025 norelem. 保留所有权利。
电话 +49 71 45/206-44 至 45 · 传真 +49 71 45/206-83