norelem 使用 Cookies 以优化设计和持续改进网页。您通过继续使用网页,同意使用 Cookies。在我们的数据保护声明中可以找到有关 Cookies 主题的详细信息。同意

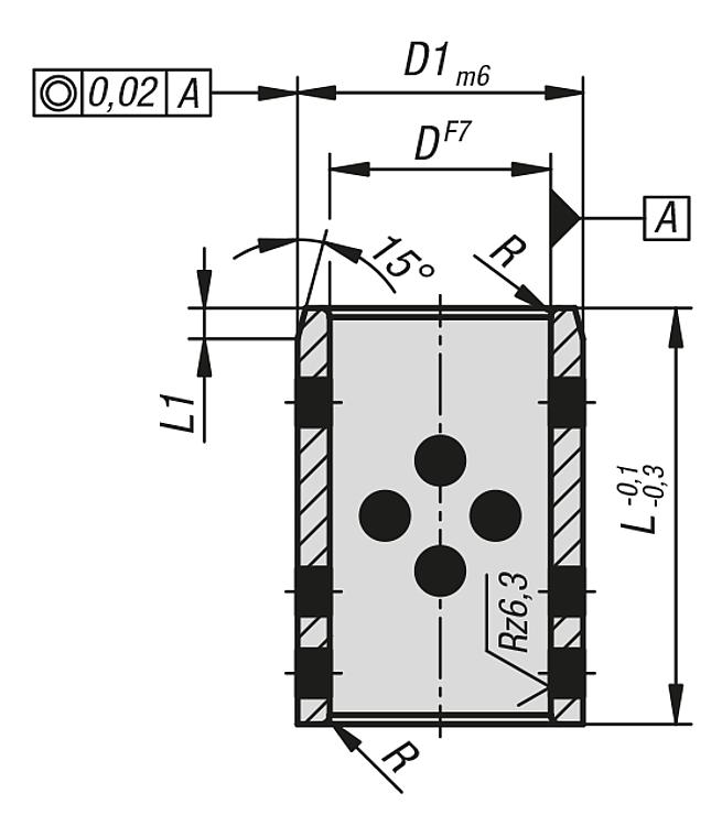
商品描述/产品说明

产品说明材料:青铜,石墨嵌入件。规格:自润滑性。
硬度 190-220 HB。
提示:导向衬套可用于径向及轴向。
滑动部件无需维修,耐磨损。
使用石墨可以保持始终润滑。

最好用于滑动速度 < 0.5 米/秒。(在更高的滑动速度要求中建议增加润滑)
技术参数:

材料特性:
基本合金:CuZn25Al5Mn4Fe3-C
密度: 8.0 克/厘米3
拉抗强度 Rm:750 N/mm2
屈服极限:450 N/mm2
断裂延伸率 A5:5-8 %
摩擦系数:0.05 - 0.12
最大速度:15 m/Min
导热率:50 W/m x k
热膨胀系数: 18 x 10-6
导电性:7-8 m/(Ω x mm2)
固体润滑比例:25-30 %

温度范围:最高耐温 150 °C。公差:滑动轴承的定位内口应该符合 ISO 允差 H7。

对于轴来说,建议允差为 h6 至 h7。
下载此处为收集信息的 PDF:

查找 CAD 数据?请直接在产品列表中查找。
 Datasheet 23680 导向衬套,青铜,免维护 377 kB
 导杆和导向螺栓 1,5 MB

图纸

导向衬套,青铜,免维护

商品概述(精简)

商品选择/筛选
订货号D

D1LL1RCAD配件价格订购
23680-0080110148111411 根据要求
23680-0080110158111511 根据要求
23680-008012008812811 根据要求
23680-0080120108121011 根据要求
23680-0080120128121211 根据要求
23680-0080120158121511 根据要求
23680-0100140081014811 根据要求
23680-01001401010141011 根据要求
23680-01001401210141211 根据要求
23680-01001401510141511 根据要求
23680-01001402010142011 根据要求
23680-01001501010151011 根据要求
23680-01201601012161021 根据要求
23680-01201601212161221 根据要求
23680-01201602012162021 根据要求
23680-01201801012181021 根据要求
23680-01201801212181221 根据要求
23680-01201801512181521 根据要求
23680-01201801612181621 根据要求
23680-01201802012182021 根据要求
23680-01201802512182521 根据要求
23680-01201803012183021 根据要求
23680-01301901013191021 根据要求
23680-01301901613191621 根据要求
23680-01301902013192021 根据要求
23680-01402001014201021 根据要求
23680-01402001214201221 根据要求
23680-01402001514201521 根据要求
23680-01402002014202021 根据要求
23680-01402002514202521 根据要求
23680-01402003014203021 根据要求
23680-01502101015211021 根据要求
23680-01502101215211221 根据要求
23680-01502101515211521 根据要求
23680-01502102015212021 根据要求
23680-01502102515212521 根据要求
23680-01502103015213021 根据要求
23680-01602001616201621 根据要求
23680-01602002016202021 根据要求
23680-01602002516202521 根据要求
23680-01602002816202821 根据要求
23680-01602201016221021 根据要求
23680-01602201216221221 根据要求
23680-01602201516221521 根据要求
23680-01602201616221621 根据要求
23680-01602202016222021 根据要求
23680-01602202516222521 根据要求
23680-01602203016223021 根据要求
23680-01602203516223521 根据要求
23680-01602204016224021 根据要求
23680-01802401218241221 根据要求
23680-01802401518241521 根据要求
23680-01802401618241621 根据要求
23680-01802401818241821 根据要求
23680-01802402018242021 根据要求
23680-01802402518242521 根据要求
23680-01802403018243021 根据要求
23680-01802403518243521 根据要求
23680-01802404018244021 根据要求
23680-01902601519261521 根据要求
23680-01902602019262021 根据要求
23680-02002601520261531 根据要求
23680-02002602020262031 根据要求
23680-02002602520262531 根据要求
23680-02002603020263031 根据要求
23680-02002801020281021 根据要求
23680-02002801220281221 根据要求
23680-02002801520281521 根据要求
23680-02002801620281621 根据要求
23680-02002802020282021 根据要求
23680-02002802520282521 根据要求
23680-02002803020283021 根据要求
23680-02002803520283521 根据要求
23680-02002804020284021 根据要求
23680-02002805020285021 根据要求
23680-02003001620301621 根据要求
23680-02003002020302021 根据要求
23680-02003002520302521 根据要求
23680-02003003020303021 根据要求
23680-02003003520303521 根据要求
23680-02003004020304021 根据要求
23680-02203201222321232 根据要求
23680-02203201522321532 根据要求
23680-02203202022322032 根据要求
23680-02203202522322532 根据要求
23680-02503002025302032 根据要求
23680-02503301225331232 根据要求
23680-02503301625331632 根据要求
23680-02503302025332032 根据要求
23680-02503302525332532 根据要求
23680-02503303025333032 根据要求
23680-02503303525333532 根据要求
23680-02503304025334032 根据要求
23680-02503305025335032 根据要求
23680-02503306025336032 根据要求
23680-02503501225351232 根据要求
23680-02503501625351632 根据要求
23680-02503502025352032 根据要求
23680-02503502525352532 根据要求
23680-02503503025353032 根据要求
23680-02503503525353532 根据要求
23680-02503504025354032 根据要求
23680-02503505025355032 根据要求
23680-02503506025356032 根据要求
23680-03003801530381532 根据要求
23680-03003802030382032 根据要求
23680-03003802530382532 根据要求
23680-03003803030383032 根据要求
23680-03003803530383532 根据要求
23680-03003804030384032 根据要求
23680-03003804530384532 根据要求
23680-03003805030385032 根据要求
23680-03003806030386032 根据要求
23680-03004002030402032 根据要求
23680-03004002530402532 根据要求
23680-03004003030403032 根据要求
23680-03004003530403532 根据要求
23680-03004004030404032 根据要求
23680-03004005030405032 根据要求
23680-03004006030406032 根据要求
23680-03004504030454032 根据要求
23680-03104003031403032 根据要求
23680-03104004031404032 根据要求
23680-03204203032423032 根据要求
23680-03204204032424032 根据要求
23680-03504402535442532 根据要求
23680-03504403535443532 根据要求
23680-03504404035444032 根据要求
23680-03504405035445032 根据要求
23680-03504406035446032 根据要求
23680-03504502035452032 根据要求
23680-03504502535452532 根据要求
23680-03504503035453032 根据要求
23680-03504503535453532 根据要求
23680-03504504035454032 根据要求
23680-03504504535454532 根据要求
23680-03504505035455032 根据要求
23680-03504506035456032 根据要求
23680-035045100354510032 根据要求
23680-03804803038483032 根据要求
23680-03804804038484032 根据要求
23680-04005002040502032 根据要求
23680-04005002540502532 根据要求
23680-04005003040503032 根据要求
23680-04005003540503532 根据要求
23680-04005004040504032 根据要求
23680-04005005040505032 根据要求
23680-04005006040506032 根据要求
23680-04005008040508032 根据要求
23680-04005502540552532 根据要求
23680-04005503040553032 根据要求
23680-04005503540553532 根据要求
23680-04005504040554032 根据要求
23680-04005505040555032 根据要求
23680-04005506040556032 根据要求
23680-04505503045553032 根据要求
23680-04505503545553532 根据要求
23680-04505504045554032 根据要求
23680-04505505045555032 根据要求
23680-04505506045556032 根据要求
23680-045055110455511032 根据要求
23680-04505603045563032 根据要求
23680-04505603545563532 根据要求
23680-04505604045564032 根据要求
23680-04505605045565032 根据要求
23680-04505606045566032 根据要求
23680-04506003045603032 根据要求
23680-04506004045604032 根据要求
23680-04506005045605032 根据要求
23680-04506006045606032 根据要求
23680-04506007045607032 根据要求
23680-04506008045608032 根据要求
23680-05006003050603032 根据要求
23680-05006003550603532 根据要求
23680-05006004050604032 根据要求
23680-05006005050605032 根据要求
23680-05006006050606032 根据要求
23680-05006007050607032 根据要求
23680-05006008050608032 根据要求
23680-05006203050623032 根据要求
23680-05006203550623532 根据要求
23680-05006204050624032 根据要求
23680-05006205050625032 根据要求
23680-05006206050626032 根据要求
23680-05006207050627032 根据要求
23680-05006208050628032 根据要求
23680-05006503050653032 根据要求
23680-05006504050654032 根据要求
23680-05006505050655032 根据要求
23680-05006506050656032 根据要求
23680-05006507050657032 根据要求
23680-05006508050658032 根据要求
23680-050065100506510032 根据要求
我的 norelemE-Mail密码
购物车
商品数量: 0
总数: 0.00  
点击购物车
欢迎扫描二维码
咨询诺瑞朗官方客服微信
中国
苏ICP备20011289号-1  苏公网安备32058502011222 网页地图 打印 推荐 Top
Copyright © 2025 norelem. 保留所有权利。 电话 +49 71 45/206-44 至 45 · 传真 +49 71 45/206-83