norelem 使用 Cookies 以优化设计和持续改进网页。您通过继续使用网页,同意使用 Cookies。在我们的数据保护声明中可以找到有关 Cookies 主题的详细信息。同意
导向衬套 符合德国工业标准 (DIN) 9834/ ISO 标准 9448 青铜,免维护,带凸缘
23681

导向衬套 符合德国工业标准 (DIN) 9834/ ISO 标准 9448 青铜,免维护,带凸缘

返回

商品描述/产品说明

产品说明材料:青铜,石墨嵌入件。规格:自润滑性。
硬度 190-220 HB。
提示:导向衬套可用于径向及轴向。
滑动部件无需维修,耐磨损。
使用石墨可以保持始终润滑。

最好用于滑动速度 < 0.5 米/秒。(在更高的滑动速度要求中建议增加润滑)
技术参数:

材料特性:
基本合金:CuZn25Al5Mn4Fe3-C
密度: 8.0 克/厘米3
拉抗强度 Rm:750 N/mm2
屈服极限:450 N/mm2
断裂延伸率 A5:5-8 %
摩擦系数:0.05 - 0.12
最大速度:15 m/Min
导热率:50 W/m x k
热膨胀系数: 18 x 10-6
导电性:7-8 m/(Ω x mm2)
固体润滑比例:25-30 %

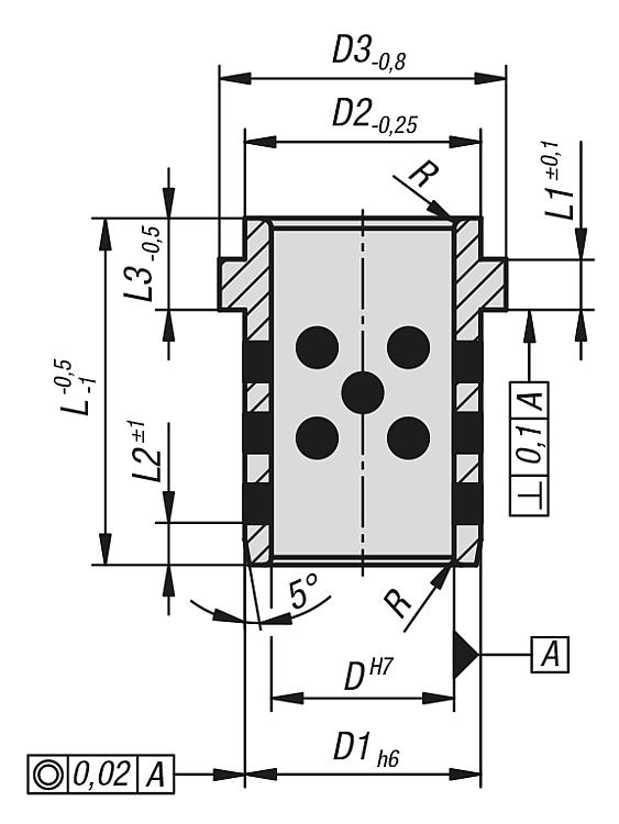
温度范围:短时最高温度可达约 200 °C。附件:固定夹 DIN 23682.公差:滑动轴承的定位内口应该符合 ISO 允差 H7。

对于轴来说,建议允差为 h6 至 h7。
下载此处为收集信息的 PDF:

查找 CAD 数据?请直接在产品列表中查找。
 Datasheet 23681 导向衬套 符合德国工业标准 (DIN) 9834/ ISO 标准 9448 青铜,免维护,带凸缘 355 kB

图纸

导向衬套 符合德国工业标准 (DIN) 9834/ ISO 标准 9448 青铜,免维护,带凸缘

商品选择/筛选

订货号D

D1D2D3LL1L2L3RCAD配件价格订购
23681-0240320400024323240406,3383 根据要求
23681-0250320320025323240326,3483 根据要求
23681-0250320401025323240406,33103 根据要求
23681-0250320400025323240406,3483 根据要求
23681-0320400501232404050506,34123 根据要求
23681-0400500631540505063636,35153 根据要求
23681-0500630711750636371716,36,3155 根据要求
我的 norelemE-Mail密码
购物车
商品数量: 0
总数: 0.00  
点击购物车
欢迎扫描二维码
咨询诺瑞朗官方客服微信
中国
苏ICP备20011289号-1  苏公网安备32058502011222 网页地图 打印 推荐 Top
Copyright © 2025 norelem. 保留所有权利。 电话 +49 71 45/206-44 至 45 · 传真 +49 71 45/206-83