norelem 使用 Cookies 以优化设计和持续改进网页。您通过继续使用网页,同意使用 Cookies。在我们的数据保护声明中可以找到有关 Cookies 主题的详细信息。同意

商品描述/产品说明

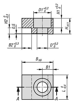
产品说明材料:钢制。提示:固定夹用于固定导向衬套 DIN 9834/ ISO 9448。特点:
RoHS
下载此处为收集信息的 PDF:

查找 CAD 数据?请直接在产品列表中查找。
 Datasheet 23682 固定夹 符合德国工业标准 (DIN) 9832 314 kB

图纸

固定夹 符合德国工业标准 (DIN) 9832

商品选择/筛选

订货号BB1B2D

D1LHH1H2CAD配件价格订购
23682-2020207,55711201076,3 根据要求
23682-25202510591520128,56,3 根据要求
23682-32253211101118251611,56,3 根据要求
我的 norelemE-Mail密码
购物车
商品数量: 0
总数: 0.00  
点击购物车
欢迎扫描二维码
咨询诺瑞朗官方客服微信
中国
苏ICP备20011289号-1  苏公网安备32058502011222 网页地图 打印 推荐 Top
Copyright © 2025 norelem. 保留所有权利。 电话 +49 71 45/206-44 至 45 · 传真 +49 71 45/206-83