norelem 使用 Cookies 以优化设计和持续改进网页。您通过继续使用网页,同意使用 Cookies。在我们的数据保护声明中可以找到有关 Cookies 主题的详细信息。同意

商品描述/产品说明

产品说明材料:尼龙主体。
聚氨酯防滑插件。
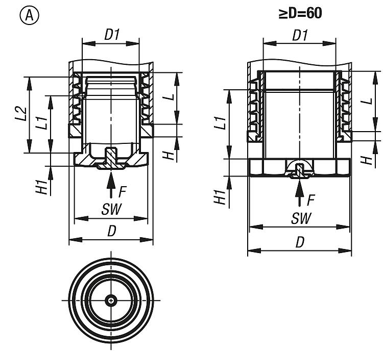
规格:黑色主体。提示:支脚必须在无负荷的情况下进行调整。
规定的轴向静态负载能力是螺钉已拧下 10 mm,并完全平放。
调节插头不适合作为负载滑块,也不适用于动态负载。

螺母的片状形状可以是闭合或断裂。

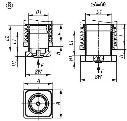
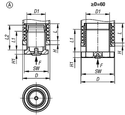
A 型和 B 型:60 mm 起,装有螺纹外壳。
应用:调节插头用于工业、手工业和家庭中的钢管、管盖或铝制底座。特别适用于防止在光滑地面上打滑。装配:可以通过用手按压或用软面锤敲击来安装。特点:
RoHS
下载此处为收集信息的 PDF:

查找 CAD 数据?请直接在产品列表中查找。
 Datasheet 27799-10 用于圆管和方管、带防滑插件的塑料调节插头 250 kB

图片(总概述)

用于圆管和方管、带防滑插件的塑料调节插头

用于圆管和方管、带防滑插件的塑料调节插头,A 型,圆形

更多信息

图纸

用于圆管和方管、带防滑插件的塑料调节插头,A 型,圆形

商品选择/筛选

订货号类型 2类型形状类型D

D1

HH1LL1L2SW负载能力
max. kN
(静态负载)
适用

CAD配件价格订购
27799-10-00251520针对圆形管A圆形25M165519,72229241,5Ø25x1.5-2 根据要求
27799-10-00301015针对圆形管A圆形30M225519,729-283Ø30x1-1,5 根据要求
27799-10-00301520针对圆形管A圆形30M22552729-282,5Ø30x1.5-2 根据要求
27799-10-00321520针对圆形管A圆形32M225519,729-283Ø32x1.5-2 根据要求
27799-10-00351520针对圆形管A圆形35M225529,329-283Ø35x1.5-2 根据要求
27799-10-00352025针对圆形管A圆形35M225529,329-283Ø35x2-2,5 根据要求
27799-10-00381520针对圆形管A圆形38M225529,329-283Ø38x1.5-2 根据要求
27799-10-00401520针对圆形管A圆形40M225529,329-283Ø40x1.5-2 根据要求
27799-10-00402025针对圆形管A圆形40M225529,329-283Ø40x2-2,5 根据要求
27799-10-00421520针对圆形管A圆形42M305529,331-413Ø42x1.5-2 根据要求
27799-10-00451520针对圆形管A圆形45M305529,331-413Ø45x1.5-2 根据要求
27799-10-00501520针对圆形管A圆形50M305529,331-413Ø50x1.5-2 根据要求
27799-10-00511220针对圆形管A圆形50,8M305529,331-413Ø50,8x1,2-2 根据要求
27799-10-00601520针对圆形管A圆形60S42X261034,740-583Ø60x1,5-2 根据要求
27799-10-00801520针对圆形管A圆形80S56X261034,740-743Ø80x1,5-2 根据要求

用于圆管和方管、带防滑插件的塑料调节插头,B 型,正方形

更多信息

图纸

用于圆管和方管、带防滑插件的塑料调节插头,B 型,正方形

商品选择/筛选

订货号类型 2类型形状类型AD1

HH1LL1L2SW负载能力
max. kN
(静态负载)
适用

CAD配件价格订购
27799-10-25251015适用于方形管B方形25M16552022,529241,525x25x1-1,5 根据要求
27799-10-25251520适用于方形管B方形25M16552022,529241,525x25x1,5-2 根据要求
27799-10-30301015适用于方形管B方形30M225519,529-28330x30x1-1,5 根据要求
27799-10-30301520适用于方形管B方形30M225519,529-28330x30x1,5-2 根据要求
27799-10-35351520适用于方形管B方形35M225529,329-28335x35x1,5-2 根据要求
27799-10-35352025适用于方形管B方形35M225529,329-28335x35x2-2,5 根据要求
27799-10-40401520适用于方形管B方形40M225529,329-28340x40x1,5-2 根据要求
27799-10-40402025适用于方形管B方形40M225529,329-28340x40x2-2,5 根据要求
27799-10-45451520适用于方形管B方形45M305529,331-41345x45x1,5-2 根据要求
27799-10-50501520适用于方形管B方形50M305529,331-41350x50x1,5-2 根据要求
27799-10-50502025适用于方形管B方形50M305529,331-41350x50x2-2,5 根据要求
27799-10-60601520适用于方形管B方形60S42X261034,837-581,7560x60x1,5-2 根据要求

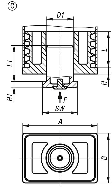
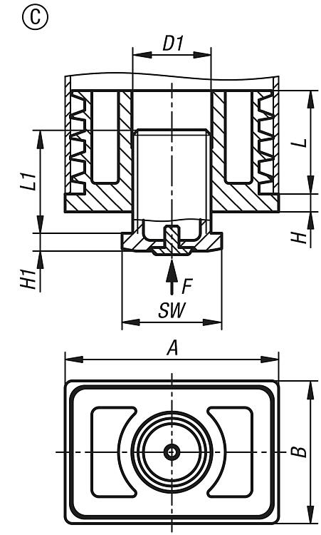
用于圆管和方管、带防滑插件的塑料调节插头,C 型,矩形

更多信息

图纸

用于圆管和方管、带防滑插件的塑料调节插头,C 型,矩形

商品选择/筛选

订货号类型 2类型形状类型ABD1

HH1LL1SW负载能力
max. kN
(静态负载)
适用

CAD配件价格订购
27799-10-60401520适用于矩形管C矩形6040M2255292928460x40x1,5-2 根据要求
我的 norelemE-Mail密码
购物车
商品数量: 0
总数: 0.00  
点击购物车
欢迎扫描二维码
咨询诺瑞朗官方客服微信
中国
苏ICP备20011289号-1  苏公网安备32058502011222 网页地图 打印 推荐 Top
Copyright © 2025 norelem. 保留所有权利。 电话 +49 71 45/206-44 至 45 · 传真 +49 71 45/206-83