norelem 使用 Cookies 以优化设计和持续改进网页。您通过继续使用网页,同意使用 Cookies。在我们的数据保护声明中可以找到有关 Cookies 主题的详细信息。同意

商品描述/产品说明

查看/筛选所有商品
产品说明材料:

压铸锌或不锈钢 1.4305 制脚杯。
热塑性弹性体制防滑板。

规格:经黑色粉末喷涂处理的压铸锌制脚杯。
亮色不锈钢脚杯。
提示:

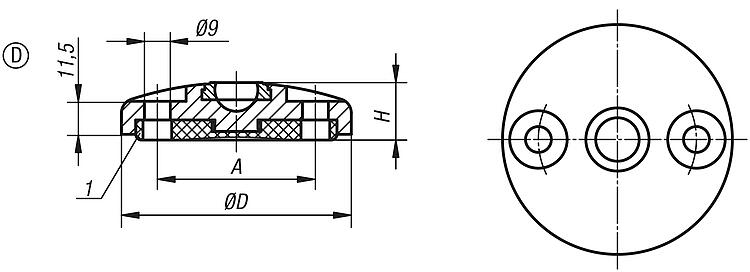
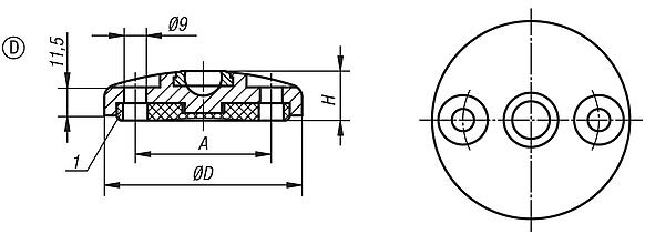
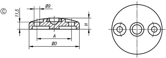
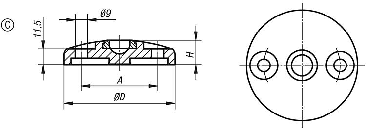
万向脚由脚杯和丝杠或球头组合而成。每种脚杯可以结合各个丝杠或各个球头。 防滑板可以吸收振动力,防止万向脚滑脱。 适配丝杠参见 27810。 适配球头参见 27811。

图纸提示:
A 型 无螺孔,无防滑板
B 型 无螺孔,带防滑板
C 型 带螺孔(敞开),无防滑板
D 型 带螺孔(敞开),带防滑板

1) 脚杯 Ø 80 以上
特点:
 RoHS
下载此处为收集信息的 PDF:

查找 CAD 数据?请直接在产品列表中查找。
 Datasheet 27801 压铸锌或不锈钢万向脚杯 206 kB
 旋转脚杯技术资料 301 kB

图片(总概述)

压铸锌或不锈钢万向脚杯

A 型压铸锌或不锈钢制旋转脚杯

更多信息

图纸

A 型压铸锌或不锈钢制旋转脚杯

商品选择/筛选

订货号类型主体
材料
D

AH负载能力
max. kN
CAD配件价格订购
27801-10301A锌制30-1820  根据要求
27801-10401A锌制40-1830  根据要求
27801-10451A锌制45-1830  根据要求
27801-10501A锌制50-1830  根据要求
27801-10601A锌制60-1830  根据要求
27801-10801A锌制80-1830  根据要求
27801-11001A锌制100-1835  根据要求
27801-11201A锌制120-1835  根据要求
27801-10302A不锈钢30-1820  根据要求
27801-10402A不锈钢40-1830  根据要求
27801-10452A不锈钢45-1830  根据要求
27801-10502A不锈钢50-1835  根据要求
27801-10602A不锈钢60-1835  根据要求
27801-10802A不锈钢80-1835  根据要求
27801-11002A不锈钢100-1840  根据要求
27801-11202A不锈钢120-1840  根据要求

B 型压铸锌或不锈钢制旋转脚杯

更多信息

图纸

B 型压铸锌或不锈钢制旋转脚杯

商品选择/筛选

订货号类型主体
材料
D

AH负载能力
max. kN
CAD配件价格订购
27801-20301B锌制30-2020  根据要求
27801-20401B锌制40-2030  根据要求
27801-20451B锌制45-2030  根据要求
27801-20501B锌制50-2030  根据要求
27801-20601B锌制60-2030  根据要求
27801-20801B锌制80-2030  根据要求
27801-21001B锌制100-2035  根据要求
27801-21201B锌制120-2035  根据要求
27801-20302B不锈钢30-2020  根据要求
27801-20402B不锈钢40-2030  根据要求
27801-20452B不锈钢45-2030  根据要求
27801-20502B不锈钢50-2035  根据要求
27801-20602B不锈钢60-2035  根据要求
27801-20802B不锈钢80-2035  根据要求
27801-21002B不锈钢100-2040  根据要求
27801-21202B不锈钢120-2040  根据要求

C 型压铸锌或不锈钢制旋转脚杯

更多信息

图纸

C 型压铸锌或不锈钢制旋转脚杯

商品选择/筛选

订货号类型主体
材料
D

AH负载能力
max. kN
CAD配件价格订购
27801-30801C锌制80551830  根据要求
27801-31001C锌制100741835  根据要求
27801-31201C锌制120941835  根据要求
27801-30802C不锈钢80551835  根据要求
27801-31002C不锈钢100741840  根据要求
27801-31202C不锈钢120941840  根据要求

D 型压铸锌或不锈钢制旋转脚杯

更多信息

图纸

D 型压铸锌或不锈钢制旋转脚杯

商品选择/筛选

订货号类型主体
材料
D

AH负载能力
max. kN
CAD配件价格订购
27801-40801D锌制80552030  根据要求
27801-41001D锌制100742035  根据要求
27801-41201D锌制120942035  根据要求
27801-40802D不锈钢80552035  根据要求
27801-41002D不锈钢100742040  根据要求
27801-41202D不锈钢120942040  根据要求
我的 norelemE-Mail密码
购物车
商品数量: 0
总数: 0.00  
点击购物车
欢迎扫描二维码
咨询诺瑞朗官方客服微信
中国
苏ICP备20011289号-1  苏公网安备32058502011222 网页地图 打印 推荐 Top
Copyright © 2025 norelem. 保留所有权利。 电话 +49 71 45/206-44 至 45 · 传真 +49 71 45/206-83