norelem 使用 Cookies 以优化设计和持续改进网页。您通过继续使用网页,同意使用 Cookies。在我们的数据保护声明中可以找到有关 Cookies 主题的详细信息。同意

商品描述/产品说明

产品说明材料:

钢制或不锈钢 1.4404 制脚杯。
PUR 弹性体减振板 (Sylomer V12)。

规格:脚杯经蓝色钝化处理或亮色。
灰色减振板,已粘接,防滑。
使用温度范围为 -30 °C 至 +70 °C。
提示:表格中说明的负载能力是一个建议,应在该永久静态负荷之内使用减振元件。
该静态负荷对应于 0.4N/mm² 的表面压力,在该压力下材料可实现最佳减振性能。在此要考虑到,动态应力会导致额外的负载,最高 0.6N/mm² 的压力。
减振板吸收振动力并防止脚杯滑脱。
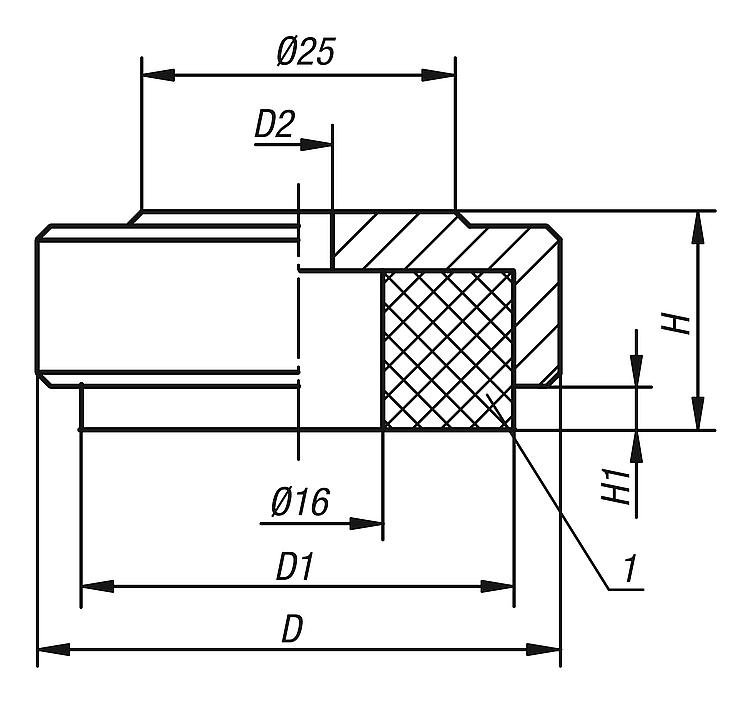
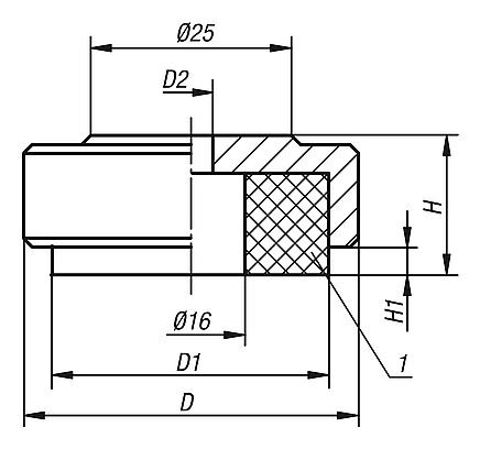
图纸提示:
1) 减振板
特点:
RoHS
下载此处为收集信息的 PDF:

查找 CAD 数据?请直接在产品列表中查找。
 Datasheet 27808 带减振功能的支脚 232 kB
 减振型万向脚及脚杯技术资料 210 kB

图纸

带减振功能的支脚

商品选择/筛选

订货号

主体
材料
D

D1D2HH1
(压力
0 / 0.4 / 0.6 N/mm²)
负载能力
max. kN
CAD配件价格订购
27808-036钢制3630,55,5154 / 2,8 / 1,90,212 根据要求
27808-046钢制4640,56,6174 / 2,8 / 1,90,435 根据要求
27808-056钢制56509194 / 2,8 / 1,90,705 根据要求
27808-074钢制74689214 / 2,8 / 1,91,372 根据要求
27808-1036不锈钢3630,55,5154 / 2,8 / 1,90,212 根据要求
27808-1046不锈钢4640,56,6174 / 2,8 / 1,90,435 根据要求
27808-1056不锈钢56509194 / 2,8 / 1,90,705 根据要求
我的 norelemE-Mail密码
购物车
商品数量: 0
总数: 0.00  
点击购物车
欢迎扫描二维码
咨询诺瑞朗官方客服微信
中国
苏ICP备20011289号-1  苏公网安备32058502011222 网页地图 打印 推荐 Top
Copyright © 2025 norelem. 保留所有权利。 电话 +49 71 45/206-44 至 45 · 传真 +49 71 45/206-83