norelem 使用 Cookies 以优化设计和持续改进网页。您通过继续使用网页,同意使用 Cookies。在我们的数据保护声明中可以找到有关 Cookies 主题的详细信息。同意

商品描述/产品说明

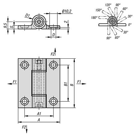
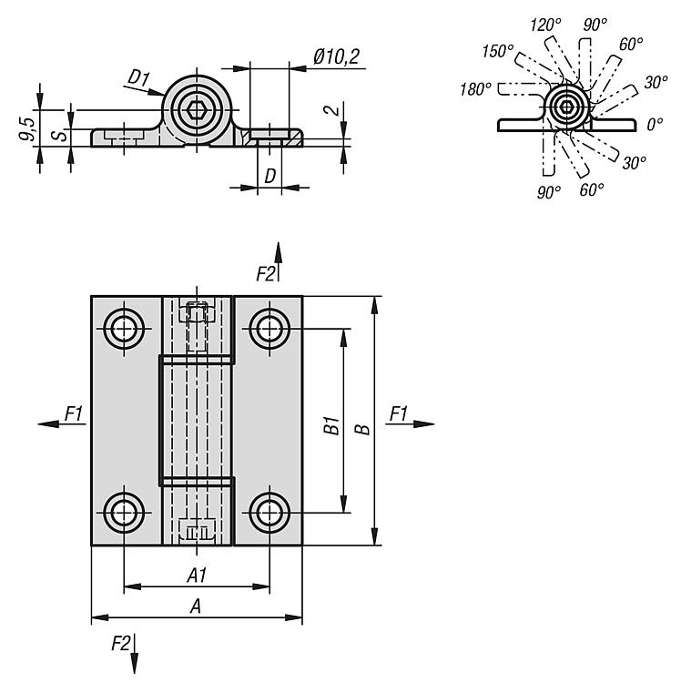
产品说明材料:铝材 6060 T5。
不锈钢螺栓和螺母。
垫圈 PA。
规格:黑色阳极氧化提示:铰链具备锁定功能。从 0° 到 270° 每隔 30° 啮合一次,并由此保持门和活盖敞开或牢固闭合。
齿槽转矩不可调。

铰链设计可开关超过 30,000 次。
扭矩公差 ± 20 %。

使用符合 DIN 912/ DIN EN ISO 4762 标准的圆柱头螺钉进行固定。

铰链所给出的载荷值是非约束性的指导值,不考虑安全因素,也不承担任何责任。所给数值仅供参考,不代表具有法律约束力的财产保证。
载荷值应在实验室条件下确定。每个用户必须单独确定铰链是否适合相应的应用。
铰链连接的各种材料、连接类型、天气条件以及磨损程度都会影响要确定的数值。
温度范围:从 -30 °C 至 +70 °C附件:内六角圆柱头螺丝,符合 DIN 912/ DIN EN ISO 4762 标准。
自由摆动铰链 27906-055652。
自由摆动铰链 27906-0556521。
自由摆动铰链 27906-155652。
自由摆动铰链 27906-1556521。
特点:
RoHS
下载此处为收集信息的 PDF:

查找 CAD 数据?请直接在产品列表中查找。
 Datasheet 27862 铰链 铝制,带锁定功能 256 kB

图纸

铰链 铝制,带锁定功能

商品选择/筛选

订货号AA1BB1D

D1SF1
N
F2
N
最大扭矩
Nm
CAD配件价格订购
27862-556711553867486,3184,51130057001,8 根据要求
27862-556712553867486,3184,51130057002,5 根据要求
27862-556713553867486,3184,51130057003,2 根据要求
27862-556715553867486,3184,51130057005 根据要求
我的 norelemE-Mail密码
购物车
商品数量: 0
总数: 0.00  
点击购物车
欢迎扫描二维码
咨询诺瑞朗官方客服微信
中国
苏ICP备20011289号-1  苏公网安备32058502011222 网页地图 打印 推荐 Top
Copyright © 2025 norelem. 保留所有权利。 电话 +49 71 45/206-44 至 45 · 传真 +49 71 45/206-83