norelem 使用 Cookies 以优化设计和持续改进网页。您通过继续使用网页,同意使用 Cookies。在我们的数据保护声明中可以找到有关 Cookies 主题的详细信息。同意

商品描述/产品说明

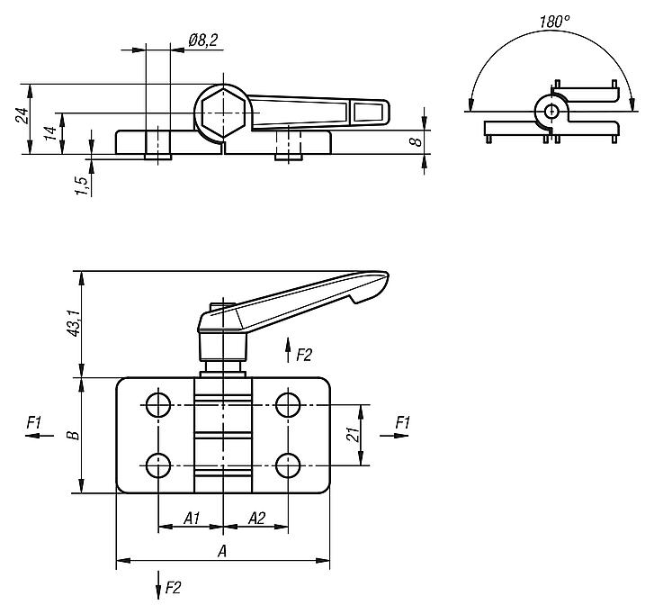
产品说明材料:压铸锌制铰链。
钢制轴。
玻璃纤维增强型热塑性塑料夹紧杆。
钢制机械机构。
规格:经黑色粉末喷涂处理的铰链。镀锌轴。
黑色夹紧杆。黑色镀锌机械机构。
提示:铰链可通过可松脱的锁紧手柄夹紧在任何位置。
铰链可选配备或不配备铝制型材导向块。

所示的铰链载荷值是不具约束力的指导值,未考虑安全因素,且不承担任何责任。所有数值仅供参考,并不对财产构成任何相关法律保证。

应力值是在实验室条件下得出。每个用户必须独自确定铰链是否符合各自的使用。

铰链连接的材质、连接方式、天气条件和磨损情况等都会对待确定的值造成影响。
特点:
 RoHS
下载此处为收集信息的 PDF:

查找 CAD 数据?请直接在产品列表中查找。
 Datasheet 27868 压铸锌制铰链,带夹紧功能 255 kB
 铰链技术资料 428 kB

图纸

压铸锌制铰链,带夹紧功能

商品选择/筛选

订货号

AA1A2B沟槽导向
凸缘
F1
N
F2
N
CAD配件价格订购
27868-402323007422,522,540-1500650 根据要求
27868-402323087422,522,54081500650 根据要求
27868-402323107422,522,540101500650 根据要求
27868-402325007422,52540-1500650 根据要求
27868-402325087422,5254081500650 根据要求
27868-402325107422,52540101500650 根据要求
27868-4525250074252540-1500650 根据要求
27868-452525087425254081500650 根据要求
27868-4525251074252540101500650 根据要求
我的 norelemE-Mail密码
购物车
商品数量: 0
总数: 0.00  
点击购物车
欢迎扫描二维码
咨询诺瑞朗官方客服微信
中国
苏ICP备20011289号-1  苏公网安备32058502011222 网页地图 打印 推荐 Top
Copyright © 2025 norelem. 保留所有权利。 电话 +49 71 45/206-44 至 45 · 传真 +49 71 45/206-83