norelem 使用 Cookies 以优化设计和持续改进网页。您通过继续使用网页,同意使用 Cookies。在我们的数据保护声明中可以找到有关 Cookies 主题的详细信息。同意

商品描述/产品说明

查看/筛选所有商品
产品说明材料:压铸锌制铰链。
不锈钢轴。
规格:铰链经喷砂、镀铬或亮色处理。
亮色轴。
提示:内门铰链。
铰链左右侧通用。

*在这些位置的底部有孔,必要时可将其钻出。

铰链所给出的载荷值是非约束性的指导值,不考虑安全因素,也不承担任何责任。所给数值仅供参考,不代表具有法律约束力的财产保证。

载荷值应在实验室条件下确定。每个用户必须单独确定铰链是否适合相应的应用。

铰链连接的各种材料、连接类型、天气条件以及磨损程度都会影响要确定的数值。
附件:内六角沉头螺钉符合 DIN EN ISO 10642 (07175) 标准。
下载此处为收集信息的 PDF:

查找 CAD 数据?请直接在产品列表中查找。
 Datasheet 27868-10 压铸锌制铰链 243 kB

图片(总概述)

压铸锌制铰链

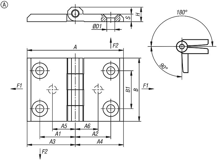
压铸锌制铰链,A 型

更多信息

图纸

压铸锌制铰链,A 型

商品选择/筛选

订货号类型主体
颜色
A

A1A2A3A4A5A6BB1D1H把手转角SF1
N
F2
N
CAD配件价格订购
27868-10-0504004011A镀铬4012,512,52020--40255,39180°536502000 根据要求
27868-10-0504004021A黑色4012,512,52020--40255,39180°536502000 根据要求
27868-10-0605005011A镀铬5015152525--50306,311,5180°636502000 根据要求
27868-10-0605005021A黑色5015152525--50306,311,5180°636502000 根据要求
27868-10-0607605011A镀铬7628283838--50306,511,5270°63650900 根据要求
27868-10-0607605021A黑色7628283838--50306,511,5270°63650900 根据要求
27868-10-0606305011A镀铬6315282538--50306,511,5270°64400850 根据要求
27868-10-0606305021A黑色6315282538--50306,511,5270°64400850 根据要求
27868-10-0806006011A镀铬6018183030--60368,415180°845004500 根据要求
27868-10-0806006021A黑色6018183030--60368,415180°845004500 根据要求
27868-10-0607606021A黑色7628283838--60366,515270°836502000 根据要求
27868-10-0809006011A镀铬9018453060-23*60368,415270°855002500 根据要求
27868-10-0809006021A黑色9018453060-23*60368,415270°855002500 根据要求
27868-10-0812006011A镀铬1204545606023*23*60368,415270°855001300 根据要求
27868-10-0812006021A黑色1204545606023*23*60368,415270°855001300 根据要求

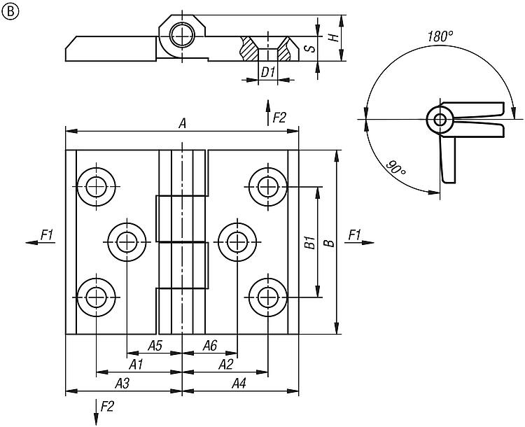
压铸锌制铰链,B 型

更多信息

图纸

压铸锌制铰链,B 型

商品选择/筛选

订货号类型主体
颜色
A

A1A2A3A4A5A6BB1D1H把手转角SF1
N
F2
N
CAD配件价格订购
27868-10-0607606012B镀铬7628283838181860366,515270°845004500 根据要求
27868-10-0607606022B黑色7628283838181860366,515270°845004500 根据要求
我的 norelemE-Mail密码
购物车
商品数量: 0
总数: 0.00  
点击购物车
欢迎扫描二维码
咨询诺瑞朗官方客服微信
中国
苏ICP备20011289号-1  苏公网安备32058502011222 网页地图 打印 推荐 Top
Copyright © 2025 norelem. 保留所有权利。 电话 +49 71 45/206-44 至 45 · 传真 +49 71 45/206-83