norelem 使用 Cookies 以优化设计和持续改进网页。您通过继续使用网页,同意使用 Cookies。在我们的数据保护声明中可以找到有关 Cookies 主题的详细信息。同意

商品描述/产品说明

产品说明材料:铝制铰链。
不锈钢轴。
玻璃纤维增强型热塑性塑料制挡塞。
规格:铰链经阳极氧化处理。
亮色轴。
白色铝制挡塞。
提示:用于平面元件和铝制型材的铰链,可拆卸。
铰链可一同安装在左侧或右侧。
可 360° 旋转。

铰链所给出的载荷值是非约束性的指导值,不考虑安全因素,也不承担任何责任。所给数值仅供参考,不代表具有法律约束力的财产保证。
载荷值应在实验室条件下确定。每个用户必须单独确定铰链是否适合相应的应用。
铰链连接的各种材料、连接类型、天气条件以及磨损程度都会影响要确定的数值。

安装套件:
2 个沉头螺钉,配有符合 DIN 7991 / ISO 10642 标准的内六角螺钉。
2 个槽形螺母可通过 I 型隔片旋转。
特点:
 RoHS
下载此处为收集信息的 PDF:

查找 CAD 数据?请直接在产品列表中查找。
 Datasheet 27869 铰链 铝制,内置,带 型隔 175 kB

图纸

铰链 铝制,内置,带 型隔

商品选择/筛选

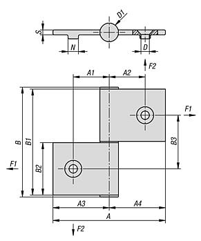
订货号形状类型型号AA1A2A3A4B

B1B2B3
D

D1NSF1
N
F2
N
CAD配件价格订购
27869-86840-B & I8627,527,54343848140416,114,283,8200200 根据要求
27869-86841带安装套件I8627,527,54343848140416,114,283,8200200 根据要求
我的 norelemE-Mail密码
购物车
商品数量: 0
总数: 0.00  
点击购物车
欢迎扫描二维码
咨询诺瑞朗官方客服微信
中国
苏ICP备20011289号-1  苏公网安备32058502011222 网页地图 打印 推荐 Top
Copyright © 2025 norelem. 保留所有权利。 电话 +49 71 45/206-44 至 45 · 传真 +49 71 45/206-83