norelem 使用 Cookies 以优化设计和持续改进网页。您通过继续使用网页,同意使用 Cookies。在我们的数据保护声明中可以找到有关 Cookies 主题的详细信息。同意

商品描述/产品说明

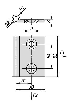
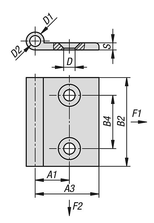
产品说明材料:铝制。规格:阳极氧化。提示:用于平面元件和铝制型材的铰链半页。
铰链半页可单独组装。
可 360° 旋转。

使用符合 DIN 7991 / ISO 10642 标准的沉头螺栓进行固定。

铰链所给出的载荷值是非约束性的指导值,不考虑安全因素,也不承担任何责任。所给数值仅供参考,不代表具有法律约束力的财产保证。
载荷值应在实验室条件下确定。每个用户必须单独确定铰链是否适合相应的应用。
铰链连接的各种材料、连接类型、天气条件以及磨损程度都会影响要确定的数值。
附件:轴 27869-15。
挡塞 27869-20。
特点:
 RoHS
下载此处为收集信息的 PDF:

查找 CAD 数据?请直接在产品列表中查找。
 Datasheet 27869-06 铰链半页 铝制,外置 151 kB

图纸

铰链半页 铝制,外置

商品选择/筛选

订货号A1A3B2B4D

D1D2S
数量
F1
N
F2
N
CAD配件价格订购
27869-06-1850210,51850305,3106,142100150 根据要求
27869-06-2350212,923,450306,4106,142100150 根据要求
27869-06-2850215,227,750306,4106,142100150 根据要求
27869-06-3650219,2535,850306,4106,142100150 根据要求
27869-06-3850220,237,750306,4106,142100150 根据要求
27869-06-4350222,742,750306,4106,142100150 根据要求
27869-06-4850225,247,750306,4106,142100150 根据要求
27869-06-5850230,257,750306,4106,142100150 根据要求
我的 norelemE-Mail密码
购物车
商品数量: 0
总数: 0.00  
点击购物车
欢迎扫描二维码
咨询诺瑞朗官方客服微信
中国
苏ICP备20011289号-1  苏公网安备32058502011222 网页地图 打印 推荐 Top
Copyright © 2025 norelem. 保留所有权利。 电话 +49 71 45/206-44 至 45 · 传真 +49 71 45/206-83