norelem 使用 Cookies 以优化设计和持续改进网页。您通过继续使用网页,同意使用 Cookies。在我们的数据保护声明中可以找到有关 Cookies 主题的详细信息。同意

商品描述/产品说明

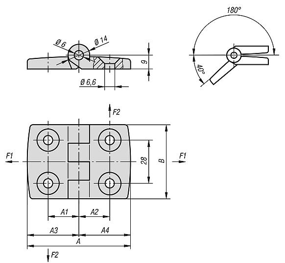
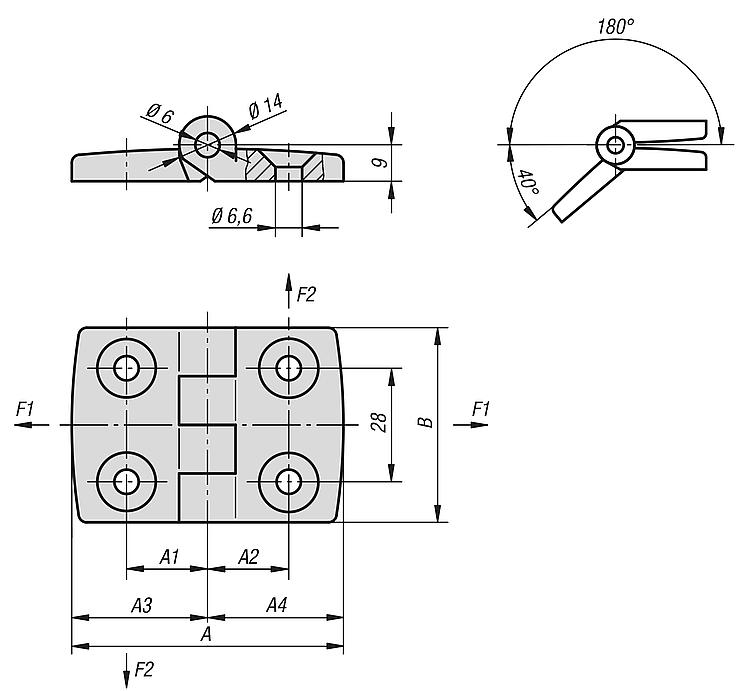
产品说明材料:压铸铝。
不锈钢轴。
规格:经银色粉末喷涂处理的铰链。
亮色轴。
提示:用于平面元件和铝制型材的铰链,不可拆卸。
铰链可通过拉环销装备塑料盖。

所示的铰链载荷值是不具约束力的指导值,未考虑安全因素,且不承担任何责任。所有数值仅供参考,并不对财产构成任何相关法律保证。

应力值是在实验室条件下得出。每个用户必须独自确定铰链是否符合各自的使用。

铰链连接的材质、连接方式、天气条件和磨损情况等都会对待确定的值造成影响。
根据要求:带铝制型材导向块(开槽 5、6、8、10、12 和 14)铰链。
不同叶片长度的组合。
特点:
 RoHS
下载此处为收集信息的 PDF:

查找 CAD 数据?请直接在产品列表中查找。
 Datasheet 27872 铝制铰链 183 kB
 铰链技术资料 428 kB

图纸

铝制铰链

商品选择/筛选

订货号

AA1A2A3A4BF1
N
F2
N
CAD配件价格订购
27872-251515521515262648275215 根据要求
27872-3018185917,517,529,529,548325225 根据要求
27872-352020722020363648325225 根据要求
27872-4023237722,522,538,538,548400250 根据要求
27872-45252587252543,543,548400250 根据要求
27872-5028289727,527,548,548,548400250 根据要求
27872-60333311532,532,557,557,548400100 根据要求
我的 norelemE-Mail密码
购物车
商品数量: 0
总数: 0.00  
点击购物车
欢迎扫描二维码
咨询诺瑞朗官方客服微信
中国
苏ICP备20011289号-1  苏公网安备32058502011222 网页地图 打印 推荐 Top
Copyright © 2025 norelem. 保留所有权利。 电话 +49 71 45/206-44 至 45 · 传真 +49 71 45/206-83