norelem 使用 Cookies 以优化设计和持续改进网页。您通过继续使用网页,同意使用 Cookies。在我们的数据保护声明中可以找到有关 Cookies 主题的详细信息。同意

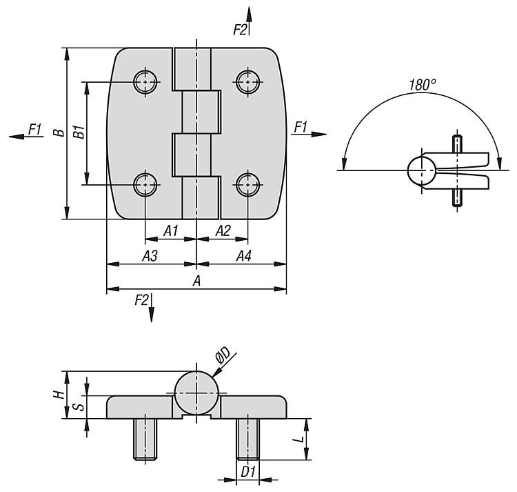
商品描述/产品说明

产品说明材料:

不锈钢 1.4401.

提示:内门铰链。
铰链可以在右侧和左侧使用。
由于铰链销焊接在两侧,可防止铰链损坏。

铰链所给出的载荷值是非约束性的指导值,不考虑安全因素,也不承担任何责任。所给数值仅供参考,不代表具有法律约束力的财产保证。载荷值在实验室条件下确定。每个用户必须单独确定铰链是否适合相应的应用。铰链所使用的各种材料、固定类型、天气条件和磨损情况都会影响所确定的数值。
特点:
不锈钢
下载此处为收集信息的 PDF:

查找 CAD 数据?请直接在产品列表中查找。
 Datasheet 27875-10 不锈钢铰链, 带固定螺栓 255 kB

图纸

不锈钢铰链, 带固定螺栓

商品选择/筛选

订货号AA1A2A3A4B

B1D

D1SHLF1
N
F2
N
CAD配件价格订购
27875-10-052112124212,512,52121402510,2M5510,61265001250 根据要求
27875-10-062515155015152525503012M6612,51282501400 根据要求
27875-10-0831181863181831,531,5603615,3M8816,614,590001500 根据要求
我的 norelemE-Mail密码
购物车
商品数量: 0
总数: 0.00  
点击购物车
欢迎扫描二维码
咨询诺瑞朗官方客服微信
中国
苏ICP备20011289号-1  苏公网安备32058502011222 网页地图 打印 推荐 Top
Copyright © 2025 norelem. 保留所有权利。 电话 +49 71 45/206-44 至 45 · 传真 +49 71 45/206-83