norelem 使用 Cookies 以优化设计和持续改进网页。您通过继续使用网页,同意使用 Cookies。在我们的数据保护声明中可以找到有关 Cookies 主题的详细信息。同意

商品描述/产品说明

产品说明材料:

不锈钢 1.4571。

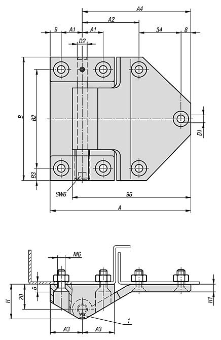
规格:经哑光抛光处理。提示:旋紧铰链用于内置门,可从外旋紧,可在通过螺栓 ±4 mm 范围内调节高度。在不锈钢 1.4571 中添加钛提高了耐腐蚀性。开口角度最大为 180°。图纸提示:
1) 螺纹销 M4,DIN 916
特点:
不锈钢
下载此处为收集信息的 PDF:

查找 CAD 数据?请直接在产品列表中查找。
 Datasheet 27876-01 可调式不锈钢旋紧铰链 196 kB
 铰链技术资料 428 kB

图纸

可调式不锈钢旋紧铰链

商品选择/筛选

订货号A

A1A2A3A4BB2B3D1D2HH1CAD配件价格订购
27876-01-068846171141746268810080106,38286 根据要求
我的 norelemE-Mail密码
购物车
商品数量: 0
总数: 0.00  
点击购物车
欢迎扫描二维码
咨询诺瑞朗官方客服微信
中国
苏ICP备20011289号-1  苏公网安备32058502011222 网页地图 打印 推荐 Top
Copyright © 2025 norelem. 保留所有权利。 电话 +49 71 45/206-44 至 45 · 传真 +49 71 45/206-83