norelem 使用 Cookies 以优化设计和持续改进网页。您通过继续使用网页,同意使用 Cookies。在我们的数据保护声明中可以找到有关 Cookies 主题的详细信息。同意

商品描述/产品说明

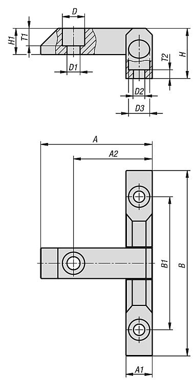
产品说明材料:压铸锌。规格:镀锌、高光泽镀铬或经黑色粉末喷涂处理。提示:多角铰链,用于外置门。可随意装在右侧或左侧。
开口角度 180°。铰链在交付时已装配。
特点:
RoHS
下载此处为收集信息的 PDF:

查找 CAD 数据?请直接在产品列表中查找。
 Datasheet 27892 多角铰链,带沉孔,长型 144 kB

图纸

多角铰链,带沉孔,长型

商品选择/筛选

订货号

主体
表面
AA1A2BB1D

D1D2D3HH1T1T2CAD配件价格订购
27892-00630061镀锌511236856110,265,29,7231284 根据要求
27892-10630061高光泽镀铬511236856110,265,29,7231284 根据要求
27892-20630061经喷涂处理511236856110,265,29,7231284 根据要求
我的 norelemE-Mail密码
购物车
商品数量: 0
总数: 0.00  
点击购物车
欢迎扫描二维码
咨询诺瑞朗官方客服微信
中国
苏ICP备20011289号-1  苏公网安备32058502011222 网页地图 打印 推荐 Top
Copyright © 2025 norelem. 保留所有权利。 电话 +49 71 45/206-44 至 45 · 传真 +49 71 45/206-83