norelem 使用 Cookies 以优化设计和持续改进网页。您通过继续使用网页,同意使用 Cookies。在我们的数据保护声明中可以找到有关 Cookies 主题的详细信息。同意

商品描述/产品说明

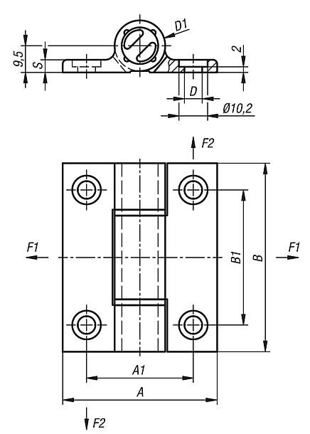
产品说明材料:铝材 6060 T5。
挡塞 PA 6.6。
垫圈 POM。
规格:黑色阳极氧化提示:铰链装配钢制的集成夹紧弹簧。可以自动打开或关闭门和翻板。
由于尺寸和外观相同,自由摆动铰链可与带弹簧的铰链进行组合。
开口角度 270°。

打开时的弹簧扭矩:
M(0°) : 0.35 Nm / M(90°) : 0.24 Nm / M(180°) : 0.12 Nm
关闭时的弹簧扭矩:
M(0°) : 0.12 Nm / M(90°) : 0.24 Nm / M(180°) : 0.35 Nm

铰链的设计可承受超过 30,000 次的开关周期。

使用符合 DIN 912/ DIN EN ISO 4762 标准的圆柱头螺钉进行固定。

铰链所给出的载荷值是非约束性的指导值,不考虑安全因素,也不承担任何责任。所给数值仅供参考,不代表具有法律约束力的财产保证。
载荷值应在实验室条件下确定。每个用户必须单独确定铰链是否适合相应的应用。
铰链连接的各种材料、连接类型、天气条件以及磨损程度都会影响要确定的数值。
温度范围:从 -20 °C 至 +80 °C附件:内六角圆柱头螺栓 DIN 912/DIN EN ISO 4762.
下载此处为收集信息的 PDF:

查找 CAD 数据?请直接在产品列表中查找。
 Datasheet 27906 弹簧铰链 铝制型材张紧弹簧铰链,0.35 Nm 226 kB

图片(总概述)

弹簧铰链 铝制型材张紧弹簧铰链,0.35 Nm

弹簧铰链 铝制型材张紧弹簧铰链,0.35 Nm, 弹簧铰链

更多信息

图纸

弹簧铰链 铝制型材张紧弹簧铰链,0.35 Nm, 弹簧铰链

商品选择/筛选

订货号主体
颜色
主体
表面
AA1BB1D

D1SF1
N
F2
N
CAD配件价格订购
27906-556701黑色阳极氧化553867486,3184,550004200 根据要求
27906-55670无色阳极氧化553867486,3184,550004200 根据要求

弹簧铰链 铝制型材张紧弹簧铰链,0.35 Nm, 弹簧铰链

更多信息

图纸

弹簧铰链 铝制型材张紧弹簧铰链,0.35 Nm, 弹簧铰链

商品选择/筛选

订货号主体
颜色
主体
表面
AA1BB1D

D1SF1
N
F2
N
CAD配件价格订购
27906-556711黑色阳极氧化553867486,3184,550004200 根据要求
27906-55671无色阳极氧化553867486,3184,550004200 根据要求

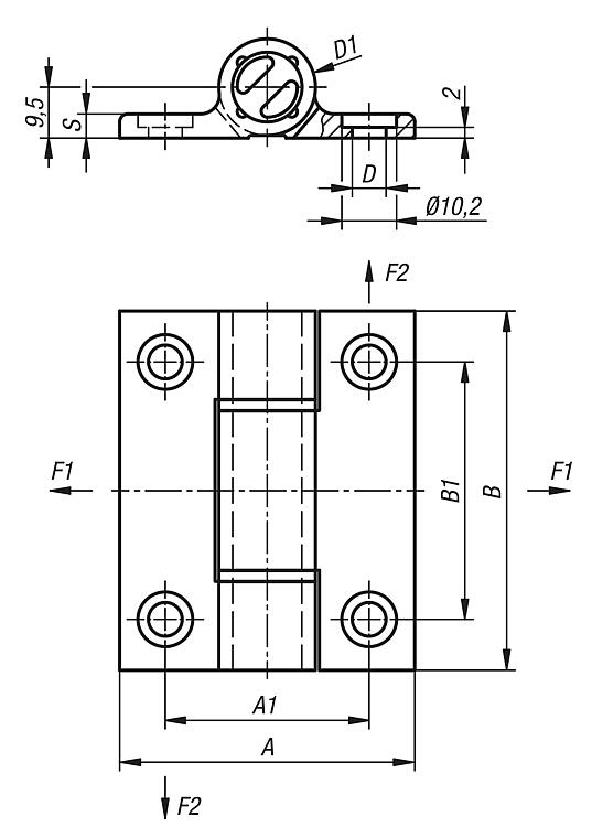
弹簧铰链,铝合金型材夹紧弹簧铰链 0.35 Nm,无弹簧

更多信息

图纸

弹簧铰链,铝合金型材夹紧弹簧铰链 0.35 Nm,无弹簧

商品选择/筛选

订货号类型 2主体
颜色
主体
表面
A

A1BB1D

D1F1
N
F2
N
产品类型S固定方式CAD配件价格订购
27906-055652-无色阳极氧化553865486,31865909810铰链4,5固定孔 根据要求
27906-0556521-黑色阳极氧化553865486,31865909810铰链4,5固定孔 根据要求
27906-155652-无色阳极氧化553865486,31865909810铰链4,5固定孔 根据要求
27906-1556521-黑色阳极氧化553865486,31865909810铰链4,5固定孔 根据要求
我的 norelemE-Mail密码
购物车
商品数量: 0
总数: 0.00  
点击购物车
欢迎扫描二维码
咨询诺瑞朗官方客服微信
中国
苏ICP备20011289号-1  苏公网安备32058502011222 网页地图 打印 推荐 Top
Copyright © 2025 norelem. 保留所有权利。 电话 +49 71 45/206-44 至 45 · 传真 +49 71 45/206-83