norelem 使用 Cookies 以优化设计和持续改进网页。您通过继续使用网页,同意使用 Cookies。在我们的数据保护声明中可以找到有关 Cookies 主题的详细信息。同意

商品描述/产品说明

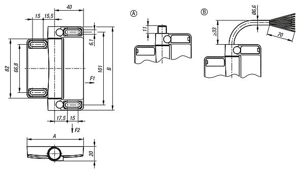
产品说明产品描述:安全铰链开关用于可旋转安装的防护门,保护盖和防护罩的位置监控。安全装置的监控直接在铰链上实现。
开关的角度在通用预设的规格中在整个工作区域内自由可调。辅助安装工具帮助快速对齐门及侧柱。

附加的铰链同安全铰链开关有着相同的外形和尺寸。
材料:外壳 压铸锌。
自熄型塑料机壳盖。
铰链螺栓 压铸锌/钢制 碳45。
接触器银镍合金。
提示:铰链所给出的载荷值是非约束性的指导值,不考虑安全因素,也不承担任何责任。所给数值仅供参考,不代表具有法律约束力的财产保证。

载荷值应在实验室条件下确定。必须单独确定铰链是否适合相应的应用。

铰链连接的各种材料、连接类型、天气条件以及磨损程度都会影响要确定的数值。

技术参数:参见下载、技术说明。装配:4 x M6 圆柱头螺栓 DIN7984 或 DIN EN ISO 4762
锁紧扭矩 4.3 Nm
常规的安装说明可在附录的操作说明书里找到。
优点:- 适合用于保护摆动闸门
- 安装便捷,适用于流行的铝制型材
- 易与周围构造融为一体
- 对操作提供持续性的保护
- 机械性磨损微乎其微
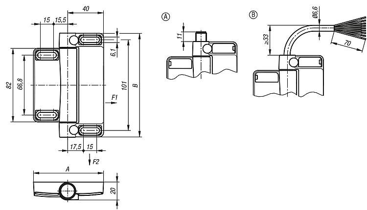
附件:适用于 A 型:
插塞连接器衬套 M12x1,带有螺纹锁 80150-10。
特点:
RoHS
下载此处为收集信息的 PDF:

查找 CAD 数据?请直接在产品列表中查找。
 Datasheet 27950 安全铰链开关 513 kB
 安全铰链 的使用说明 656 kB

图片(总概述)

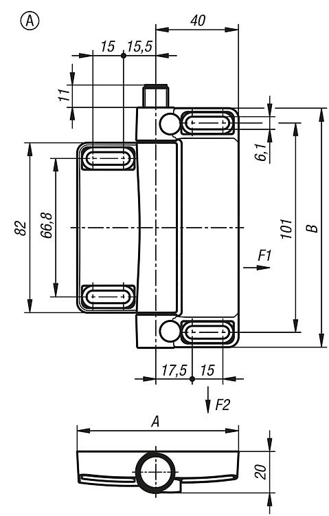
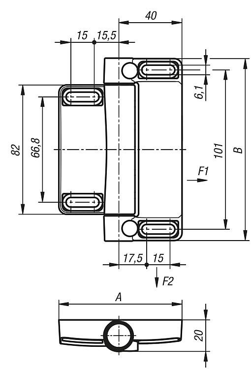
安全铰链开关

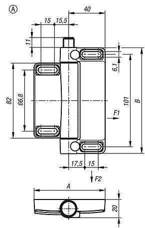
安全铰链开关,A 型

更多信息

图纸

安全铰链开关,A 型

商品选择/筛选

订货号AB预调触点连接方式连接位置F1
N
F2
N
CAD配件价格订购
27950-78116111178116外部附装1闭 / 2开内置插头下面50005000 根据要求
27950-78116111278116外部附装1闭 / 2开内置插头上面50005000 根据要求
27950-78116211178116通用型1闭 / 2开内置插头下面50005000 根据要求
27950-78116211278116通用型1闭 / 2开内置插头上面50005000 根据要求

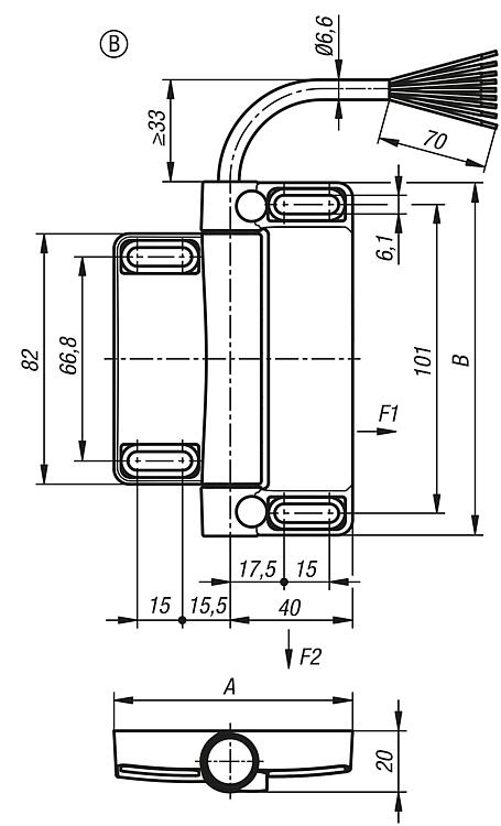
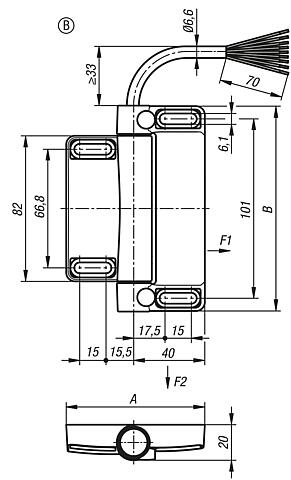
安全铰链开关,B 型

更多信息

图纸

安全铰链开关,B 型

商品选择/筛选

订货号AB预调触点连接方式连接位置F1
N
F2
N
CAD配件价格订购
27950-78116112178116外部附装1闭 / 2开电缆下面50005000 根据要求
27950-78116112278116外部附装1闭 / 2开电缆上面50005000 根据要求
27950-78116212178116通用型1闭 / 2开电缆下面50005000 根据要求
27950-78116212278116通用型1闭 / 2开电缆上面50005000 根据要求

安全铰链开关,辅助铰链

更多信息

图纸

安全铰链开关,辅助铰链

商品选择/筛选

订货号AB

F1
N
F2
N
CAD配件价格订购
27950-781167811650005000 根据要求
我的 norelemE-Mail密码
购物车
商品数量: 0
总数: 0.00  
点击购物车
欢迎扫描二维码
咨询诺瑞朗官方客服微信
中国
苏ICP备20011289号-1  苏公网安备32058502011222 网页地图 打印 推荐 Top
Copyright © 2025 norelem. 保留所有权利。 电话 +49 71 45/206-44 至 45 · 传真 +49 71 45/206-83