|
|
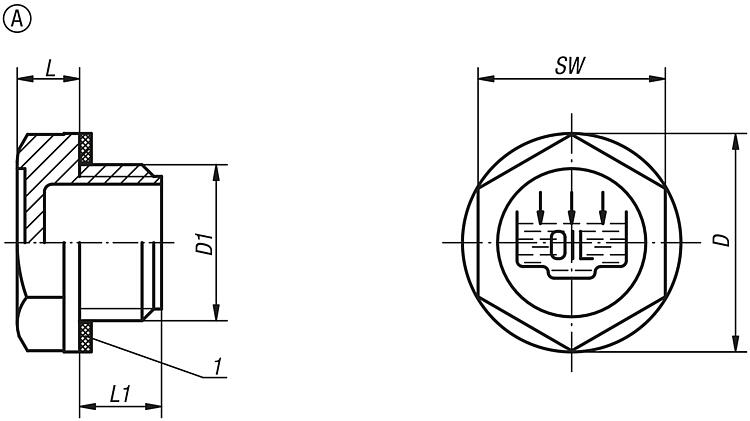
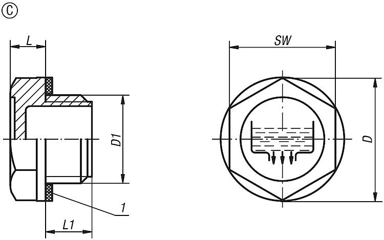
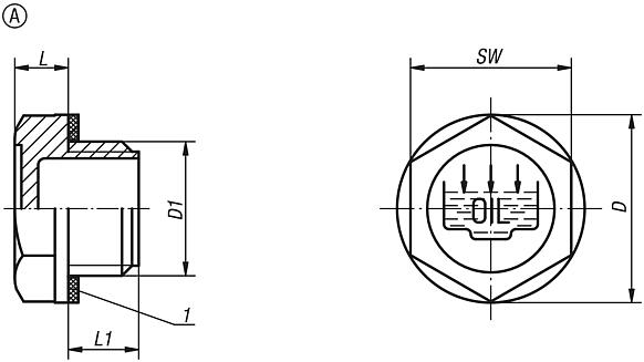
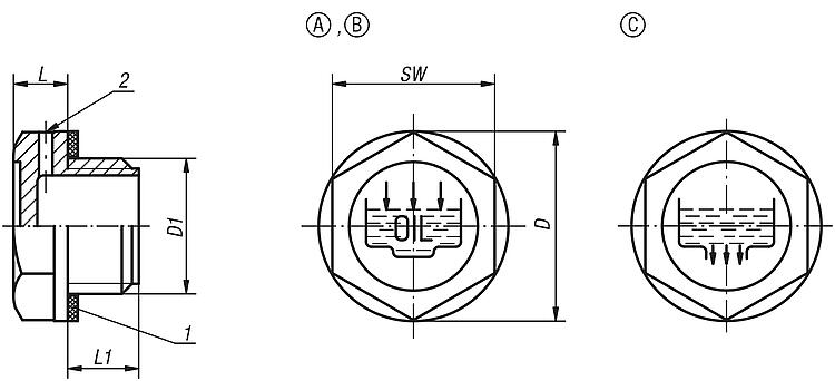
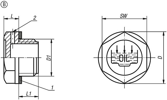
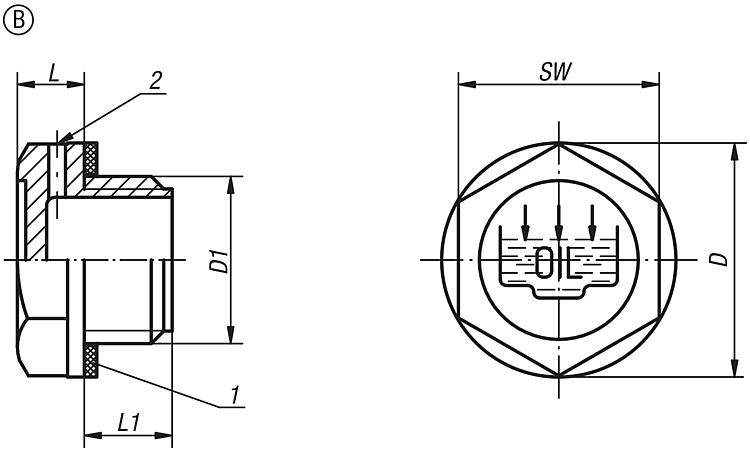
产品说明材料:热塑性塑料,聚酰胺 66。规格:黑色。无石棉平面密封件。提示:最高 100 °C 的耐高温性。图纸提示:A 型: 带加注图标 B 型: 带加注图标和 排气孔 C 型: 带排放图标
1) 平面密封件 2) 排气孔 仅针对 B 型 下载此处为收集信息的 PDF:
查找 CAD 数据?请直接在产品列表中查找。
|
| 订货号 | 类型 | D
| D1 | L | L1 | SW | 锁紧扭矩 max. Nm | CAD | 配件 | 价格 | 订购 |
|---|
| 28028-119014 | A | 19,5 | G1/4 | 7 | 9 | 17 | 5 |  | | 根据要求 | | | 28028-122038 | A | 22 | G3/8 | 7,5 | 10 | 18 | 8 |  | | 根据要求 | | | 28028-128012 | A | 28 | G1/2 | 7,5 | 11 | 24 | 9 |  | | 根据要求 | | | 28028-134034 | A | 34 | G3/4 | 9 | 11 | 30 | 11 |  | | 根据要求 | | | 28028-142100 | A | 42 | G1 | 10,5 | 12 | 35 | - |  | | 根据要求 | | | 28028-151114 | A | 51 | G1 1/4 | 12 | 13,5 | 42 | - |  | | 根据要求 | | | 28028-158112 | A | 58 | G1 1/2 | 10 | 14,5 | 50 | - |  | | 根据要求 | | | 28028-174200 | A | 74 | G2 | 13,5 | 16 | 64 | - |  | | 根据要求 | | | 28028-1191415 | A | 19,5 | M14X1,5 | 7 | 8 | 17 | 5 |  | | 根据要求 | | | 28028-1211615 | A | 21 | M16X1,5 | 7,5 | 10 | 18 | 6 |  | | 根据要求 | | | 28028-1261815 | A | 26 | M18X1,5 | 7,5 | 10 | 21 | 7 |  | | 根据要求 | | | 28028-1282015 | A | 28 | M20X1,5 | 8 | 10 | 24 | 8 |  | | 根据要求 | | | 28028-1282215 | A | 28 | M22X1,5 | 8 | 11 | 24 | 10 |  | | 根据要求 | | | 28028-1524015 | A | 52 | M40X1,5 | 10 | 13 | 42 | - |  | | 根据要求 | |
|
| 订货号 | 类型 | D
| D1 | L | L1 | SW | 锁紧扭矩 max. Nm | CAD | 配件 | 价格 | 订购 |
|---|
| 28028-219014 | B | 19,5 | G1/4 | 7 | 9 | 17 | 5 |  | | 根据要求 | | | 28028-222038 | B | 22 | G3/8 | 7,5 | 10 | 18 | 8 |  | | 根据要求 | | | 28028-228012 | B | 28 | G1/2 | 7,5 | 11 | 24 | 9 |  | | 根据要求 | | | 28028-234034 | B | 34 | G3/4 | 9 | 11 | 30 | 11 |  | | 根据要求 | | | 28028-242100 | B | 42 | G1 | 10,5 | 12 | 35 | - |  | | 根据要求 | | | 28028-251114 | B | 51 | G1 1/4 | 12 | 13,5 | 42 | - |  | | 根据要求 | | | 28028-258112 | B | 58 | G1 1/2 | 10 | 14,5 | 50 | - |  | | 根据要求 | | | 28028-274200 | B | 74 | G2 | 13,5 | 16 | 64 | - |  | | 根据要求 | | | 28028-2191415 | B | 19,5 | M14X1,5 | 7 | 9 | 17 | 5 |  | | 根据要求 | | | 28028-2211615 | B | 21 | M16X1,5 | 7,5 | 10 | 18 | 6 |  | | 根据要求 | | | 28028-2261815 | B | 26 | M18X1,5 | 7,5 | 10 | 21 | 7 |  | | 根据要求 | | | 28028-2282015 | B | 28 | M20X1,5 | 8 | 10 | 24 | 8 |  | | 根据要求 | | | 28028-2282215 | B | 28 | M22X1,5 | 8 | 11 | 24 | 10 |  | | 根据要求 | | | 28028-2524015 | B | 52 | M40X1,5 | 10 | 13 | 42 | - |  | | 根据要求 | |
|
| 订货号 | 类型 | D
| D1 | L | L1 | SW | 锁紧扭矩 max. Nm | CAD | 配件 | 价格 | 订购 |
|---|
| 28028-319014 | C | 19,5 | G1/4 | 7 | 9 | 17 | 5 |  | | 根据要求 | | | 28028-322038 | C | 22 | G3/8 | 7,5 | 10 | 18 | 8 |  | | 根据要求 | | | 28028-328012 | C | 28 | G1/2 | 7,5 | 11 | 24 | 9 |  | | 根据要求 | | | 28028-334034 | C | 34 | G3/4 | 9 | 11 | 30 | 11 |  | | 根据要求 | | | 28028-342100 | C | 42 | G1 | 10,5 | 12 | 35 | - |  | | 根据要求 | | | 28028-351114 | C | 51 | G1 1/4 | 12 | 13,5 | 42 | - |  | | 根据要求 | | | 28028-358112 | C | 58 | G1 1/2 | 10 | 14,5 | 50 | - |  | | 根据要求 | | | 28028-374200 | C | 74 | G2 | 13,5 | 16 | 64 | - |  | | 根据要求 | | | 28028-3191415 | C | 19,5 | M14X1,5 | 7 | 9 | 17 | 5 |  | | 根据要求 | | | 28028-3211615 | C | 21 | M16X1,5 | 7,5 | 10 | 18 | 6 |  | | 根据要求 | | | 28028-3261815 | C | 26 | M18X1,5 | 7,5 | 10 | 21 | 7 |  | | 根据要求 | | | 28028-3282015 | C | 28 | M20X1,5 | 8 | 10 | 24 | 8 |  | | 根据要求 | | | 28028-3282215 | C | 28 | M22X1,5 | 8 | 11 | 24 | 10 |  | | 根据要求 | | | 28028-3524015 | C | 52 | M40X1,5 | 10 | 13 | 42 | - |  | | 根据要求 | |
|
|
|