|
|
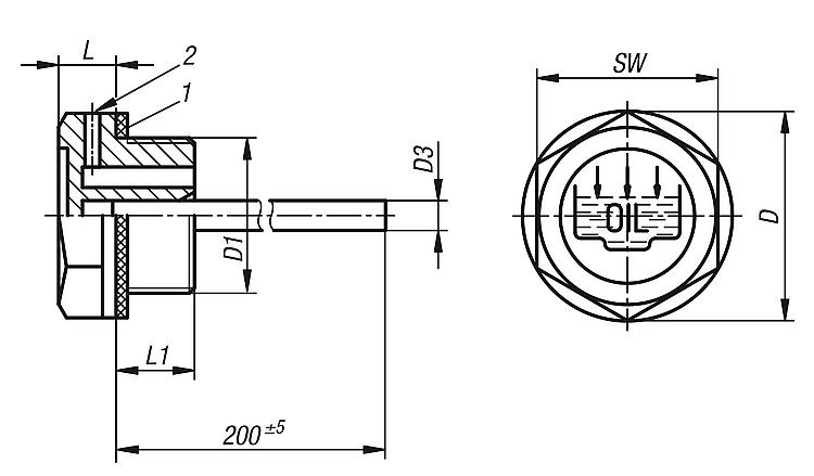
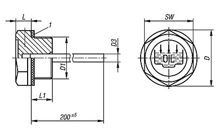
产品说明材料:聚酰胺 66 热塑性塑料。 钢制测油尺, 磷化处理。规格:无石棉平面密封件。提示:B 型在六角头侧面有一个排气孔,直径为 2 至 3.5mm,具体取决于锁定螺栓的尺寸。温度范围:耐高温,对于油为最高 100 °C。图纸提示: 下载此处为收集信息的 PDF:
查找 CAD 数据?请直接在产品列表中查找。
|
订货号 | 类型 | D | D1 | D3 | L | L1 | SW | CAD | 配件 | 价格 | 订购 |
|---|
| 28029-119014 | A | 19 | G1/4 | 4 | 7 | 9 | 17 |  | | 根据要求 | | | 28029-122038 | A | 22 | G3/8 | 4 | 7,5 | 10 | 18 |  | | 根据要求 | | | 28029-128012 | A | 28 | G1/2 | 4 | 7,5 | 11 | 24 |  | | 根据要求 | | | 28029-134034 | A | 34 | G3/4 | 5 | 9 | 11 | 30 |  | | 根据要求 | | | 28029-142100 | A | 42 | G1 | 5 | 10,5 | 12 | 36 |  | | 根据要求 | | | 28029-1191415 | A | 19 | M14X1,5 | 4 | 7 | 9 | 17 |  | | 根据要求 | | | 28029-1211615 | A | 21 | M16X1,5 | 4 | 7,5 | 10 | 18 |  | | 根据要求 | | | 28029-1261815 | A | 26 | M18X1,5 | 4 | 7,5 | 10 | 21 |  | | 根据要求 | | | 28029-1282015 | A | 28 | M20X1,5 | 4 | 8 | 10 | 24 |  | | 根据要求 | | | 28029-1282215 | A | 28 | M22X1,5 | 4 | 8 | 11 | 24 |  | | 根据要求 | |
|
订货号 | 类型 | D | D1 | D3 | L | L1 | SW | CAD | 配件 | 价格 | 订购 |
|---|
| 28029-219014 | B | 19 | G1/4 | 4 | 7 | 9 | 17 |  | | 根据要求 | | | 28029-222038 | B | 22 | G3/8 | 4 | 7,5 | 10 | 18 |  | | 根据要求 | | | 28029-228012 | B | 28 | G1/2 | 4 | 7,5 | 11 | 24 |  | | 根据要求 | | | 28029-234034 | B | 34 | G3/4 | 5 | 9 | 11 | 30 |  | | 根据要求 | | | 28029-242100 | B | 42 | G1 | 5 | 10,5 | 12 | 36 |  | | 根据要求 | | | 28029-251114 | B | 51 | G1 1/4 | 5 | 12 | 13,5 | 42 |  | | 根据要求 | | | 28029-2191415 | B | 19 | M14X1,5 | 4 | 7 | 9 | 17 |  | | 根据要求 | | | 28029-2211615 | B | 21 | M16X1,5 | 4 | 7,5 | 10 | 18 |  | | 根据要求 | | | 28029-2261815 | B | 26 | M18X1,5 | 4 | 7,5 | 10 | 21 |  | | 根据要求 | | | 28029-2282015 | B | 28 | M20X1,5 | 4 | 8 | 10 | 24 |  | | 根据要求 | |
|
|
|