|
|
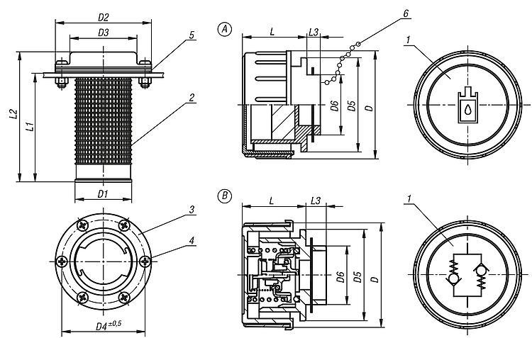
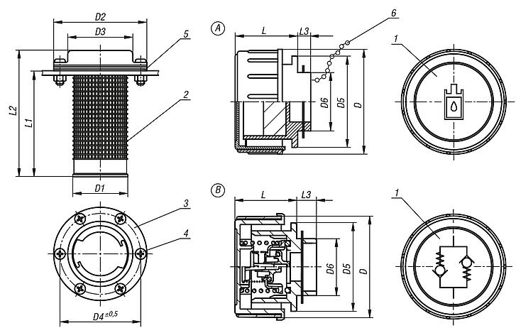
产品说明材料、规格:1. 聚酰胺 66 热塑性塑料制锁盖,红色。
2. 聚丙烯热塑性塑料制进料筛,黑色。
3. 钢制法兰,镀镍。
4. 钢制固定螺栓,镀镍。
5. 软木制法兰密封件。
6. 黄铜链条。提示:A 型:排气时的最大压力为 50mbar( 0.73 psi),最大排气量 500 l/min。空气过滤器避免污物侵入。
B 型:包含一套塑料制的吸气和排气阀。排气时的开启压力为 0.35bar (±0.05bar)。吸气时的开启压力为 0.05bar。因此这种方式适用于气流向两个方向调节的应用情况。 特点: 下载此处为收集信息的 PDF:
查找 CAD 数据?请直接在产品列表中查找。
|
订货号 | 类型 | 类型 2 | D
| D1 | D2 | D3 | D4 | D5 | D6 | L | L1 | L2 | L3 | CAD | 配件 | 价格 | 订购 |
|---|
| 28072-170 | A | 带过滤器 | 70 | 46 | 83 | 58 | 72 | 60 | 37 | 41 | 94 | 115 | 14 |  | | 根据要求 | | | 28072-270 | B | 通风阀和排气阀 | 70 | 46 | 83 | 58 | 72 | 60 | 37 | 41 | 94 | 115 | 14 |  | | 根据要求 | |
|
|