|
|
|
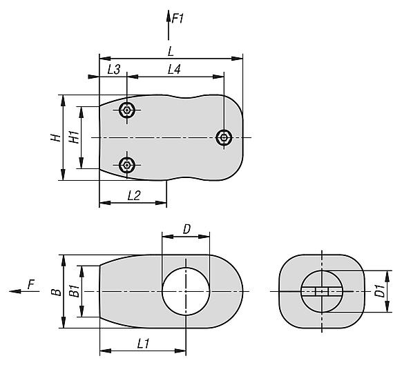
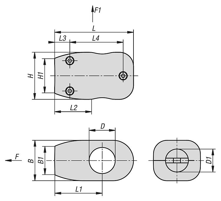
29351用于多件式圆管的 T 型件塑料件管接头 |
返回 |
|
|
产品说明材料:热塑性塑料。 不锈钢螺栓和螺母。规格:黑色。 亮色螺栓和螺母。提示:符合 DIN EN 10220 标准的配套钢管。特点: 下载此处为收集信息的 PDF:
查找 CAD 数据?请直接在产品列表中查找。
|
| 订货号 | B | B1 | D
| D1 | H | H1 | L | L1 | L2 | L3 | L4 | F max. kN | F1 max. kN | CAD | 配件 | 价格 | 订购 |
|---|
| 29351-4842 | 75 | 54 | 48,3 | 42,4 | 87 | 55 | 145 | 89 | 54 | 27,5 | 98,5 | 3,5 | 2 |  | | 根据要求 | | | 29351-6042 | 75 | 54 | 60,3 | 42,4 | 87 | 55 | 145 | 89 | 54 | 27,5 | 98,5 | 3,5 | 2 |  | | 根据要求 | |
|
|