|
|
|
29352-02用于圆管的塑料支撑头件管接头 |
返回 |
|
|
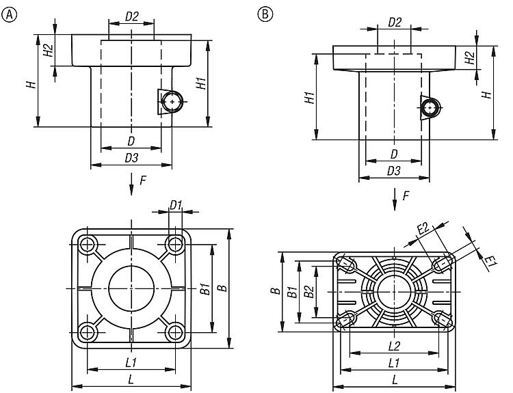
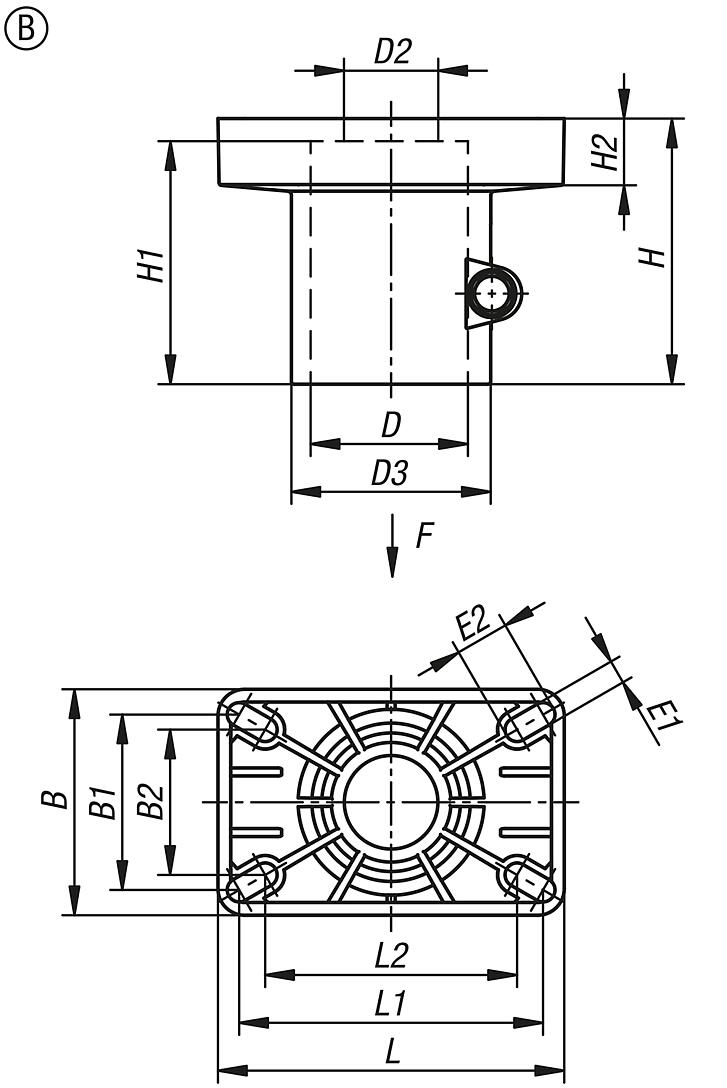
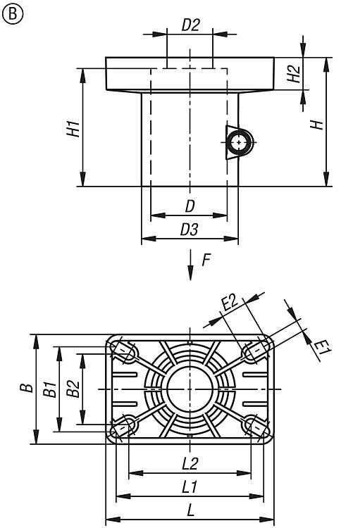
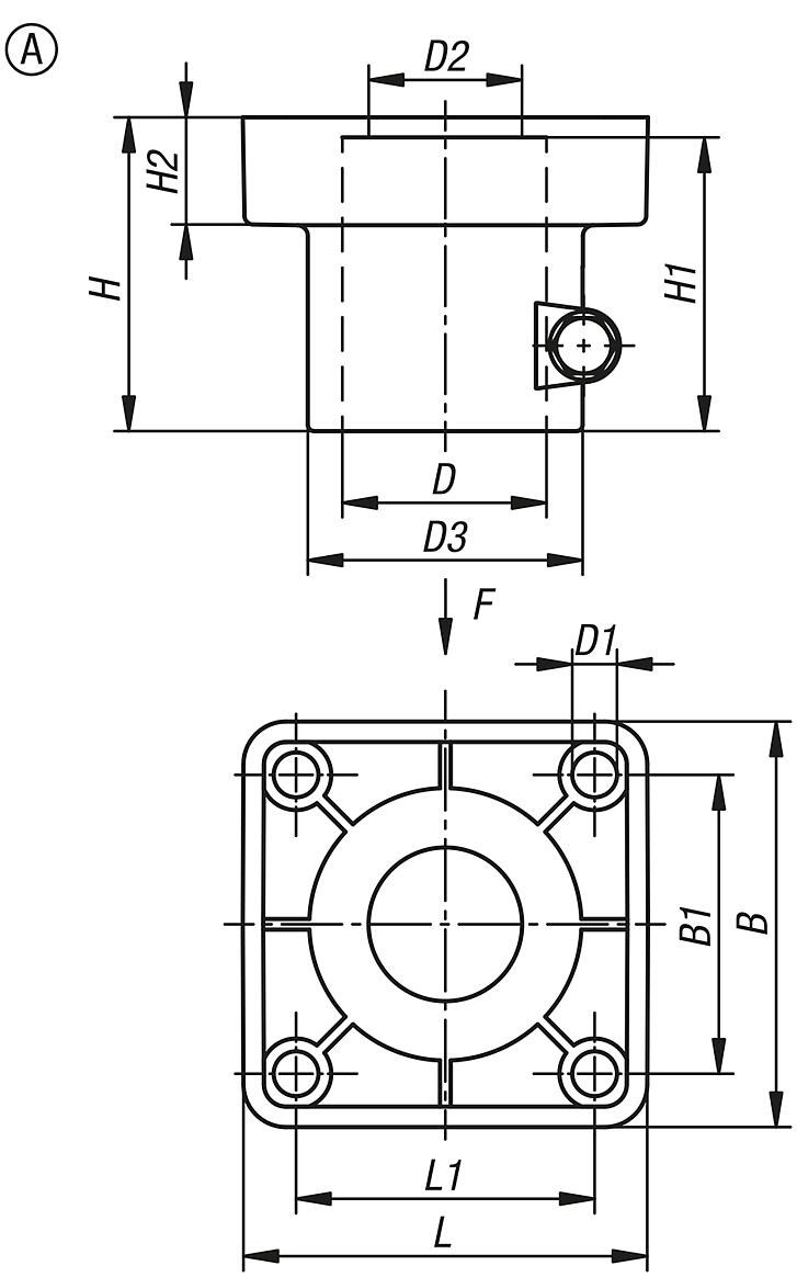
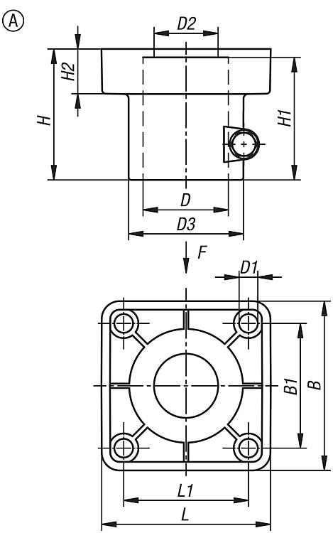
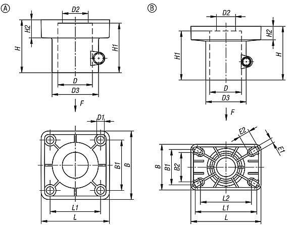
产品说明材料:热塑性塑料。 不锈钢螺栓和螺母。规格:黑色。 亮色螺栓和螺母。提示:圆管由一个螺钉夹紧。
件管接头固定在输送系统下方。
符合 DIN EN 10220 标准的配套钢管。
A 型:带孔的件管接头。 B 型:带椭圆孔的件管接头。特点: 下载此处为收集信息的 PDF:
查找 CAD 数据?请直接在产品列表中查找。
|
| 订货号 | 类型 | B | B1 | D
| D1 | D2 | D3 | H | H1 | H2 | L | L1 | F max. kN | CAD | 配件 | 价格 | 订购 |
|---|
| 29352-02-048 | A | 95 | 70 | 48,3 | 10,5 | 35 | 65 | 75 | 69,5 | 25 | 95 | 70 | 1,5 |  | | 根据要求 | |
|
| 订货号 | 类型 | B | B1 | B2 | D
| D2 | D3 | E1 | E2 | H | H1 | H2 | L | L1 | L2 | F max. kN | CAD | 配件 | 价格 | 订购 |
|---|
| 29352-02-148 | B | 85 | 65 | 55 | 48,3 | 35 | 75 | 9 | 20 | 100 | 90 | 25 | 130 | 115 | 95 | 2 |  | | 根据要求 | | | 29352-02-160 | B | 85 | 65 | 55 | 60,3 | 35 | 75 | 9 | 20 | 100 | 90 | 25 | 130 | 115 | 95 | 2 |  | | 根据要求 | |
|
|
|