|
|
|
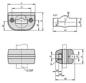
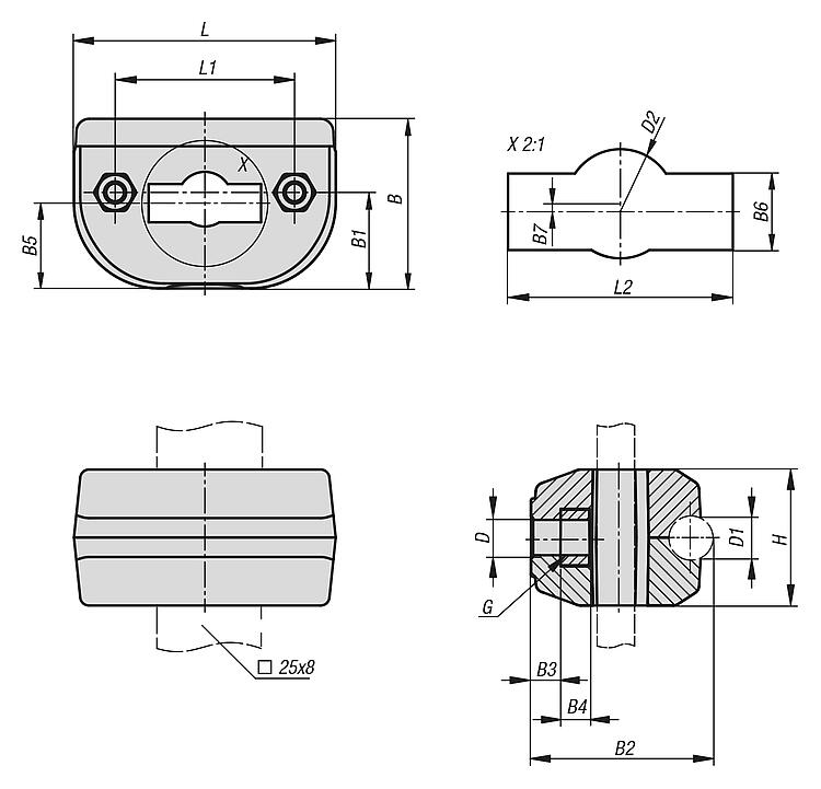
29302-02用于圆形侧导向装置的 扁铁塑料单夹具 |
返回 |
|
|
产品说明材料:热塑性塑料夹具。 不锈钢螺栓和螺母。规格:黑色夹具。 亮色螺栓和螺母。提示:单夹具与圆形侧导向装置一起使用。直径 D1 = 12 的螺栓或 25X8 的扁铁可用于调整单夹具的高度。
输送系统上的定向产品引导,使产品在运输过程中保持在传送带上。附件:螺栓 29302-10。特点: 下载此处为收集信息的 PDF:
查找 CAD 数据?请直接在产品列表中查找。
|
| 订货号 | B | B1 | B2 | B3 | B4 | B5 | B6 | B7 | D
| D1 | D2 | G | H | L | L1 | L2 | CAD | 配件 | 价格 | 订购 |
|---|
| 29302-02-2609110 | 38,5 | 22 | 42 | 6,5 | 6,5 | 19,25 | 8,5 | 1,25 | 8,5 | 10 | 12 | M8 | 31 | 59 | 40,6 | 25,5 |  | | 根据要求 | | | 29302-02-2609112 | 38,5 | 22 | 43 | 6,5 | 6,5 | 19,25 | 8,5 | 1,25 | 8,5 | 12 | 12 | M8 | 31 | 59 | 40,6 | 25,5 |  | | 根据要求 | |
|
|