norelem 使用 Cookies 以优化设计和持续改进网页。您通过继续使用网页,同意使用 Cookies。在我们的数据保护声明中可以找到有关 Cookies 主题的详细信息。同意

商品描述/产品说明

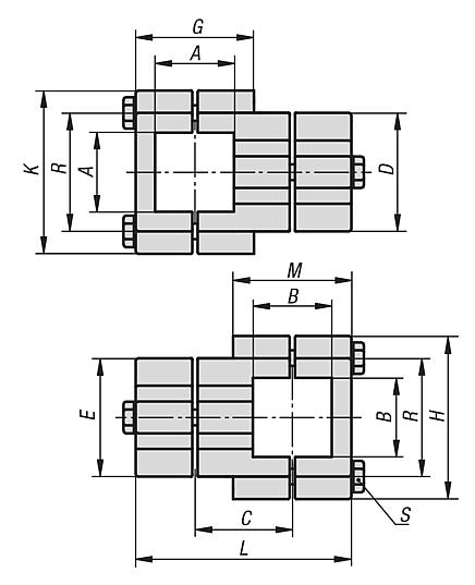
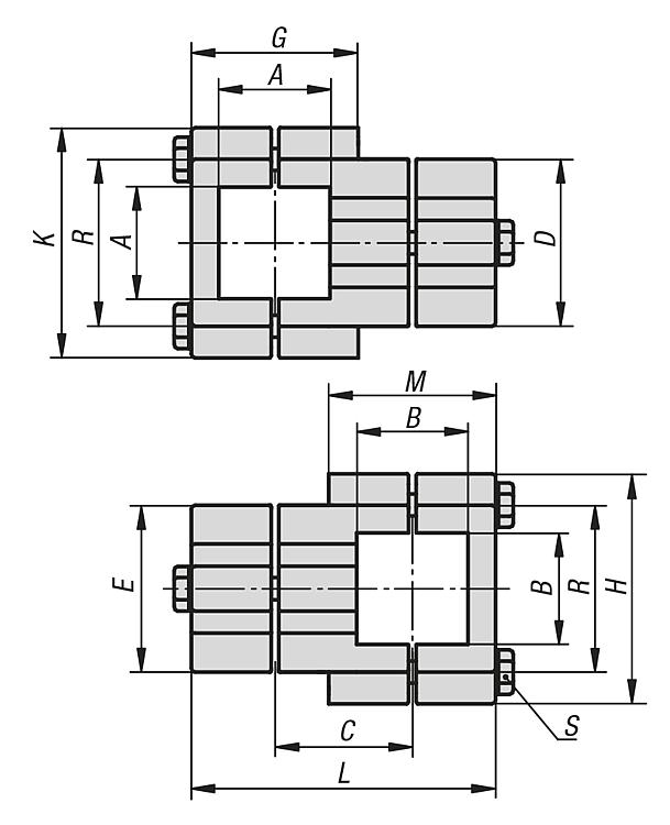
产品说明材料:铸铝。
带螺母的夹紧螺栓,钢制。
规格:经光滑打磨处理。
镀锌的带螺母夹紧螺栓。
根据要求:用于固定的夹紧杆和其他方形管尺寸。附件:- 圆形管和方形管 29050特点:
RoHS
下载此处为收集信息的 PDF:

查找 CAD 数据?请直接在产品列表中查找。
 Datasheet 29002 铝制十字扣件 339 kB

图纸

铝制十字扣件

商品选择/筛选

订货号

ABCD

EGHKLMRSCAD配件价格订购
29002-52303030,230,2384545446464834446M8x45  根据要求
29002-52404040,340,35060606175751116157M8x60  根据要求
我的 norelemE-Mail密码
购物车
商品数量: 0
总数: 0.00  
点击购物车
欢迎扫描二维码
咨询诺瑞朗官方客服微信
中国
苏ICP备20011289号-1  苏公网安备32058502011222 网页地图 打印 推荐 Top
Copyright © 2025 norelem. 保留所有权利。 电话 +49 71 45/206-44 至 45 · 传真 +49 71 45/206-83