norelem 使用 Cookies 以优化设计和持续改进网页。您通过继续使用网页,同意使用 Cookies。在我们的数据保护声明中可以找到有关 Cookies 主题的详细信息。同意

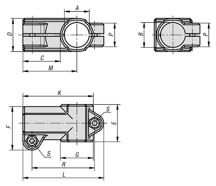
商品描述/产品说明

产品说明材料:铸铝。
圆柱形螺栓 DIN 7984 和六角螺母 DIN 985,钢制。
规格:经光滑打磨处理。
镀锌圆柱形螺栓和六角螺母。
根据要求:用于固定的夹紧杆和其他直径。附件:- 圆形管和方形管 29050特点:
RoHS
下载此处为收集信息的 PDF:

查找 CAD 数据?请直接在产品列表中查找。
 Datasheet 29006 铝制T型扣件 271 kB

图纸

铝制T型扣件

商品选择/筛选

订货号A

BCD

EFGKLMPRSCAD配件价格订购
29006-5121212,112,128253235,5255666432349M6x20  根据要求
29006-5141414,114,128253235,5255666432349M6x20  根据要求
29006-5151515,115,128253235,5255666432349M6x20  根据要求
29006-5161616,116,128253235,5255666432349M6x20  根据要求
29006-5181818,118,128253235,5255666432349M6x20  根据要求
29006-5202020,120,138404553408093603372,5M8x25  根据要求
29006-5252525,125,138404553408093603372,5M8x25  根据要求
29006-5303030,130,138404553408093603372,5M8x25  根据要求
29006-5404040,1540,1555566074561161348840108M10x30  根据要求
29006-5505050,2250,2263666684661311499845123M10x35  根据要求
我的 norelemE-Mail密码
购物车
商品数量: 0
总数: 0.00  
点击购物车
欢迎扫描二维码
咨询诺瑞朗官方客服微信
中国
苏ICP备20011289号-1  苏公网安备32058502011222 网页地图 打印 推荐 Top
Copyright © 2025 norelem. 保留所有权利。 电话 +49 71 45/206-44 至 45 · 传真 +49 71 45/206-83