norelem 使用 Cookies 以优化设计和持续改进网页。您通过继续使用网页,同意使用 Cookies。在我们的数据保护声明中可以找到有关 Cookies 主题的详细信息。同意

商品描述/产品说明

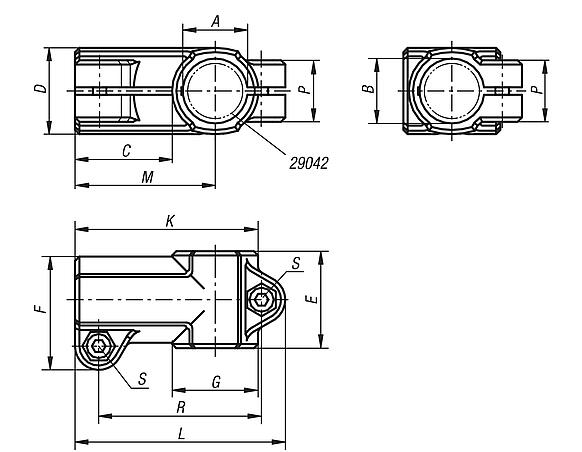
产品说明材料:热塑性塑料
圆柱形螺栓 DIN 7984 和六角螺母 DIN 985,钢制。
规格:黑色。
镀锌圆柱形螺栓和六角螺母。
提示:圆形管的基本尺寸为 Ø18 mm 或 Ø30mm。通过变径轴套 29042 可以用于更小直径或者方管。根据要求:用于固定的塑料夹紧杆。附件:- 变径轴套 29042特点:
RoHS
下载此处为收集信息的 PDF:

查找 CAD 数据?请直接在产品列表中查找。
 Datasheet 29006 塑料制T型扣件 658 kB
 热塑性管材连接器技术资料 284 kB

图纸

塑料制T型扣件

商品选择/筛选

订货号A

BCD

EFGKLMPRSCAD配件价格订购
29006-1818181830,52530342555,564,5432149,5M6x18  根据要求
29006-3030303045404552,5408597,56528,575,5M8x25  根据要求
我的 norelemE-Mail密码
购物车
商品数量: 0
总数: 0.00  
点击购物车
欢迎扫描二维码
咨询诺瑞朗官方客服微信
中国
苏ICP备20011289号-1  苏公网安备32058502011222 网页地图 打印 推荐 Top
Copyright © 2025 norelem. 保留所有权利。 电话 +49 71 45/206-44 至 45 · 传真 +49 71 45/206-83