norelem 使用 Cookies 以优化设计和持续改进网页。您通过继续使用网页,同意使用 Cookies。在我们的数据保护声明中可以找到有关 Cookies 主题的详细信息。同意

商品描述/产品说明

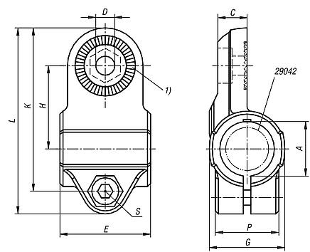
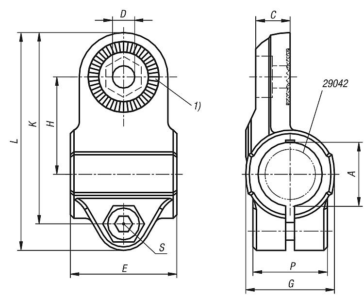
产品说明材料:铸铝。
带螺母的夹紧螺栓,钢制。
规格:经光滑打磨处理。
镀锌的带螺母夹紧螺栓。
提示:带内齿的连接件管接头可与带外齿的铰接件管接头 (29026) 接合成一个连接件。

拧紧夹紧螺栓的最大扭矩:
M6:10 Nm。
M8:25 Nm。
M10:50 Nm。
根据要求:用于固定的夹紧杆。附件:- 六角螺母 DIN 985
- 六角螺栓 DIN 933
- 圆柱头螺丝 DIN 6912
图纸提示:
1) 15° 啮合
特点:
RoHS
下载此处为收集信息的 PDF:

查找 CAD 数据?请直接在产品列表中查找。
 Datasheet 29028 铝制连接件管接头,带内齿 338 kB

图纸

铝制连接件管接头,带内齿
铝制连接件管接头,带内齿

商品选择/筛选

订货号A

CD

EGHKLPSF
kN
Mb (Nm)Mv (Nm)CAD配件价格订购
29028-51212,110,57,53026275664,521M62,73815 根据要求
29028-51414,110,57,53026275664,521M62,73815 根据要求
29028-51616,110,57,53026275664,521M62,73815 根据要求
29028-51818,110,57,53026275664,521M62,73815 根据要求
29028-52020169404043859333M8613385 根据要求
29028-52525,1169404043859333M8613385 根据要求
29028-53030,1169404043859333M8613385 根据要求
29028-54040,2221156566011612848M105,8264138 根据要求
我的 norelemE-Mail密码
购物车
商品数量: 0
总数: 0.00  
点击购物车
欢迎扫描二维码
咨询诺瑞朗官方客服微信
中国
苏ICP备20011289号-1  苏公网安备32058502011222 网页地图 打印 推荐 Top
Copyright © 2025 norelem. 保留所有权利。 电话 +49 71 45/206-44 至 45 · 传真 +49 71 45/206-83