norelem 使用 Cookies 以优化设计和持续改进网页。您通过继续使用网页,同意使用 Cookies。在我们的数据保护声明中可以找到有关 Cookies 主题的详细信息。同意
重载万向球适用于室外区域
95156-02

重载万向球适用于室外区域

返回

商品描述/产品说明

产品说明材料:

不锈钢 1.4021 球形元件。
不锈钢 1.4301 壳体

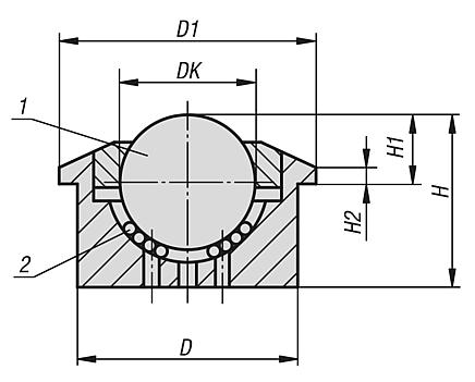
规格:亮色。提示:全钢制万向球设计在冲击负荷下具有较长的使用寿命。所有装置交货时都已配备全钢制壳体和经硬化处理的表面。由于大量的自洁口,万向球具有很高的自洁度。因此它们尤其适用于外部设备。图纸提示:
1) 负载球
2) 支承球
特点:
不锈钢
下载此处为收集信息的 PDF:

查找 CAD 数据?请直接在产品列表中查找。
 Datasheet 95156-02 重载万向球适用于室外区域 236 kB
 万向球 安装说明及技术参数 271 kB

图纸

重载万向球适用于室外区域

商品选择/筛选

订货号材料
载荷球
材料
支撑球
DKD1D

HH1H2额定负载
C(N)
CAD配件价格订购
95156-02-330不锈钢不锈钢305545±0,08036,813,8±0,23,42000 根据要求
我的 norelemE-Mail密码
购物车
商品数量: 0
总数: 0.00  
点击购物车
欢迎扫描二维码
咨询诺瑞朗官方客服微信
中国
苏ICP备20011289号-1  苏公网安备32058502011222 网页地图 打印 推荐 Top
Copyright © 2025 norelem. 保留所有权利。 电话 +49 71 45/206-44 至 45 · 传真 +49 71 45/206-83