norelem 使用 Cookies 以优化设计和持续改进网页。您通过继续使用网页,同意使用 Cookies。在我们的数据保护声明中可以找到有关 Cookies 主题的详细信息。同意
带塑料外壳的球轴
95153

带塑料外壳的球轴

返回

商品描述/产品说明

查看/筛选所有商品
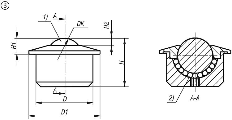
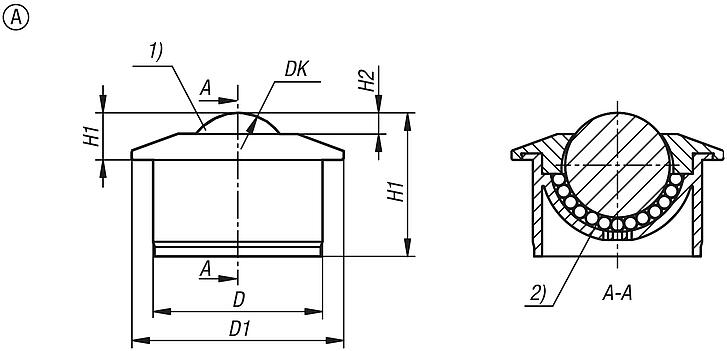
产品说明材料:POM 壳体和盖罩。
不锈钢承载球。
不锈钢或塑料负载球。
规格:不锈钢,硬化处理。提示:球轴脚轮由经过认证的蓝色塑料制成,适用于食品行业的嵌入件。球轴脚轮配有无间隙的封闭盖子,可防止形成脏边。

壳体下侧的排污孔特别便于清洁球轴承。

输送速度可达 1.5 米/秒。

符合食品标准:食品级,欧盟法规 1935/2004,欧盟法规 10/2011。

POM 盖子和壳体、不锈钢支撑球、POM 或不锈钢负载球。
温度范围:-30 °C 至 +50 °C(塑料负载球可至+30°)图纸提示:
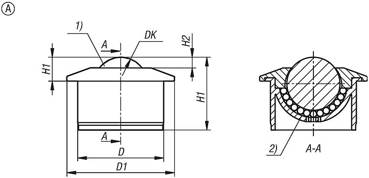
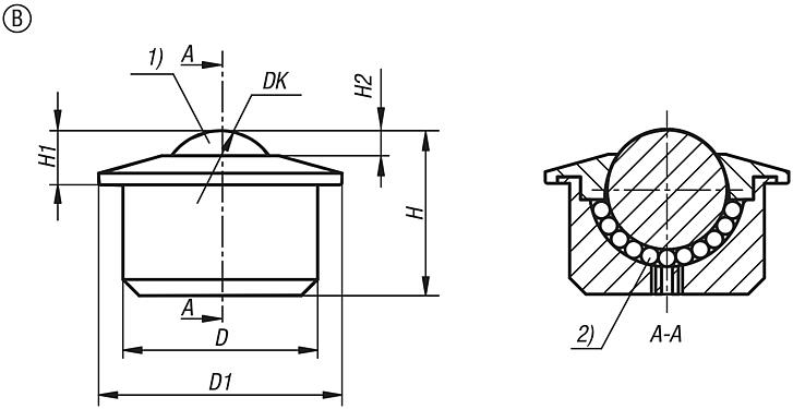
1) 装载球
2) 装载球
特点:
RoHS
下载此处为收集信息的 PDF:

查找 CAD 数据?请直接在产品列表中查找。
 Datasheet 95153 带塑料外壳的球轴 185 kB

图片(总概述)

带塑料外壳的球轴

带塑料外壳的球轴,A 型

更多信息

图纸

带塑料外壳的球轴,A 型

商品选择/筛选

订货号类型材料
载荷球
材料
支撑球
D

D1DKHH1H2额定负载
C(N)
固定方式CAD配件价格订购
95153-1501A聚酰胺不锈钢24±0,131±0,215,87520,5±0,29,5±0,24,5200压装 根据要求
95153-1511A不锈钢不锈钢24±0,131±0,215,87520,5±0,29,5±0,24,5200压装 根据要求
95153-2201A聚酰胺不锈钢36±0,145±0,222,22530,5±0,210±0,24,5250压装 根据要求
95153-2211A不锈钢不锈钢36±0,145±0,222,22530,5±0,210±0,24,5250压装 根据要求

带塑料外壳的球轴,B 型

更多信息

图纸

带塑料外壳的球轴,B 型

商品选择/筛选

订货号类型材料
载荷球
材料
支撑球
D

D1DKHH1H2额定负载
C(N)
固定方式状态CAD配件价格订购
95153-150B聚酰胺不锈钢24±0,131±0,215,87520,5±0,29,5±0,24,5200压装余货 根据要求
95153-151B不锈钢不锈钢24±0,131±0,215,87520,5±0,29,5±0,24,5200压装余货 根据要求
95153-221B不锈钢不锈钢36±0,145±0,222,22530,5±0,210±0,24,5250压装余货 根据要求
95153-300B聚酰胺不锈钢45±0,155±0,13037±0,114±0,15,5350压装 根据要求
95153-301B不锈钢不锈钢45±0,155±0,13037±0,114±0,15,5350压装 根据要求
95153-440B聚酰胺不锈钢62±0,175±0,144,553,5±0,119±0,19500压装 根据要求
95153-441B不锈钢不锈钢62±0,175±0,144,553,5±0,119±0,19500压装 根据要求
我的 norelemE-Mail密码
购物车
商品数量: 0
总数: 0.00  
点击购物车
欢迎扫描二维码
咨询诺瑞朗官方客服微信
中国
苏ICP备20011289号-1  苏公网安备32058502011222 网页地图 打印 推荐 Top
Copyright © 2025 norelem. 保留所有权利。 电话 +49 71 45/206-44 至 45 · 传真 +49 71 45/206-83